电脑桌面
添加小米粒文库到电脑桌面
安装后可以在桌面快捷访问

阀门学习资料.

阀门学习资料._第1页
1/16
阀门学习资料._第2页
2/16
阀门学习资料._第3页
3/16
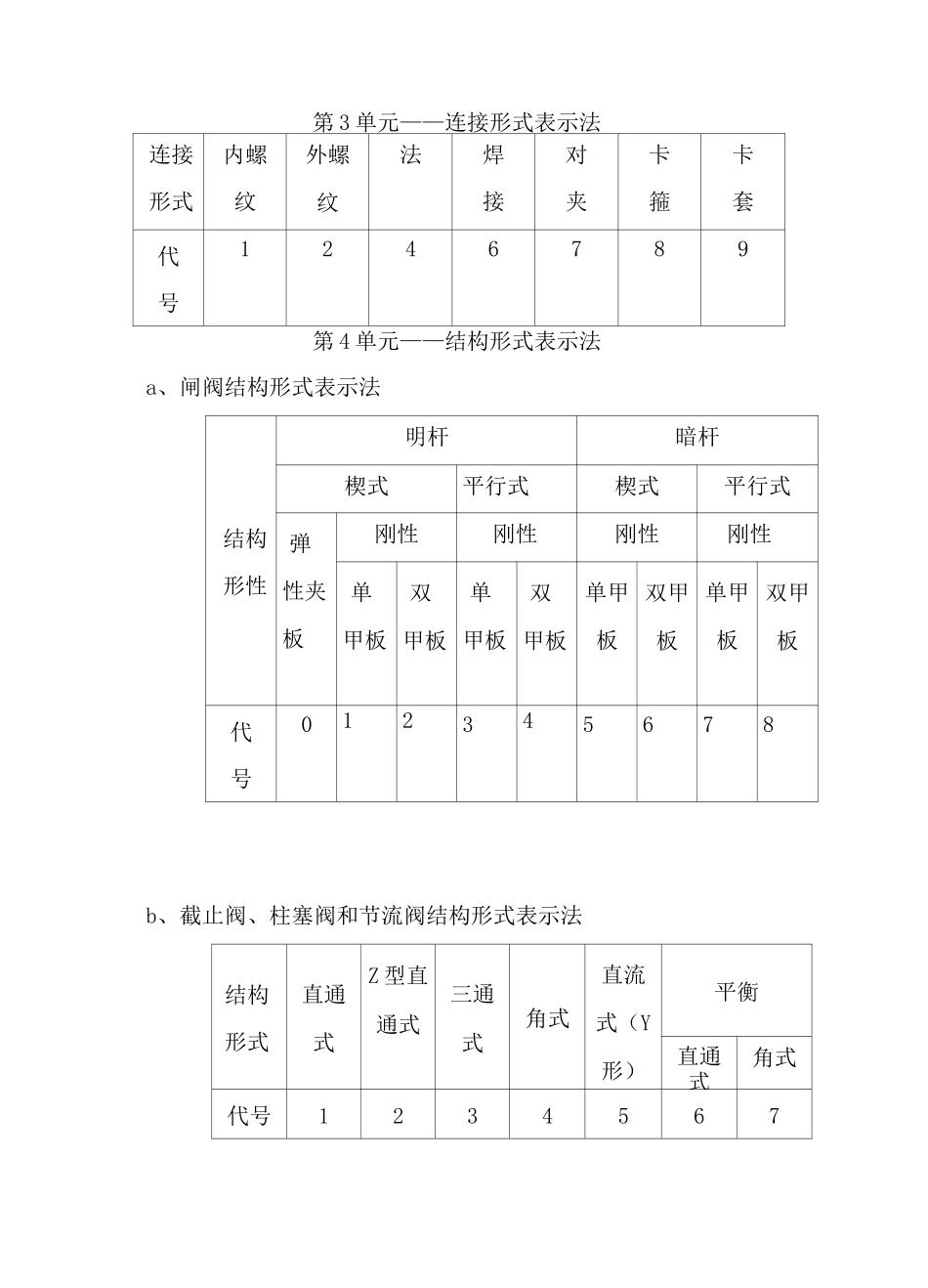
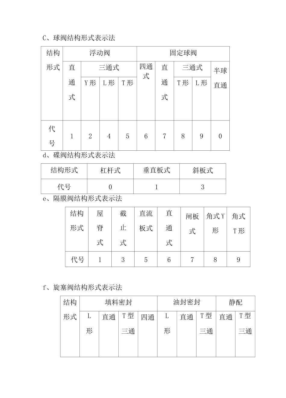
阀门型号、意义、应用及试题第一节:阀门型号的表示方法及意义□0 卫 H 叵一 0□□表示阀门类型門表示传动方式阿表示连接形式 4 表示结构形式門表示阀座密封面或衬里材料門表示公称压力□表示阀体材料第 1 单元一一阀门类型表示法类型闸阀截止阀节流阀球阀蝶阀隔膜阀旋塞阀止回阀底阀安全阀减压阀疏水阀柱塞阀排污阀代号ZJLQDGXHAYSUP第 2 单元——传动方式表示法传动方法 电磁动电磁液动 电液动蜗轮正齿轮锥齿轮 汽动 液动 汽液动电动代号0123456789第 3 单元——连接形式表示法连接形式内螺纹外螺纹法焊接对夹卡箍卡套代号1246789第 4 单元——结构形式表示法a、闸阀结构形式表示法结构形性明杆暗杆楔式平行式楔式平行式弹性夹板刚性刚性刚性刚性单甲板双甲板单甲板双甲板单甲板双甲板单甲板双甲板代号012345678b、截止阀、柱塞阀和节流阀结构形式表示法结构形式直通式Z 型直通式三通式角式直流式(Y形)平衡直通式角式代号1234567C、球阀结构形式表示法结构形式浮动阀固定球阀直通式三通式四通式直通式三通式半球直通Y 形L 形T 形T 形L 形代号124567890d、碟阀结构形式表示法结构形式杠杆式垂直板式斜板式代号013e、隔膜阀结构形式表示法结构形式屋脊式截止式直流板式直通式闸板式角式 Y形角式T 形代号1356789f、旋塞阀结构形式表示法结构形式填料密封油封密封静配L形直通T 型三通四通L形直通T 型三通直通T 型三通代号234567890g、止回阀和底阀结构形式表示法结构形式升降旋启回转碟形止回阀截止止回阀直通式立式角式单瓣式多瓣式双瓣式代号12345678h、安全阀结构形式表示法结构形式弹簧式脉冲式杠杆式封闭不封闭带散热片全启式微启式全启式带扳手全启式带扳手双弹簧微启式微启式全启式带控制机构全启式代号0124378695i、减压阀结构形式表示法结构形式薄膜式弹簧薄膜式活塞式波纹管式杠杆式代号13345j、疏水阀结构形式表示法结构形式浮球式迷宫或孔板式浮通式液体或固体膨胀式钟形浮子式蒸汽压力式双金属片式或弹簧式脉冲式圆盘式代号123456789k、排污阀结构形式表示法结构形式液面连续液底间断截止型直通式截止型角式截止型直通式截止型直通式截止型角式浮动闸板型直通式代号125678第 5 单元——阀座密封面或衬里材料表示方法阀座密封面或衬里材料代号阀座密封面或衬里材料代号阀座密封面或衬里材料代号铜合金T渗硼钢P氟塑料F蒙乃而合金M锡基轴承合金B衬胶J18-8 系不锈E硬质合金Y衬铅Q钢13 系不锈钢H橡胶X搪...

1、当您付费下载文档后,您只拥有了使用权限,并不意味着购买了版权,文档只能用于自身使用,不得用于其他商业用途(如 [转卖]进行直接盈利或[编辑后售卖]进行间接盈利)。
2、本站所有内容均由合作方或网友上传,本站不对文档的完整性、权威性及其观点立场正确性做任何保证或承诺!文档内容仅供研究参考,付费前请自行鉴别。
3、如文档内容存在违规,或者侵犯商业秘密、侵犯著作权等,请点击“违规举报”。

碎片内容

阀门学习资料.

确认删除?
VIP
微信客服
  • 扫码咨询
会员Q群
  • 会员专属群点击这里加入QQ群
客服邮箱
回到顶部