电脑桌面
添加小米粒文库到电脑桌面
安装后可以在桌面快捷访问

T超滤+反渗透设计方案

T超滤+反渗透设计方案_第1页
1/13
T超滤+反渗透设计方案_第2页
2/13
T超滤+反渗透设计方案_第3页
3/13
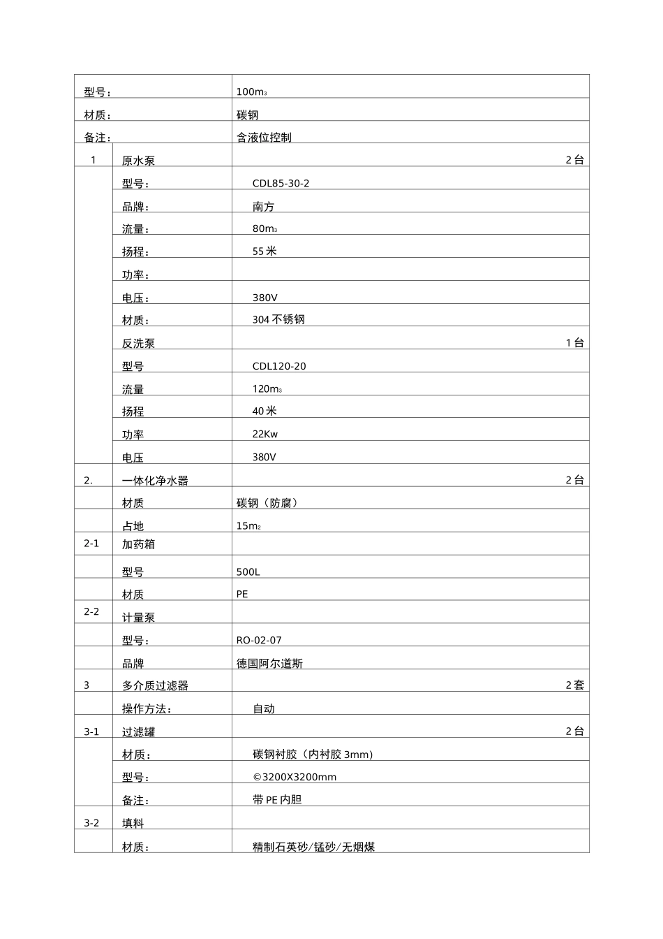
100 吨/h 生活用水处理系统设计方案设计单位:济南安吉尔实业有限公司联系电话:1:设备报价:设备名称:100m3/h 超纯水系统设计单位名称:济南安吉尔实业有限公司交货周期:主要设备特点:米用一体化净水器设备,有效脱出给水中的浊度。预处理过滤罐体:碳钢衬胶,锰砂设置有效脱出水中的铁。采用阻垢方式,分解,水中钙,镁结构,保护 RO.采用不锈钢保安过滤器带溶喷 PP 滤芯,有效阻挡颗粒进入 RO 膜.采用96 支中空纤维超滤膜有效脱出水中色度。采用上市公司一一杭州南方特种泵业股份有限公司水泵做高压泵.采用原装进口海德能膜组件,采用 18 压力容器,108 支 8040 反渗透膜,保证系统产水水质及产水量.本设备技术优势:生产优势:设备全自动运行,预处理自动正反冲洗,主机自动定时冲洗。液位自动连锁系统缺水自动停机,来水自动开机,水满自动停机.售后承诺:济南安吉尔实业有限公司对本系统承诺实行每月预见性先期巡访,定期检查设备的运行情况,实行“保姆式”和“零距离”服务,及时处理可能要发生的状况•维修服务,对系统运行中存在的问题进行分析总结,对运行方式进行完善、修正,对运行人员进行技术培训和指导。对于甲方提出的问题,乙方保证在半小时内给予答复,并给予解决问题的方案,在 1 小时内派专业工程师到达现场进行服务。在质保期内,乙方免费维修更换因产品质量问题造成损坏的零部件并负责赔偿损失.二:附主要配置表1、预处理部分:原水箱:1 台型号:100m3材质:碳钢备注:含液位控制1原水泵2 台型号:CDL85-30-2品牌:南方流量:80m3扬程:55 米功率:电压:380V材质:304 不锈钢反洗泵1 台型号CDL120-20流量120m3扬程40 米功率22Kw电压380V2.一体化净水器2 台材质碳钢(防腐)占地15m22-1加药箱型号500L材质PE2-2计量泵型号:RO-02-07品牌德国阿尔道斯3多介质过滤器2 套操作方法:自动3-1过滤罐2 台材质:碳钢衬胶(内衬胶 3mm)型号:©3200X3200mm备注:带 PE 内胆3-2填料材质:精制石英砂/锰砂/无烟煤型号:10-20 目等数量:石英砂 21 吨,无烟煤吨4活性炭过滤器2 套操作方法:自动4-1过滤罐2 台材质:碳钢衬胶(内衬胶 3mm)型号:©3200X3200mm备注:带 PE 内胆4-2填料材质:果壳活性炭型号:20 目数量:活性炭 18 吨,精制石英砂 5 吨5阻垢剂添加装置:2 套5-1阻垢计量泵:1 台型号:AXS901品牌:意大利 SKEO5-2加药箱:1 台型号:500L材质:PE6保安过滤器2 套6-1保安过...

1、当您付费下载文档后,您只拥有了使用权限,并不意味着购买了版权,文档只能用于自身使用,不得用于其他商业用途(如 [转卖]进行直接盈利或[编辑后售卖]进行间接盈利)。
2、本站所有内容均由合作方或网友上传,本站不对文档的完整性、权威性及其观点立场正确性做任何保证或承诺!文档内容仅供研究参考,付费前请自行鉴别。
3、如文档内容存在违规,或者侵犯商业秘密、侵犯著作权等,请点击“违规举报”。

碎片内容

T超滤+反渗透设计方案

确认删除?
VIP
微信客服
  • 扫码咨询
会员Q群
  • 会员专属群点击这里加入QQ群
客服邮箱
回到顶部