电脑桌面
添加小米粒文库到电脑桌面
安装后可以在桌面快捷访问

2020最新水利水电工程-周报

2020最新水利水电工程-周报_第1页
1/6
2020最新水利水电工程-周报_第2页
2/6
2020最新水利水电工程-周报_第3页
3/6
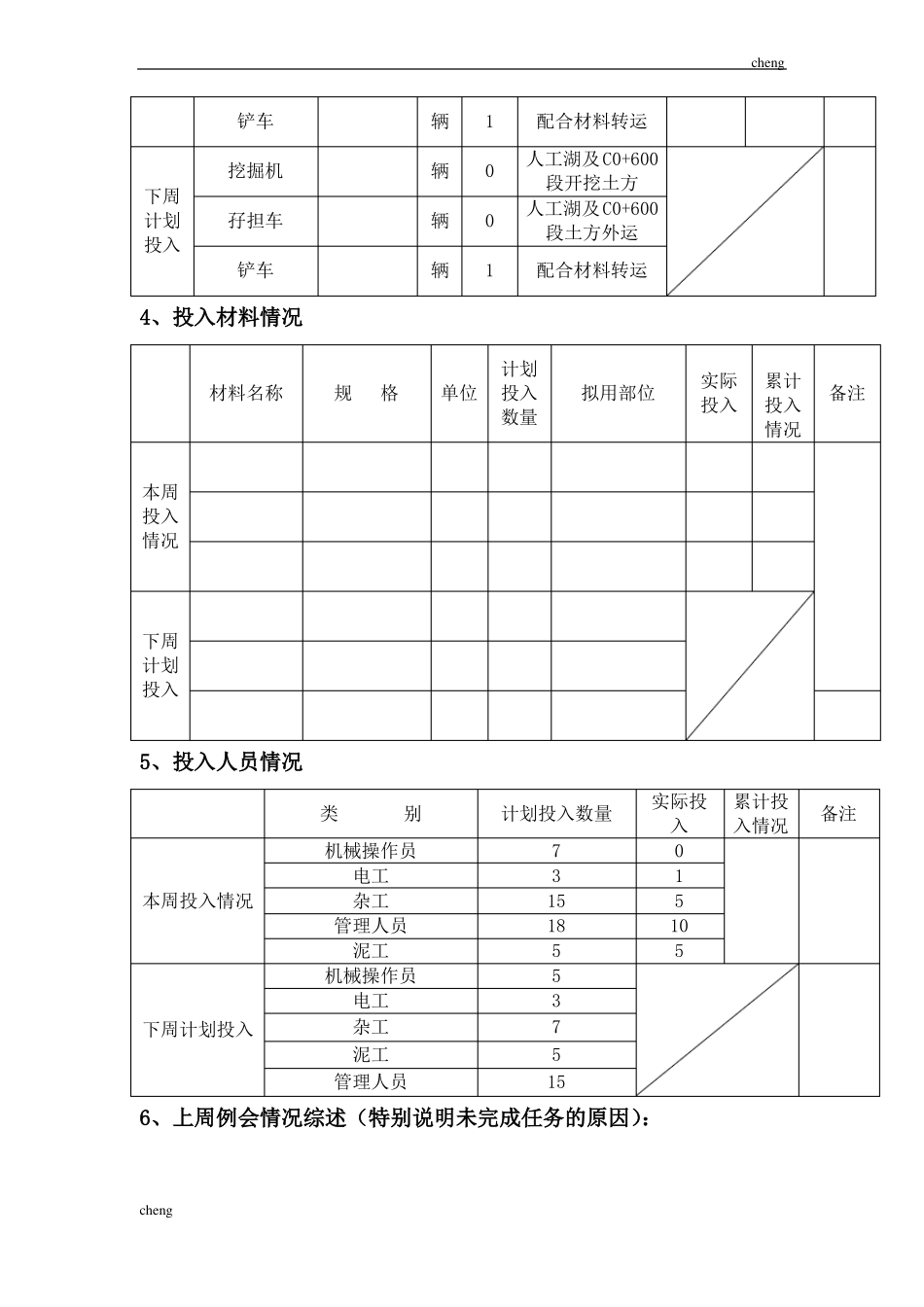
cheng四清河整治工程(二期)施 工 周 报第 7 期(总第期)2011 年 9 月 13 日~2011 年 9 月 19 日北京通成达水务建设有限公司2011 年 9 月 19 日chengcheng1、本周施工完成情况序号1分部工程部位本周计划完成量本周实际完成量0m3本周实际完成率0%累计完成量24800m3备注因雨天创文等影响因雨天创文等影响堤基处理上游段(C1+000) 6000m3人工湖土方外运上游段(C0+6000+900)土方外运上游段(C1+0501+132左侧、C1+1001+132 右侧)护脚砌筑2000m32堤基处理0m30%4600m33堤基处理30 米37 米123.3%114 米2、下周计划完成工程量序号123456分部工程堤基处理堤基处理堤基处理堤身填筑部位上游段(C1+000)人工湖土方外运上游段(C0+6000+900)土方外运上游段(C1+1321+182)护脚砌筑上游段(C1+1321+160 右侧)格宾石笼计划完成量备注3、投入设备情况机械名称型号计划单投入位数量辆辆00拟用部位人工湖及C0+600段开挖土方人工湖及C0+600段土方外运实际投入累计投入情况备注本周投入情况挖掘机孖担车chengcheng铲车挖掘机下周计划投入孖担车铲车辆辆辆辆1001配合材料转运人工湖及C0+600段开挖土方人工湖及C0+600段土方外运配合材料转运4、投入材料情况材料名称规格计划单位投入数量拟用部位实际累计备注投入投入情况本周投入情况下周计划投入5、投入人员情况类别机械操作员电工杂工管理人员泥工机械操作员电工杂工泥工管理人员计划投入数量7315185537515实际投入015105累计投入情况备注本周投入情况下周计划投入6、上周例会情况综述(特别说明未完成任务的原因):chengcheng7、对上周例会问题的解决情况基本落实。8、下周计划完成的保证措施、质量控制措施、安全措施等:(1)进度保证措施:(1)保证人、财、物,满足工程需要。我公司将保证本标书所列施工队伍、管理人员、技术人员、机械设备按时进场展开施工,并准备充分的进场资金,购买原材料、零配件,为保证工期打好坚实的物质基础。(2) 加强工序衔接,杜绝安全与质量事故的发生,保证工程顺利进展。(3) 严格按施工组织设计、计划科学组织施工,每月进行检查,通报进度、质量情况,分析问题,找出差距,及时调整计划及劳动力机械配备,确保形象进度。(4) 作好关键项目施工,对关键线路上的工程项目按有效工日控制,并据此配备机械和人员,以保证关键项目按期完成。(5) 调配非关键性项目的施工,做到均衡施工。(6) 加强同甲方、监理、设计单位和当地居民、政府的联系及...

1、当您付费下载文档后,您只拥有了使用权限,并不意味着购买了版权,文档只能用于自身使用,不得用于其他商业用途(如 [转卖]进行直接盈利或[编辑后售卖]进行间接盈利)。
2、本站所有内容均由合作方或网友上传,本站不对文档的完整性、权威性及其观点立场正确性做任何保证或承诺!文档内容仅供研究参考,付费前请自行鉴别。
3、如文档内容存在违规,或者侵犯商业秘密、侵犯著作权等,请点击“违规举报”。

碎片内容

2020最新水利水电工程-周报

确认删除?
VIP
微信客服
  • 扫码咨询
会员Q群
  • 会员专属群点击这里加入QQ群
客服邮箱
回到顶部