电脑桌面
添加小米粒文库到电脑桌面
安装后可以在桌面快捷访问

DLP大屏幕标准施工方案及流程

DLP大屏幕标准施工方案及流程_第1页
1/8
DLP大屏幕标准施工方案及流程_第2页
2/8
DLP大屏幕标准施工方案及流程_第3页
3/8
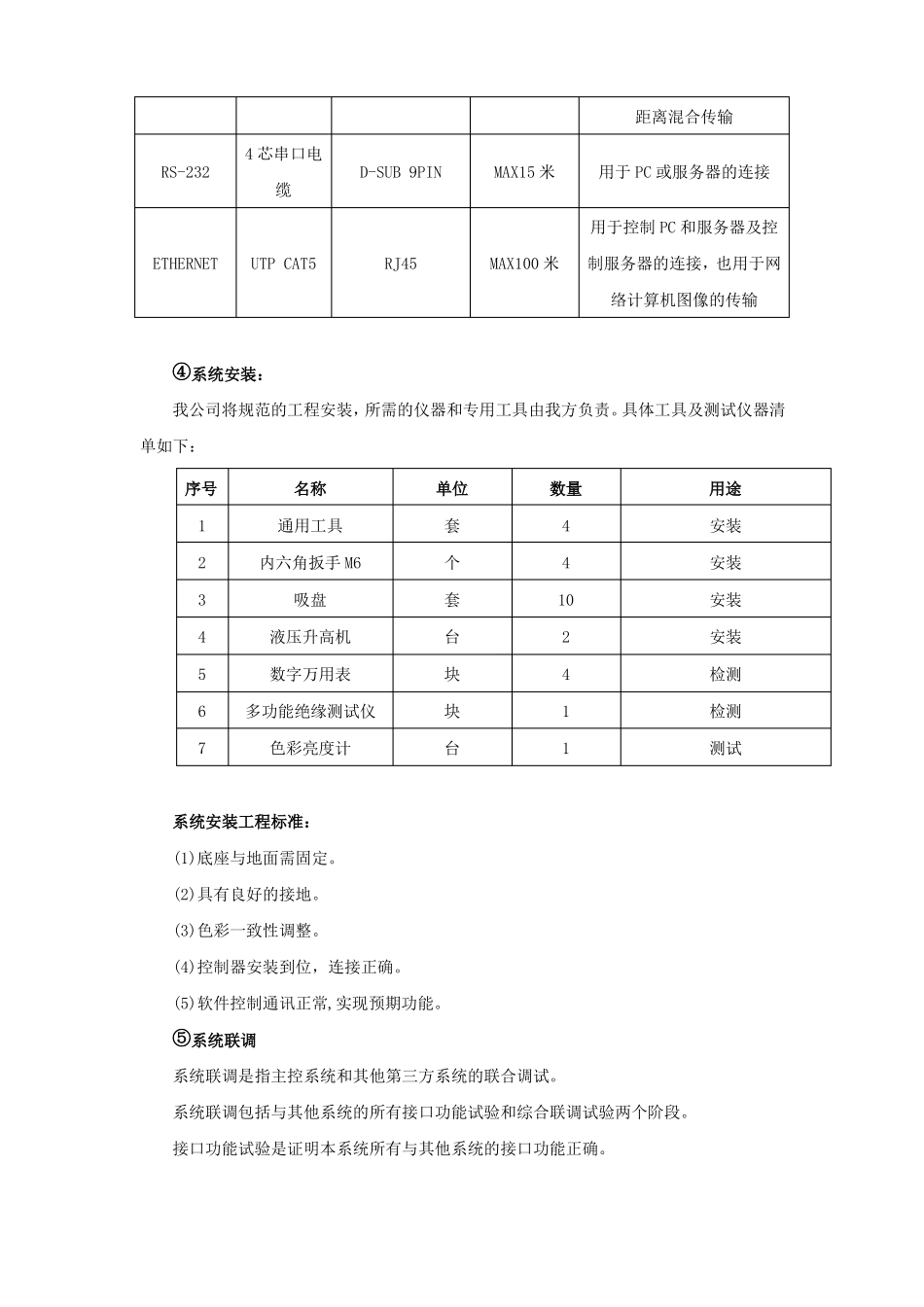
海盛翔和激光屏标准施工方案及流程一、进场施工条件作为一个精密复杂的大屏幕显示系统,为确保海盛翔和激光屏的正常稳定使用,激光屏的安装对项目现场环境有一定要求,因此,在正式调试安装前,乙方须确保大屏安装项目现场具备以下条件:1. 确保大屏安装位置地面的平整。2. 确保大屏安装前,整个项目现场已完成基本装修,保证在大屏后续的安装、调试和使用过程中,项目现场不会产生扬尘、扬灰等现象。3. 确保现场的基础电气线路完成接地处理。二、具体施工方案及流程1. 正常施工进度计划表如下:施工项目技术联络生产及测试国内运输到货现场验收系统安装、调试系 统 联 调现 场 培 训设备交付使用现场环境整理5 天15 天25 天30 天一年工程验收2.现场施工调试流程①进场计划:根据项目的进度要求,由甲方提出具体进场时间,我方根据具体的时间要求在进场前由安装工程师再次查看现场。根据现场的实际情况向项目组提出安装需要的人数、设备、环境要求,提出具体的进场方案报业主批准。②到货检验:到货后由我公司组织甲方对到货的货物进行外观检查,认定运输途中是否受损。编号、数量和名称可到货物清单是否吻合、满足合同要求。③现场安装:a. 框架安装装修前进行框架的安装,考虑维修安装及散热的方便,箱体设计距后墙最近点的距离为100mm。b. 布线确定外围设备到大屏之间的布线方式是预埋线管还是布线槽及位置的确定,布线时电源线和信号线要分开,避免对信号产生干扰。根据大屏幕规格、机柜位置、信号源位置,计算出所需各种线缆长度、接头数量。信号名称RGB(VGA)电缆类型RGBHV 五芯接头形式BNC 或 HD-15传输距离MAX50 米说明75Ω,用于计算机到 RGB 矩阵或服务器连接75Ω,用于视频信号源电缆BNC 或 RCA 莲花接C-VIDEO同轴电缆头MAX200 米(DVD、摄像头等)到 VIDEO矩阵或服务器连接目前使用 DVI-D 形式接口,DVIRFDVI 电缆同轴电缆DVI-D 24PINRF 接头MAX20 米用于服务器 DVI 输出MAX500 米75Ω,用于音视频信号的远距离混合传输4 芯串口电RS-232缆用于控制 PC 和服务器及控ETHERNETUTP CAT5RJ45MAX100 米制服务器的连接,也用于网络计算机图像的传输D-SUB 9PINMAX15 米用于 PC 或服务器的连接④系统安装:我公司将规范的工程安装,所需的仪器和专用工具由我方负责。具体工具及测试仪器清单如下:序号1234567系统安装工程标准:(1)底座与地面需固定。(2)具有良好的接地。(3)色彩一致性调整。(4)控制...

1、当您付费下载文档后,您只拥有了使用权限,并不意味着购买了版权,文档只能用于自身使用,不得用于其他商业用途(如 [转卖]进行直接盈利或[编辑后售卖]进行间接盈利)。
2、本站所有内容均由合作方或网友上传,本站不对文档的完整性、权威性及其观点立场正确性做任何保证或承诺!文档内容仅供研究参考,付费前请自行鉴别。
3、如文档内容存在违规,或者侵犯商业秘密、侵犯著作权等,请点击“违规举报”。

碎片内容

DLP大屏幕标准施工方案及流程

确认删除?
VIP
微信客服
  • 扫码咨询
会员Q群
  • 会员专属群点击这里加入QQ群
客服邮箱
回到顶部