电脑桌面
添加小米粒文库到电脑桌面
安装后可以在桌面快捷访问

SLOW系列双吸泵检修工艺规程

SLOW系列双吸泵检修工艺规程_第1页
1/6
SLOW系列双吸泵检修工艺规程_第2页
2/6
SLOW系列双吸泵检修工艺规程_第3页
3/6
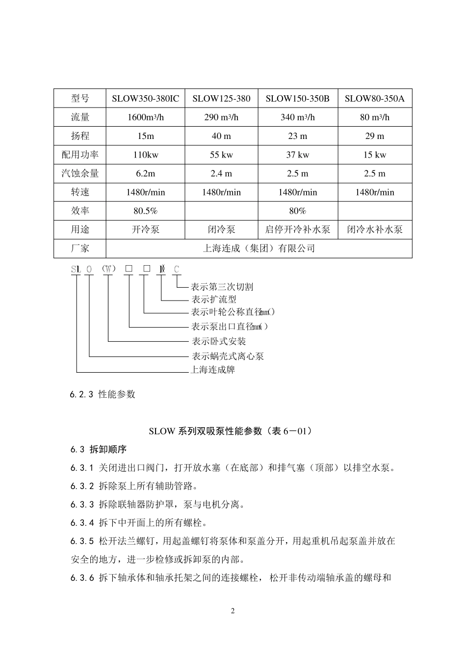
SLOW 系列双吸泵检修工艺规程6.1 作用SLOW 系列双吸泵是一种单级双吸水平中开蜗壳式离心泵,被应用于我公司六期开冷、闭冷水系统,用来提升系统水压,向各换热设备(冷却器)、转动设备(轴承、机封等处)提供冷却水和密封用水。6.2 设备结构及性能参数6.2.1 结构简图图 6-016.2.2 型号含义1型号流量扬程配用功率汽蚀余量转速效率用途厂家SLOW350-380IC1600m3/h15m110kw6.2m1480r/min80.5%开冷泵SLOW125-380290 m3/h40 m55 kw2.4 m1480r/min闭冷泵SLOW150-350B340 m3/h23 m37 kw2.5 m1480r/min80%启停开冷补水泵SLOW80-350A80 m3/h29 m15 kw2.5 m1480r/min闭冷水补水泵上海连成(集团)有限公司( ) □ □ ()表示第三次切割表示扩流型表示叶轮公称直径(mm表示泵出口直径(mm )表示卧式安装表示蜗壳式离心泵上海连成牌6.2.3 性能参数SLOW 系列双吸泵性能参数(表 6-01)6.3 拆卸顺序6.3.1 关闭进出口阀门,打开放水塞(在底部)和排气塞(顶部)以排空水泵。6.3.2 拆除泵上所有辅助管路。6.3.3 拆除联轴器防护罩,泵与电机分离。6.3.4 拆下中开面上的所有螺栓。6.3.5 松开法兰螺钉,用起盖螺钉将泵体和泵盖分开,用起重机吊起泵盖并放在安全的地方,进一步检修或拆卸泵的内部。6.3.6 拆下轴承体和轴承托架之间的连接螺栓, 松开非传动端轴承盖的螺母和2连接螺栓。6.3.7 将轴承体退出凹槽(指出口直径小于等于 350mm 的泵有凹凸的轴承体;没有凹凸的轴承体要连转子一同吊出),并将转子吊出泵体,平放在安全的地方进一步拆卸。6.3.8 拆下泵联轴器(应使用拉马,决不允许铁锤直接敲击)。6.3.9 拆下两侧轴承体及外侧轴承压盖。6.3.10 松开并拆下锁紧螺母及止退垫圈。6.3.11 从轴上拆下深沟球轴承包括轴承套(对于出口直径大于 350mm 的泵,应连同轴承体共同拆下)。6.3.12 分别拆下内侧轴承压盖、挡水圈、密封压盖、取出密封体(BURGMANN机械密封)。6.3.13 拆下轴套(有轴套锁母的结构,应先拆下轴套锁母)。6.3.14 拆下叶轮上的密封环,用铜棒轻轻敲击叶轮轮毂,将叶轮和轴分离。6.4 零部件的检修及质量标准6.4.1 轴的检修及质量标准a)泵轴表面清锈、光洁、无损伤、沟痕和裂纹。b)用千分表测轴的弯曲值不得超过 0.05mm。c)轴上螺纹完整,无乱扣现象,与螺母配合不松旷卡涩。d)轴上键槽与键配合紧密,无滚槽痕迹。e)轴与叶轮配合间隙 0.03mm~0.05mm,与轴承配合紧力 0mm~0.03mm,靠背...

1、当您付费下载文档后,您只拥有了使用权限,并不意味着购买了版权,文档只能用于自身使用,不得用于其他商业用途(如 [转卖]进行直接盈利或[编辑后售卖]进行间接盈利)。
2、本站所有内容均由合作方或网友上传,本站不对文档的完整性、权威性及其观点立场正确性做任何保证或承诺!文档内容仅供研究参考,付费前请自行鉴别。
3、如文档内容存在违规,或者侵犯商业秘密、侵犯著作权等,请点击“违规举报”。

碎片内容

SLOW系列双吸泵检修工艺规程

爱的疯狂+ 关注
实名认证
内容提供者

该用户很懒,什么也没介绍

确认删除?
VIP
微信客服
  • 扫码咨询
会员Q群
  • 会员专属群点击这里加入QQ群
客服邮箱
回到顶部