电脑桌面
添加小米粒文库到电脑桌面
安装后可以在桌面快捷访问

施工二次结构砌筑施工工艺标准

施工二次结构砌筑施工工艺标准_第1页
1/17
施工二次结构砌筑施工工艺标准_第2页
2/17
施工二次结构砌筑施工工艺标准_第3页
3/17
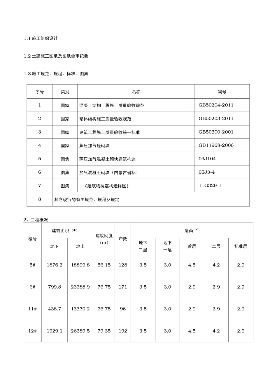
1、编制依据-1-2、工程概况-2-3、施工安排-3-4、施工准备-4-5、施工方法、技术措施-6-1.1 施工组织设计1.2 土建施工图纸及图纸会审纪要1.3 施工规范、规程、标准、图集序号类别名称编号1国家混凝土结构工程施工质量验收规范GB50204-20112国家砌体结构施工质量验收规范GB50203-20113国家建筑工程施工质量验收统一标准GB50300-20014国家蒸压加气砼砌块GB11968-20065图集蒸压加气混凝土砌块建筑构造03J1046图集加气混凝土砌块(内蒙古省标)05J3-47图集《建筑物抗震构造详图》11G329-18其它现行的有关规范、规程及规定2、工程概况楼号建筑面积(*)建筑冋度(m)户数层咼(m)地下地上地下二层地下一层首层二层标准层5#1876.218899.856.151283.53.04.54.22.96#799.823388.976.751713.53.02.92.92.911#438.713370.276.75963.53.02.92.92.912#1929.126389.579.351923.53.04.54.22.9砌体原材料要求加气块种类及强度内墙 A3.5、外墙 A5;干密度等级 B06砂浆种类及强度M7.5 专用砂浆各楼层墙底部材料、种类及高度外墙、卫生间等遇水部位采用 C25 素混凝土翻高 200mm各楼层墙顶部材料、种类及高度斜砌普通砖(离梁板<10mm 采用发泡剂)水平圈梁位置或标高高度超过 4m 的墙体中部砼强度C25厚度180mmX 墙宽配筋情况4C10,A6@200构造柱间距<4m砼强度C25配筋4C12,A6@200与墙体拉结筋2A6@500过梁门洞过梁均预制过梁尺寸及配筋详见结通-01(六、填充墙第 2 条)剪力墙与填充墙的拉结筋设置应沿咼度每 500 预埋 2A6 通长。3、施工安排3.1 施工组织及职责分工分工项目姓名职责项目部砌筑总负责人叶海军负责砌筑施工的总体协调和生产安排项目部材料采购负责人胡斌杰负责砌体工程各种相关材料的采购项目部材料保管负责人严洪堂负责各种材料的验收、保管和发放项目部安全及防护负责人胡震州负责施工现场的安全文明施工及防护项目部专职质检员王向锋负责砌体工程各环节的检查、验收和报验项目部专职试验员倪小栋负责砌块、砂浆的检验、取样、复试工作分包队砌筑总负责人黎光富负责施工班组的每日安排、协调和交底分包队专职质检员黎光富负责施工过程中的随时质量检查和报验模板支拆罗招得钢筋绑扎黄太贵砼浇筑黎光富4、施工准备 4.1 技术准备(1)测量放线:由项目部测量员依据施工图,在楼面放出二次结构墙体的轴线、边线、控制线、构造柱及门洞口位置线,并经项目质检员和监理验线合格。(2)根据各层层高和不同部位,事先画出各面墙体的砌块排...

1、当您付费下载文档后,您只拥有了使用权限,并不意味着购买了版权,文档只能用于自身使用,不得用于其他商业用途(如 [转卖]进行直接盈利或[编辑后售卖]进行间接盈利)。
2、本站所有内容均由合作方或网友上传,本站不对文档的完整性、权威性及其观点立场正确性做任何保证或承诺!文档内容仅供研究参考,付费前请自行鉴别。
3、如文档内容存在违规,或者侵犯商业秘密、侵犯著作权等,请点击“违规举报”。

碎片内容

施工二次结构砌筑施工工艺标准

您可能关注的文档

确认删除?
VIP
微信客服
  • 扫码咨询
会员Q群
  • 会员专属群点击这里加入QQ群
客服邮箱
回到顶部