电脑桌面
添加小米粒文库到电脑桌面
安装后可以在桌面快捷访问

低压电工实操考试实用实用标准

低压电工实操考试实用实用标准_第1页
1/13
低压电工实操考试实用实用标准_第2页
2/13
低压电工实操考试实用实用标准_第3页
3/13
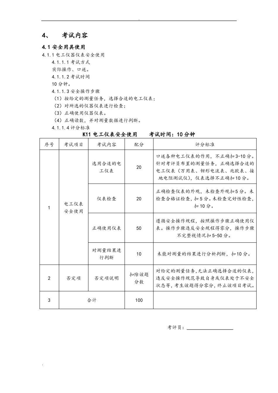
.低压电工作业安全技术实际操作考试标准1、2、3、制定依据考试方式考试要求《低压电工作业安全技术培训大纲及考核标准》。实际操作、仿真模拟操作、口述方式。3.1 实操科目及内容3.1.1 科目 1:安全用具使用(简称 K1)3.1.1.1 电工仪表安全使用(简称 K11)3.1.1.2 电工安全用具使用(简称 K12)3.1.1.3 电工安全标示的辨识(简称 K13)3.1.2 科目 2:安全操作技术(简称 K2)3.1.2.1 电动机单向连续运转接线(带点动控制)(简称 K21)3.1.2.2 三相异步电动机正反运行的接线及安全操作(简称K22)3.1.2.3 单相电能表带照明灯的安装及 接线(简称 K23)3.1.2.4 带熔断器(断路器)、仪表、电流互感器的电动机运行控制电路接线(简称 K24)3.1.2.5 导线的连接(简称 K25)3.1.3 科目 3:作业现场安全隐患排除(简称 K3)3.1.3.1 判断作业现场存在的安全风险、职业危害(简称K31)3.1.3.2 结合实际工作任务,排除作业现场存在的安全风险、职业危害(简称K32)3.1.4.科目 4:作业现场应急处置(简称 K4)3.1.4.1 出点事故现场的应急处理(简称 K41)3.1.4.2 单人徒手心肺复苏操作(简称 K42)3.1.4.3 灭火器的选择和使用(简称 K43)3.2 组卷方式实际试卷从上述四类考题中,各抽取一道实操题组成。具体题目由考试系统或考生抽取产生。3.3 考试成绩实际考试成绩总分值为 100 分,80 分(含)以上为考试合格;若考题中设置有否决项,否决项未通过,则实操考试不合格。科目 1、科目 2、科目 3、科目 4 的分值权重分别为 20%、40%、20%、20%。3.4 考试时间60 分钟。..4、考试内容4.1 安全用具使用4.1.1 电工仪器仪表安全使用4.1.1.1 考试方式实际操作、口述。4.1.1.2 考试时间10 分钟。4.1.1.3 安全操作步骤(1)按给定的测量任务,选择合适的电工仪表;(2)对所选的仪器仪表进行检查;(3)正确使用仪器仪表。(4)正确读数,并对测量数据进行判断。4.1.1.4 评分标准K11 电工仪表安全使用考试时间:10 分钟序号考试项目考试内容配分评分标准口述各种电工仪表的作用,不正确扣 3-10 分。针对考评员布置的测量任务,正确选择合适的电工仪表(万用表、钳形电流表、兆欧表、接地电阻测试仪),仪表选择不正确扣 10 分。正确检查仪表的外观,未检查外观扣 5 分。未检查合格证检查,扣 5 分。未检查完好性检查,扣 10 分。遵循安全操作规程,按照操作步骤正确使用仪表。操作步骤违反安...

1、当您付费下载文档后,您只拥有了使用权限,并不意味着购买了版权,文档只能用于自身使用,不得用于其他商业用途(如 [转卖]进行直接盈利或[编辑后售卖]进行间接盈利)。
2、本站所有内容均由合作方或网友上传,本站不对文档的完整性、权威性及其观点立场正确性做任何保证或承诺!文档内容仅供研究参考,付费前请自行鉴别。
3、如文档内容存在违规,或者侵犯商业秘密、侵犯著作权等,请点击“违规举报”。

碎片内容

低压电工实操考试实用实用标准

确认删除?
VIP
微信客服
  • 扫码咨询
会员Q群
  • 会员专属群点击这里加入QQ群
客服邮箱
回到顶部