电脑桌面
添加小米粒文库到电脑桌面
安装后可以在桌面快捷访问

焊工(中级)理论知识标准比重表鉴定要素细目表

焊工(中级)理论知识标准比重表鉴定要素细目表_第1页
1/15
焊工(中级)理论知识标准比重表鉴定要素细目表_第2页
2/15
焊工(中级)理论知识标准比重表鉴定要素细目表_第3页
3/15
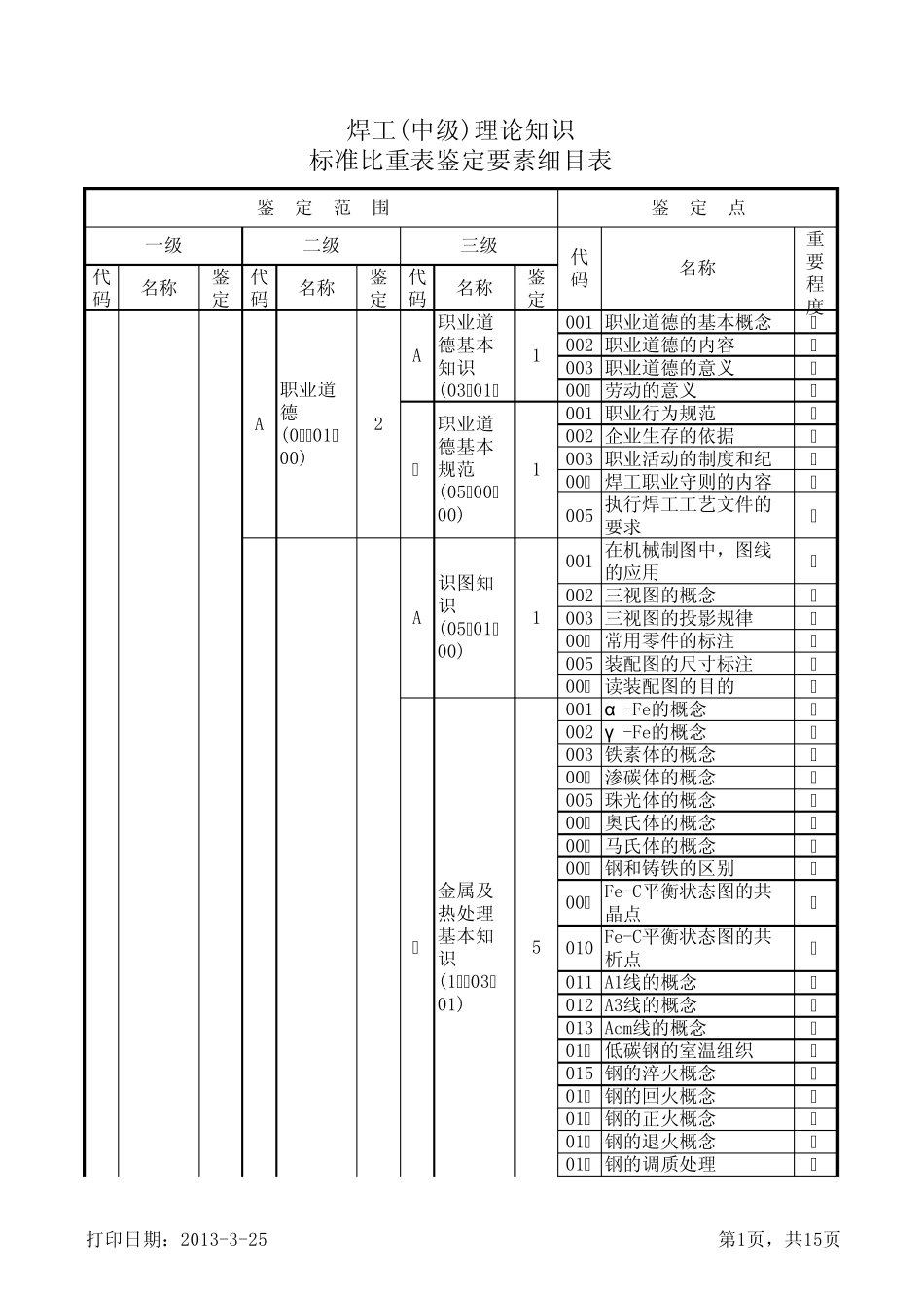
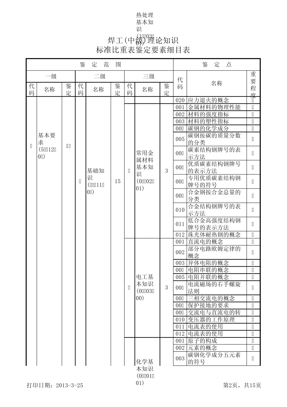
代码名称鉴定代码名称鉴定代码名称鉴定001 职业道德的基本概念X002 职业道德的内容X003 职业道德的意义X004 劳动的意义Y001 职业行为规范X002 企业生存的依据X003 职业活动的制度和纪X004 焊工职业守则的内容X005 执行焊工工艺文件的要求X001 在机械制图中,图线的应用X002 三视图的概念Y003 三视图的投影规律 X004 常用零件的标注X005 装配图的尺寸标注 X006 读装配图的目的X001 α -Fe的概念X002 γ -Fe的概念X003 铁素体的概念X004 渗碳体的概念X005 珠光体的概念X006 奥氏体的概念X007 马氏体的概念X008 钢和铸铁的区别Z009 Fe-C平衡状态图的共晶点X010 Fe-C平衡状态图的共析点X011 A1线的概念X012 A3线的概念X013 Acm线的概念Y014 低碳钢的室温组织 X015 钢的淬火概念X016 钢的回火概念Y017 钢的正火概念Y018 钢的退火概念X019 钢的调质处理X焊工(中级)理论知识标准比重表鉴定要素细目表鉴 定 范 围鉴 定 点一级二级三级代码名称重要程度职业道德基本知识(03:01:1A职业道德(08:01:00)2职业道德基本规范(05:00:00)1BAA识图知识(05:01:00)1B金属及热处理基本知识(16:03:01)5打印日期:2013-3-25第 1页 ,共15页代码名称鉴定代码名称鉴定代码名称鉴定焊工(中级)理论知识标准比重表鉴定要素细目表鉴 定 范 围鉴 定 点一级二级三级代码名称重要程度020 应力退火的概念X001 金属材料的物理性能Z002 材料的强度指标X003 材料的塑性指标X004 碳钢的化学成分X005 碳钢按碳的质量分数的分类X006 碳素结构钢牌号的表示方法X007 优质碳素结构钢牌号的表示方法X008 专用优质碳素结构钢牌号的符号X009 合金钢按合金总量的分类Y010 合金结构钢牌号的表示方法X011 低合金高强度结构钢牌号的表示方法X012 珠光体耐热钢的概念Y001 直流电的概念X002 部分电路欧姆定律的概念X003 异体电阻的概念X004 电阻串联的概念Y005 电阻并联的概念Y006 电流磁场的右手螺旋法则Y007 三相交流电的概念X008 保护接地的要求X009 交流电与直流电的转X010 变压器的工作原理X011 电流表的使用X012 电流表的使用X001 原子的构成Y002 元素的概念Z003 碳钢化学成分五元素的符号XA基本要求(56:12:04)17B基础知识(48:11:04)15热处理基本知识(16:03:01)C常用金属材料基本知识(09:02:01)化学基本知识(04:01:01)3D电工基本知识(09:03:00)3打印日期:2013-3-25第 2页 , 共 1...

1、当您付费下载文档后,您只拥有了使用权限,并不意味着购买了版权,文档只能用于自身使用,不得用于其他商业用途(如 [转卖]进行直接盈利或[编辑后售卖]进行间接盈利)。
2、本站所有内容均由合作方或网友上传,本站不对文档的完整性、权威性及其观点立场正确性做任何保证或承诺!文档内容仅供研究参考,付费前请自行鉴别。
3、如文档内容存在违规,或者侵犯商业秘密、侵犯著作权等,请点击“违规举报”。

碎片内容

焊工(中级)理论知识标准比重表鉴定要素细目表

确认删除?
VIP
微信客服
  • 扫码咨询
会员Q群
  • 会员专属群点击这里加入QQ群
客服邮箱
回到顶部