电脑桌面
添加小米粒文库到电脑桌面
安装后可以在桌面快捷访问

焊接工艺评定报告(16mm埋弧焊1232)

焊接工艺评定报告(16mm埋弧焊1232)_第1页
1/6
焊接工艺评定报告(16mm埋弧焊1232)_第2页
2/6
焊接工艺评定报告(16mm埋弧焊1232)_第3页
3/6
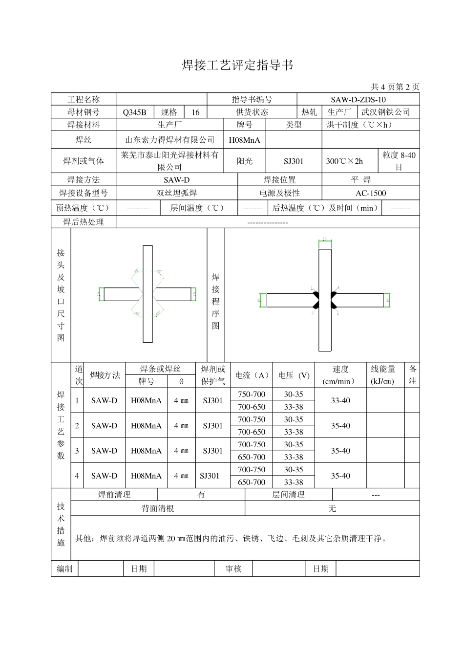
焊接工艺评定报告 共4 页第1 页 工程名称 评定报告编号 SAW-D-BG-10 委托单位 工艺指导书编号 SAW-D-ZDS-10 项目负责人 依据标准 建筑钢结构焊接技术规程 试样焊接单位 施焊日期 2005-04-05 焊工 资格代号 级 别 中级 母材钢号 Q345B 规格 16 ㎜ 供货状态 热轧 生产厂 武汉钢铁公司 化学成分和机械性能 C (%) Mn (%) Si (%) S (%) P (%) σs (Mpa) σb (Mpa) δ(%) Φ(%) Akv (J) 标准 0.12-0.20 1.20-1.60 0.20-0.55 0.045 0.045 ≥325 470-630 22 ≥34 合格证 0.16 1.35 0.28 0.020 0.019 380 570 26 86 复验 碳当量 0.262 公式 Cep=C+Mn/6+(Cr+Mo+V)/5+(Ni+Cu )/15 焊接材料 生产厂 牌号 类型 直径(㎜) 烘干制度(℃×h) 备注 焊条 - - - - - - 焊丝 泰安神岳金属制品有限公司 H08MnA 4.0 焊剂或气体 洛阳中原焊剂厂 SJ301 300℃×2h 粒度8-40 目 焊接方法 SAW-D 焊接位置 平焊 接头形式 角接 焊接工艺参数 见焊接工艺评定指导书 清根工艺 层间清理 焊接设备型号 双丝埋弧焊机 电源及极性 AC-1500 预热温度(℃) ------ 层间温度(℃) ---- 后热温度(℃)及时间(min) ------ 焊后热处理 ------- 评定结论:本评定按《建筑钢结构焊接技术规程》(JGJ81—2002)规定, 根据工程情 况 编制工艺评定指导书、 焊接试件 、 制取 并 检 验试样、 测 定性能, 确 认 试验记 录 正 确 , 评定结果 为 :______合格_______。焊接条件 及工艺参数适 用 范 围 按本评定指导书规定执 行 。 评 定 评定单位: (签 章 ) 审 核 技术负责 焊接工艺评定指导书 共4 页第2 页 工程名称 指导书编号 SAW-D-ZDS-10 母材钢号 Q345B 规格 16 供货状态 热轧 生产厂 武汉钢铁公司 焊接材料 生产厂 牌号 类型 烘干制度(℃×h) 焊丝 山东索力得焊材有限公司 H08MnA 焊剂或气体 莱芜市泰山阳光焊接材料有限公司 阳光 SJ301 300℃×2h 粒度8-40目 焊接方法 SAW-D 焊接位置 平 焊 焊接设备型号 双丝埋弧焊 电源及极性 AC-1500 预热温度(℃) -------- 层间温度(℃) ------- 后热温度(℃)及时间(min) ------- 焊后热处理 --------------- 接 头 及 坡 口 尺 寸 图 焊 接 程 序 图 焊接工艺参数 道 次 焊接...

1、当您付费下载文档后,您只拥有了使用权限,并不意味着购买了版权,文档只能用于自身使用,不得用于其他商业用途(如 [转卖]进行直接盈利或[编辑后售卖]进行间接盈利)。
2、本站所有内容均由合作方或网友上传,本站不对文档的完整性、权威性及其观点立场正确性做任何保证或承诺!文档内容仅供研究参考,付费前请自行鉴别。
3、如文档内容存在违规,或者侵犯商业秘密、侵犯著作权等,请点击“违规举报”。

碎片内容

焊接工艺评定报告(16mm埋弧焊1232)

确认删除?
VIP
微信客服
  • 扫码咨询
会员Q群
  • 会员专属群点击这里加入QQ群
客服邮箱
回到顶部