电脑桌面
添加小米粒文库到电脑桌面
安装后可以在桌面快捷访问

焊接工艺评定报告(管道用)VIP专享

焊接工艺评定报告(管道用)_第1页
1/17
焊接工艺评定报告(管道用)_第2页
2/17
焊接工艺评定报告(管道用)_第3页
3/17
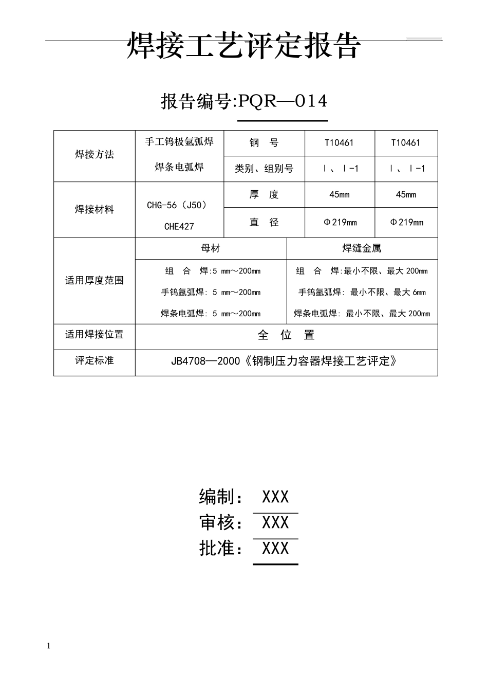
1 焊 接 工 艺 评 定 报 告 报 告 编 号 :PQR— 014 焊 接 方 法 手 工 钨 极 氩 弧 焊 焊 条 电 弧 焊 钢 号 T10461 T10461 类别、组别号 Ⅰ、Ⅰ-1 Ⅰ、Ⅰ-1 焊接材料 CHG-56(J50) CHE427 厚 度 45mm 45mm 直 径 Φ219mm Φ219mm 适用厚度范围 母材 焊缝金属 组 合 焊:5 mm~200mm 手钨氩弧焊: 5 mm~200mm 焊条电弧焊: 5 mm~200mm 组 合 焊:最小不限、最大 200mm 手钨氩弧焊: 最小不限、最大 6mm 焊条电弧焊: 最小不限、最大 200mm 适用焊接位置 全 位 置 评定标准 JB4708—2000《钢制压力容器焊接工艺评定》 编制: XXX 审核: XXX 批准: XXX 2 XXX 公司XXX 分公司 目 录 目 次 页 次 1、焊接工艺指导书WPS—014……………………………1~2 2、焊接工艺评定报告 PQR—014…………………………3~5 3、焊接工艺评定施焊记录 ……………………………………6 4、焊缝外观质量检查报告 ……………………………………7 5、超声波探伤报告 ……………………………………………8 6、力学性能检验报告 …………………………………………9 7、钢材质量证明书 ………………………………………10~16 8、焊条质量证明书 ………………………………………17~20 9、焊丝质量证明书 ……………………………………………21 3 焊 接 工 艺 指 导 书 单位名称: XXX 公司XXX 分公司 焊接工艺指导书编号: WPS—014 日期: 2011、2、12 焊接工艺评定报告编号: PQR—014 焊接方法:手工钨极氩弧焊——焊条电弧焊 机械化程度 手工 (手工、半自动、自动) 焊接接头: 接头形式 管—管对接 坡口形式 U 形 衬垫(材料及规格) 无 其它 用机加工加工坡口 4 简图: 接头形式:对接; 坡口形式:U 形; 坡口尺寸:P=~1.0 mm;α=55~60°; b=~3.2mm; h=~3.0 mm;δ=45mm。 共焊 10 层,单道焊,采用单面焊双面成形技术焊接; 先焊第 1 层(打底层),采用手工钨极氩弧焊; 再焊第 2、3、4、5、6、7、8、9 层(中间层),采用焊条电弧焊; 最后焊第 10 层(盖面层),采用焊条电弧焊。 母材: 类别号 Ⅰ 组别号 Ⅰ-1 与类别号 Ⅰ 组别号 Ⅰ-1 相焊及 标准号 钢号 与标准号 钢号 相焊 厚度范围: 母材:对接焊缝 组合焊:5~200mm;GTAW:5 mm~200mm; SMAW:5...

1、当您付费下载文档后,您只拥有了使用权限,并不意味着购买了版权,文档只能用于自身使用,不得用于其他商业用途(如 [转卖]进行直接盈利或[编辑后售卖]进行间接盈利)。
2、本站所有内容均由合作方或网友上传,本站不对文档的完整性、权威性及其观点立场正确性做任何保证或承诺!文档内容仅供研究参考,付费前请自行鉴别。
3、如文档内容存在违规,或者侵犯商业秘密、侵犯著作权等,请点击“违规举报”。

碎片内容

焊接工艺评定报告(管道用)

确认删除?
VIP
微信客服
  • 扫码咨询
会员Q群
  • 会员专属群点击这里加入QQ群
客服邮箱
回到顶部