电脑桌面
添加小米粒文库到电脑桌面
安装后可以在桌面快捷访问

熔接机、切割刀培训教材(补充)FSM60S型光纤熔接机William

熔接机、切割刀培训教材(补充)FSM60S型光纤熔接机William_第1页
1/6
熔接机、切割刀培训教材(补充)FSM60S型光纤熔接机William_第2页
2/6
熔接机、切割刀培训教材(补充)FSM60S型光纤熔接机William_第3页
3/6
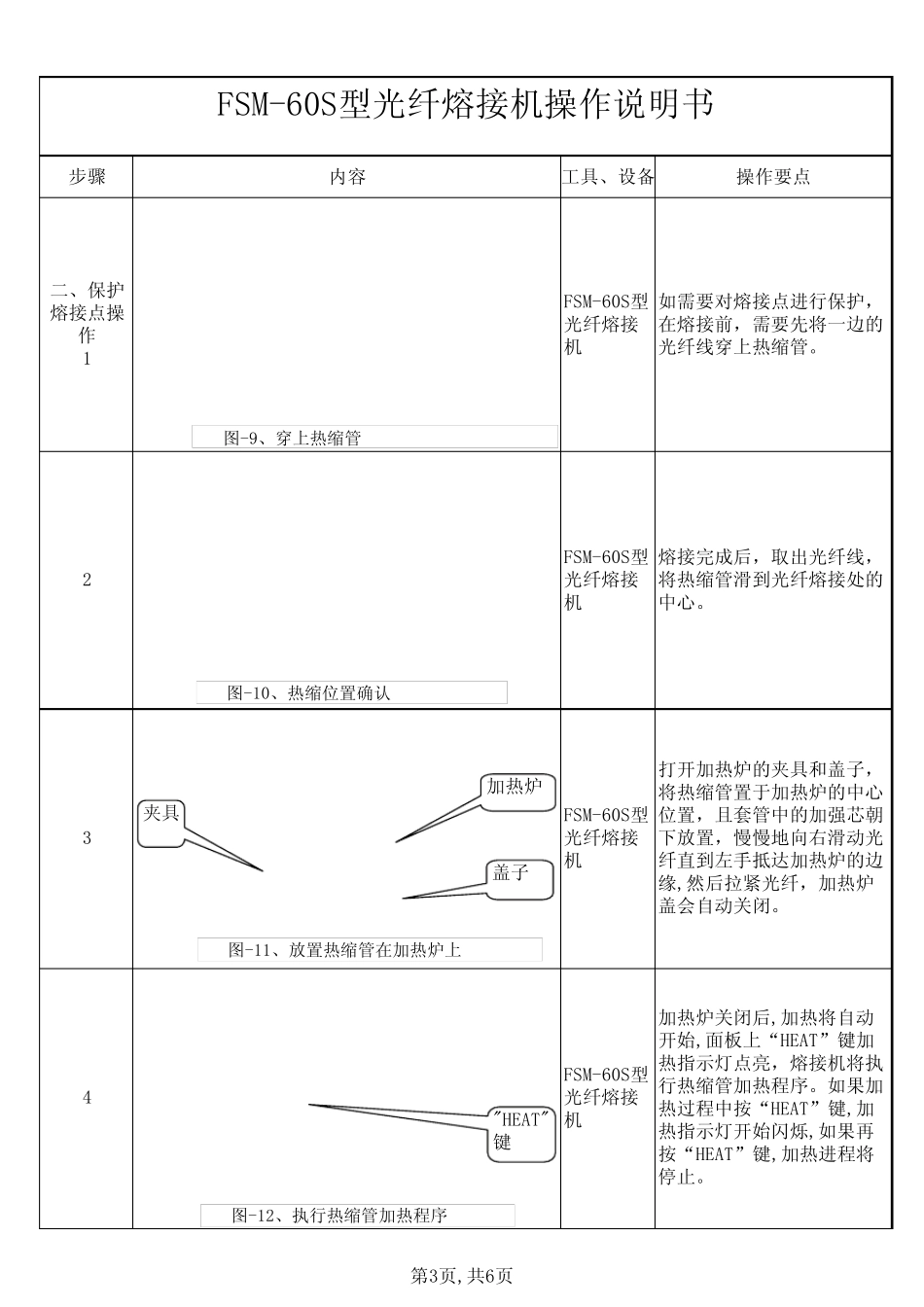
如为其他类型的光纤,应选择对应的熔接程序。按下屏幕边缘的“MENU”菜单键,进入主菜单,移动方向键选择“熔接模式菜单”选项,按“←”确认键进入菜单子项,选择对应的熔接程序,退出时,可重复按“ESC”退出键退到显示待机屏幕。打开防风罩,将左右两边的光纤压板打开,放置光纤,确保光纤已被剥除、清洁和切割,然后盖上光纤压板,关闭防风罩。FSM-60S型光纤熔接机43步骤内容一、光纤熔接操作1.FSM-60S型光纤熔接机2FSM-60S型光纤熔接机FSM-60S型光纤熔接机操作说明书FSM-60S型光纤熔接机操作要点首先将熔接机的电源输入端接上配套的专用电源线,接通220V交流电源。工具、设备按下操作面板上“ ON/OFF”按键,电源指示灯亮,熔接机将进行复位自检,自检完毕,屏幕显示“准备”,待机画面显示,其中:熔接模式“SM FAST”表示熔接程序用于标准的单模光纤快速熔接.加热模式“60mm”表示加热程序用于加热标准60mm热缩管。 图-1、连接电源图-3、选择熔接模式图-4、 放置光纤 图-2、开机防风罩光纤线光纤压板电源接入熔接机本体ON/OFF按键MENU键方向键确认键ESC键 第1页,共6页 步骤内容FSM-60S型光纤熔接机操作说明书操作要点工具、设备8FSM-60S型光纤熔接机5按“SET”键或打开防风罩,熔接机将自动对光纤熔接点进行拉力测试,大小为1.96N(200gf),测试过程中,检查结束后屏幕显示“准备”,此时可以打开光纤压板,取出光纤,完成熔接操作。按下屏幕边缘上的“MENU"菜单键,进入主菜单,选择“放电校正”选项,按下“确认键”,确认左右两边的光纤线已正确放置,再按一次“确认键”,将执行“放电校正”功能。FSM-60S型光纤熔接机通过放电校正后,将光纤线从熔接机上取下,重新进行剥除、清洁和切割步骤,并放置在熔接机上,然后按下操作面板上的“SET”键,执行熔接操作。7FSM-60S型光纤熔接机熔接完成后,屏幕将显示熔接估算结果,正常的推断损耗值合格范围为:SM≤0.03dB,MM≤0.02dB,如熔接估算损耗偏大,必须重新切割光纤线,再次熔接,直至合格为止。6FSM-60S型光纤熔接机 图-5、放电校正图-6、执行熔接操作SET键图-7、显示熔接估算损耗图-8、进行拉力测试选择"放电校正"打开防风 第2页,共6页 步骤内容FSM-60S型光纤熔接机操作说明书操作要点工具、设备32熔接完成后,取出光纤线,将热缩管滑到光纤熔接处的中心。如需要对熔接点进行保护,在熔接前,需要先将一边的光纤线穿上热缩管。二、保护熔接点操作1FSM-60S型光纤熔接机FSM-60S型光纤熔...

1、当您付费下载文档后,您只拥有了使用权限,并不意味着购买了版权,文档只能用于自身使用,不得用于其他商业用途(如 [转卖]进行直接盈利或[编辑后售卖]进行间接盈利)。
2、本站所有内容均由合作方或网友上传,本站不对文档的完整性、权威性及其观点立场正确性做任何保证或承诺!文档内容仅供研究参考,付费前请自行鉴别。
3、如文档内容存在违规,或者侵犯商业秘密、侵犯著作权等,请点击“违规举报”。

碎片内容

熔接机、切割刀培训教材(补充)FSM60S型光纤熔接机William

确认删除?
VIP
微信客服
  • 扫码咨询
会员Q群
  • 会员专属群点击这里加入QQ群
客服邮箱
回到顶部