电脑桌面
添加小米粒文库到电脑桌面
安装后可以在桌面快捷访问

特种电缆型号规格查询

特种电缆型号规格查询_第1页
1/15
特种电缆型号规格查询_第2页
2/15
特种电缆型号规格查询_第3页
3/15
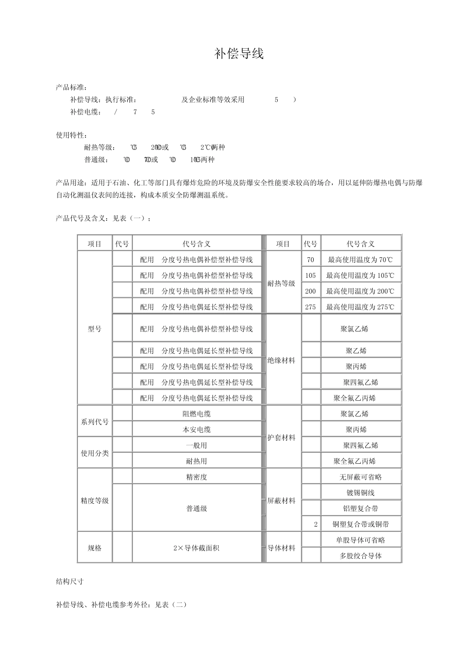
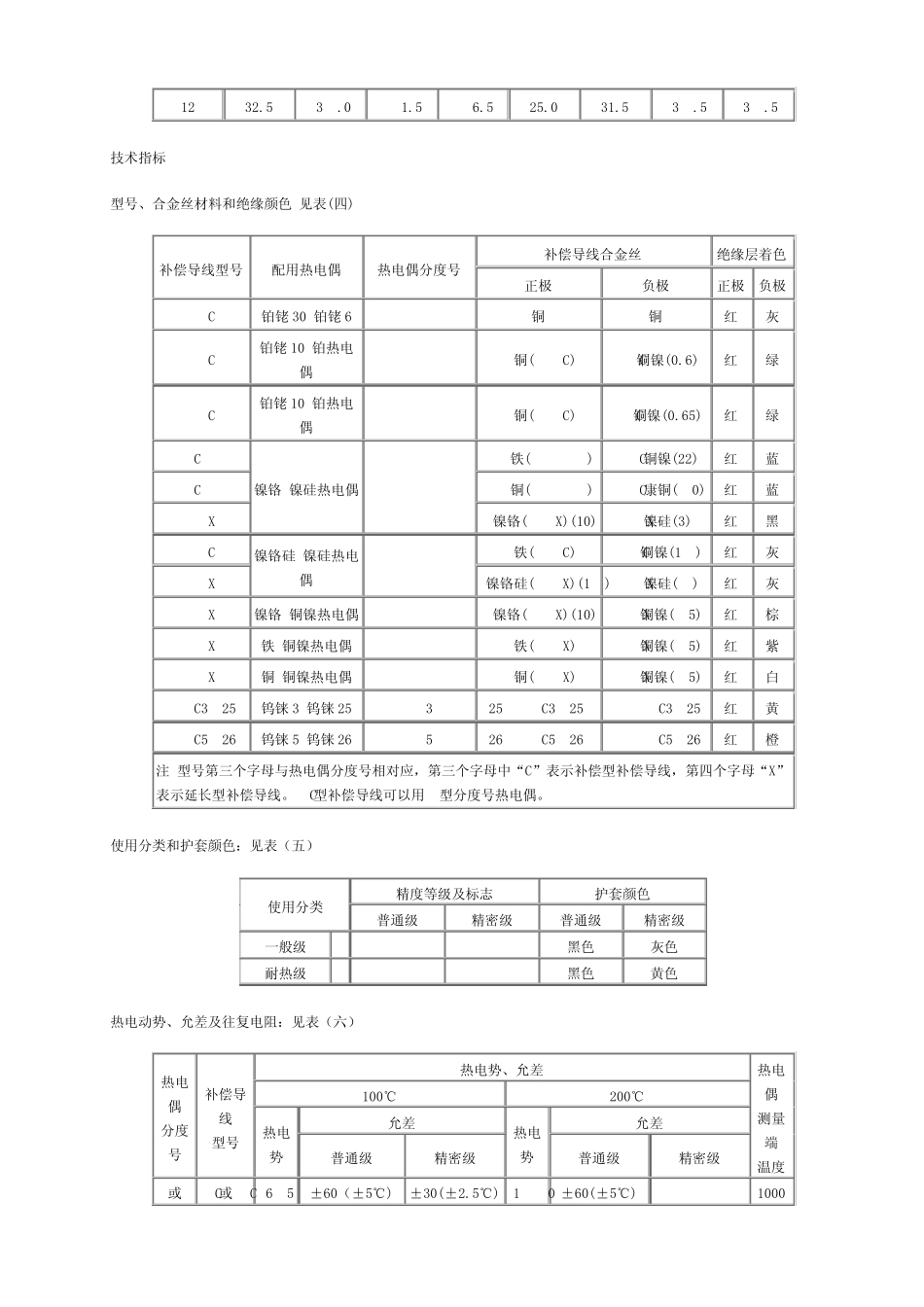
补 偿 导 线 产 品 标 准 : 补 偿 导 线 : 执 行 标 准 : GB/T4989-94及 企 业 标 准 等 效 采 用 IEC 584-3(89)) 补 偿 电 缆 : JB/ T 7495-94 使 用 特 性 : 耐 热 等 级 : -65℃ ~+200℃ 或 -65℃ ~+260℃ 两 种 普 通 级 : -40℃ ~+70℃ 或 -40℃ ~+105℃ 两 种 产 品 用 途 : 适 用 于 石 油 、 化 工 等 部 门 具 有 爆 炸 危 险 的 环 境 及 防 爆 安 全 性 能 要 求 较 高 的 场 合 , 用 以 延 伸 防 爆 热 电 偶 与 防 爆自 动 化 测 温 仪 表 间 的 连 接 , 构 成 本 质 安 全 防 爆 测 温 系 统 。 产 品 代 号 及 含 义 : 见 表 ( 一 ) ; 项 目 代 号 代 号 含 义 项 目 代 号 代 号 含 义 型 号 SC 配 用 S分 度 号 热 电 偶 补 偿 型 补 偿 导 线 耐 热 等 级 70 最 高 使 用 温 度 为 70℃ RC 配 用 R分 度 号 热 电 偶 补 偿 型 补 偿 导 线 105 最 高 使 用 温 度 为 105℃ NC 配 用 N分 度 号 热 电 偶 补 偿 型 补 偿 导 线 200 最 高 使 用 温 度 为 200℃ NX 配 用 N分 度 号 热 电 偶 延 长 型 补 偿 导 线 275 最 高 使 用 温 度 为 275℃ KCA KCB 配 用 N分 度 号 热 电 偶 补 偿 型 补 偿 导 线 绝 缘 材 料 V 聚 氯 乙 烯 PVC KX 配 用 K分 度 号 热 电 偶 延 长 型 补 偿 导 线 Y 聚 乙 烯 PE EX 配 用 E分 度 号 热 电 偶 延 长 型 补 偿 导 线 B 聚 丙 烯 PP JX 配 用 J分 度 号 热 电 偶 延 长 型 补 偿 导 线 F4 聚 四 氟 乙 烯 TX 配 用 T分 度 号 热 电 偶 延 长 型 补 偿 导 线 F46 聚 全 氟 乙 丙 烯 FEP 系 列 代 号 ZR 阻 燃 电 缆 护 套 材 料 V 聚 氯 乙 烯 PVC ia 本 安 电 缆 B 聚 丙 烯 PP 使 用 分 类 G 一 般 用 F4 聚 四 氟 乙 烯 H 耐 热 用 F46 聚 全 氟 乙 丙 烯 FEP 精 度 等 级 S 精 密 度 屏 蔽 材 料 / 无 屏 蔽 可 省 略 / 普 通 级 P 镀锡铜线 PL 铝塑复合 带 P...

1、当您付费下载文档后,您只拥有了使用权限,并不意味着购买了版权,文档只能用于自身使用,不得用于其他商业用途(如 [转卖]进行直接盈利或[编辑后售卖]进行间接盈利)。
2、本站所有内容均由合作方或网友上传,本站不对文档的完整性、权威性及其观点立场正确性做任何保证或承诺!文档内容仅供研究参考,付费前请自行鉴别。
3、如文档内容存在违规,或者侵犯商业秘密、侵犯著作权等,请点击“违规举报”。

碎片内容

特种电缆型号规格查询

您可能关注的文档

确认删除?
VIP
微信客服
  • 扫码咨询
会员Q群
  • 会员专属群点击这里加入QQ群
客服邮箱
回到顶部