电脑桌面
添加小米粒文库到电脑桌面
安装后可以在桌面快捷访问

特种设备维护保养计划及记录

特种设备维护保养计划及记录_第1页
1/6
特种设备维护保养计划及记录_第2页
2/6
特种设备维护保养计划及记录_第3页
3/6
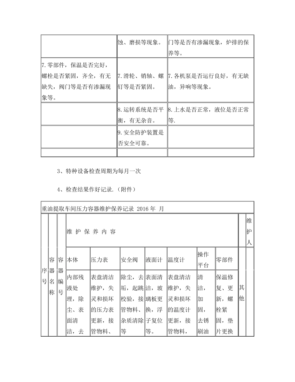
XX 公司特种设备维护保养计划 1、设备维护保养的目的 正确使用与维护设备是设备管理工作的重要环节,是由操作工人和专业人员根据设备的技术资料及参数要求和保养细则来对设备进行一系列的维护工作,也是设备自身运行的客观要求。 2、设备维护保养的内容 静设备 桥门式起重机 锅炉 1.本体,包括内部残液处理,除尘、表面清洁、去锈刷油等。 1.电器线路是否正常,电线是否老化。 1.主体,包括卫生是否清洁。 2.压力表,表盘清洁的维护,失灵和损坏的压力表的更新等。 2.器件、开关、接触器等绝缘性能是否良好。 2.压力表.表盘清洁的维护,失灵和损坏的压力表的更新等。 3.安全阀,卫生是否清洁,起跳实验是否正常等。 3.操作柜各操作按钮,内部接线是否可靠。 3.安全阀,卫生是否清洁,起跳实验是否正常等。 4.液位计,表面是否清洁,玻璃管内部是否有结构等现象,液位是否准确,有无渗漏等。 4.外观检查有无焊列、变形、断裂。 4.液位计,表面是否清洁,玻璃管内部是否有结构等现象,液位是否准确,有无渗漏等。 5.温度计,是否清洁,有无松动,渗漏,温度是否准确等。 5.各部位润滑 是否良好。 5.温度计,是否清洁,有无松动,渗漏,温度是否准确等。 6.操作平 台 ,清洁、加 固 、除锈、刷漆 等. 6.钢 丝 绳 、吊 钩 有无脱 槽 、断裂、锈6.零 部件,保温是否完 好,螺 栓是否紧 固 ,齐 全,有无缺 失,阀蚀、磨损等现象。 门等是否有渗漏现象,炉排的保养等。 7.零部件,保温是否完好,螺栓是否紧固,齐全,有无缺失,阀门等是否有渗漏现象等。 7.滑轮、销轴、螺钉等是否紧固。 7.各机泵是否运行良好,有无缺油,异响等现象。 8.运转系统是否平衡,有无杂音。 8.上水是否正常,液位是否正常等. 9.安全防护装置是否安全可靠。 3、特种设备检查周期为每月一次 4、检查结果作好记录.(附件) 重油提取车间压力容器维护保养记录 2016 年 月 序号 容器名称 容器编号 维 护 保 养 内 容 维护人 本体 压力表 安全阀 液面计 温度计 操作平台 零部件 其他 内部残液处理,除尘、表面清洁,去表盘清洁维护,失灵和损坏的压力表更新,接管物料、除尘,去垢,起跳校验,接管物料、杂质清除等 表面清洁,玻璃板更换,浮子复位等。 表盘清洁维护,失灵和损坏的温度计更新,接管物料,清洁,加固,去锈刷油保温修复、更新,螺栓紧固,垫片更换锈刷油等 杂志清除等 杂质清除等...

1、当您付费下载文档后,您只拥有了使用权限,并不意味着购买了版权,文档只能用于自身使用,不得用于其他商业用途(如 [转卖]进行直接盈利或[编辑后售卖]进行间接盈利)。
2、本站所有内容均由合作方或网友上传,本站不对文档的完整性、权威性及其观点立场正确性做任何保证或承诺!文档内容仅供研究参考,付费前请自行鉴别。
3、如文档内容存在违规,或者侵犯商业秘密、侵犯著作权等,请点击“违规举报”。

碎片内容

特种设备维护保养计划及记录

您可能关注的文档

确认删除?
VIP
微信客服
  • 扫码咨询
会员Q群
  • 会员专属群点击这里加入QQ群
客服邮箱
回到顶部