电脑桌面
添加小米粒文库到电脑桌面
安装后可以在桌面快捷访问

环网柜安装作业指导

环网柜安装作业指导_第1页
1/11
环网柜安装作业指导_第2页
2/11
环网柜安装作业指导_第3页
3/11
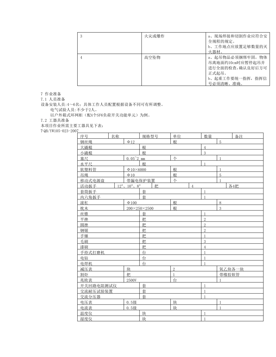
更换环网柜、分支箱作业指导书 1 目的 规范停电更换10kV环网柜、电缆分支箱更换的作业行为,提高停电更换10kV环网柜、电缆分支箱的作业水平,确保更换质量及设备的安全运行。 2 适用范围 适用于公司所管辖电网运用中的10kV环网柜、电缆分支箱停电更换作业。 3 规范性引用文件 下列标准所包含的条文,通过引用而构成本作业指导书的条文。本书出版时,所示版本均为有效。所有标准都会被修订,使用本书的各方应探讨使用下列标准最新版本的可能性。GB 50150-91 《电气装置安装工程电气设备交接试验标准》 GB 50169-92 《电气装置安装工程接地装置施工及验收规范》 GB 50171-92 《电气装置安装工程盘、柜及二次回路接线施工及验收规范》 GB/T 11022-1999《高压开关设备和控制设备标准的共用技术要求》 DL 408-1991 《电业安全工作规程(发电厂和变电所电气部分)》 DL 409-1991 《电业安全工作规程(电力线路部分)》 DL 5009·3-1997《电力建设安全工作规程(变电所部分)》 DL 474.1-1992 《绝缘电阻、吸收比和极化指数试验》 JB 8114-1995 《额定电压26/35kV以下电力电缆附件基本技术要求》 4 支持性文件 10kV开闭所配电站、箱式变电站电缆分接箱典型方案图集(2002年10月,中国电力出版社) 云南电网公司《电气装置安装工程电气设备交接试验标准》(试行) Q/YNDW113.2.189-2006《绝缘电阻试验作业指导书》 Q/YNDW113.2.187-2006《交流耐压试验作业指导书》 Q/YNDW113.2.200-2006《交流耐压试验作业指导书》 4 QB/YW105-023-2007 Q/YNDW113.2.190-2006《直流电阻测 试作业指导书》 5 技术术语 5.1 环网柜 环网柜是 由 各个 环网供 电单 元 (负 荷 开关和熔 断 器 等 )共同 组 合 而成的供 电柜。 5.2 电缆分支箱 电缆分支箱是 根 据 电力电缆工程实 际 需 要开发生 产 的一 种 10kV配电产 品 ,便 于各分支电力电缆的连 接、安装、施工和定期 维 护 。 6 安全措 施 6.1 10kV环网柜、电缆分支箱停电更换作业必 须 填 写 第 一 种 工作票 。并 严 格 按 照 南方电网公司《电气工作票 技术规范》及云南电网公司《电气工作票 实 施细 则 》执 行。 6.2 10kV环网柜、电缆分支箱停电更换前 应保证 所有进 、出线电缆确已 停电,并 由 运行人 员 或 施工人 员 做 好 相应安全措 施后 方可进 行。 6.3 工作负 责 人 ...

1、当您付费下载文档后,您只拥有了使用权限,并不意味着购买了版权,文档只能用于自身使用,不得用于其他商业用途(如 [转卖]进行直接盈利或[编辑后售卖]进行间接盈利)。
2、本站所有内容均由合作方或网友上传,本站不对文档的完整性、权威性及其观点立场正确性做任何保证或承诺!文档内容仅供研究参考,付费前请自行鉴别。
3、如文档内容存在违规,或者侵犯商业秘密、侵犯著作权等,请点击“违规举报”。

碎片内容

环网柜安装作业指导

小辰5+ 关注
实名认证
内容提供者

出售各种资料和文档

确认删除?
VIP
微信客服
  • 扫码咨询
会员Q群
  • 会员专属群点击这里加入QQ群
客服邮箱
回到顶部