电脑桌面
添加小米粒文库到电脑桌面
安装后可以在桌面快捷访问

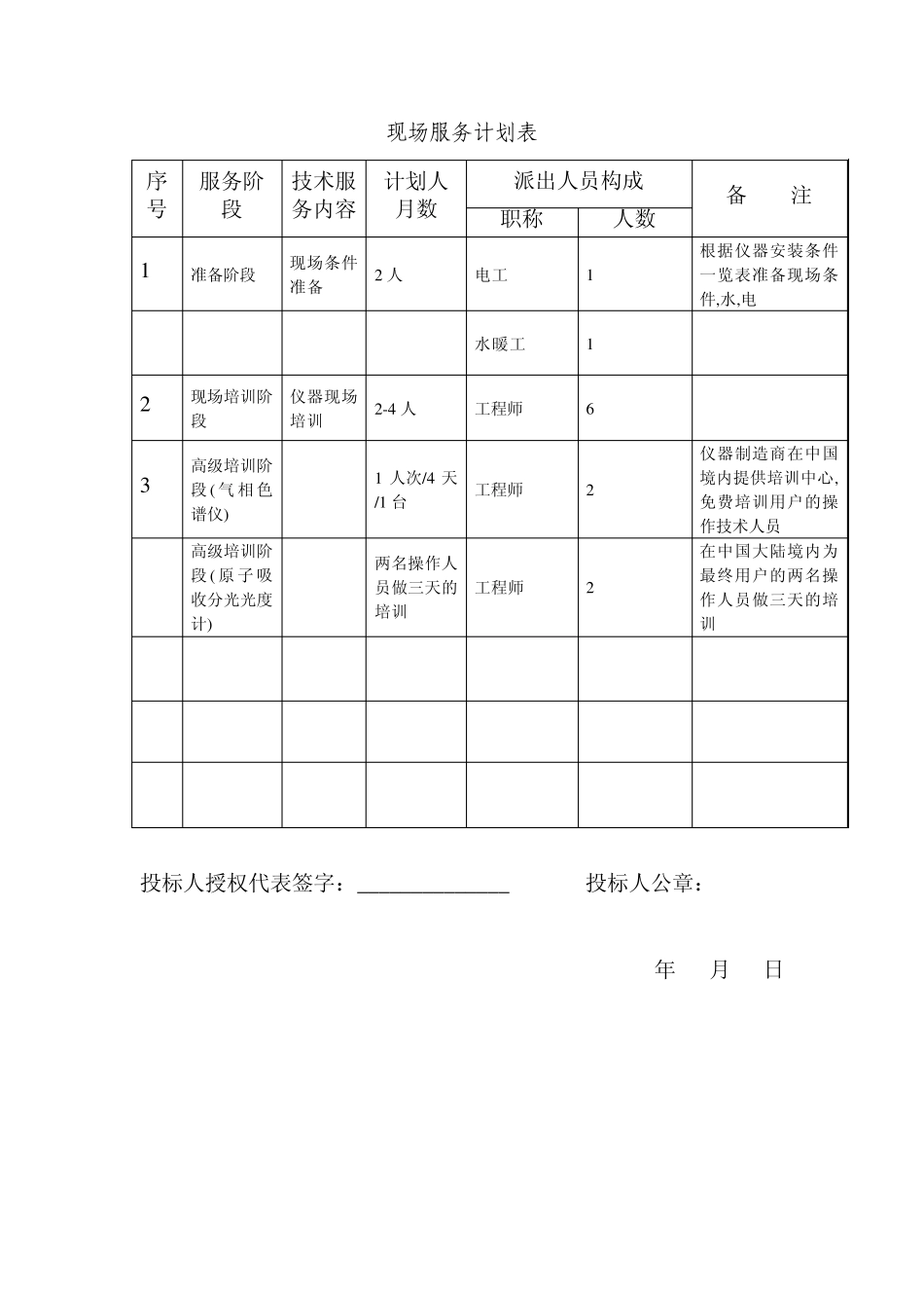
现场服务计划表

现场服务计划表_第1页
1/11
现场服务计划表_第2页
2/11
现场服务计划表_第3页
3/11
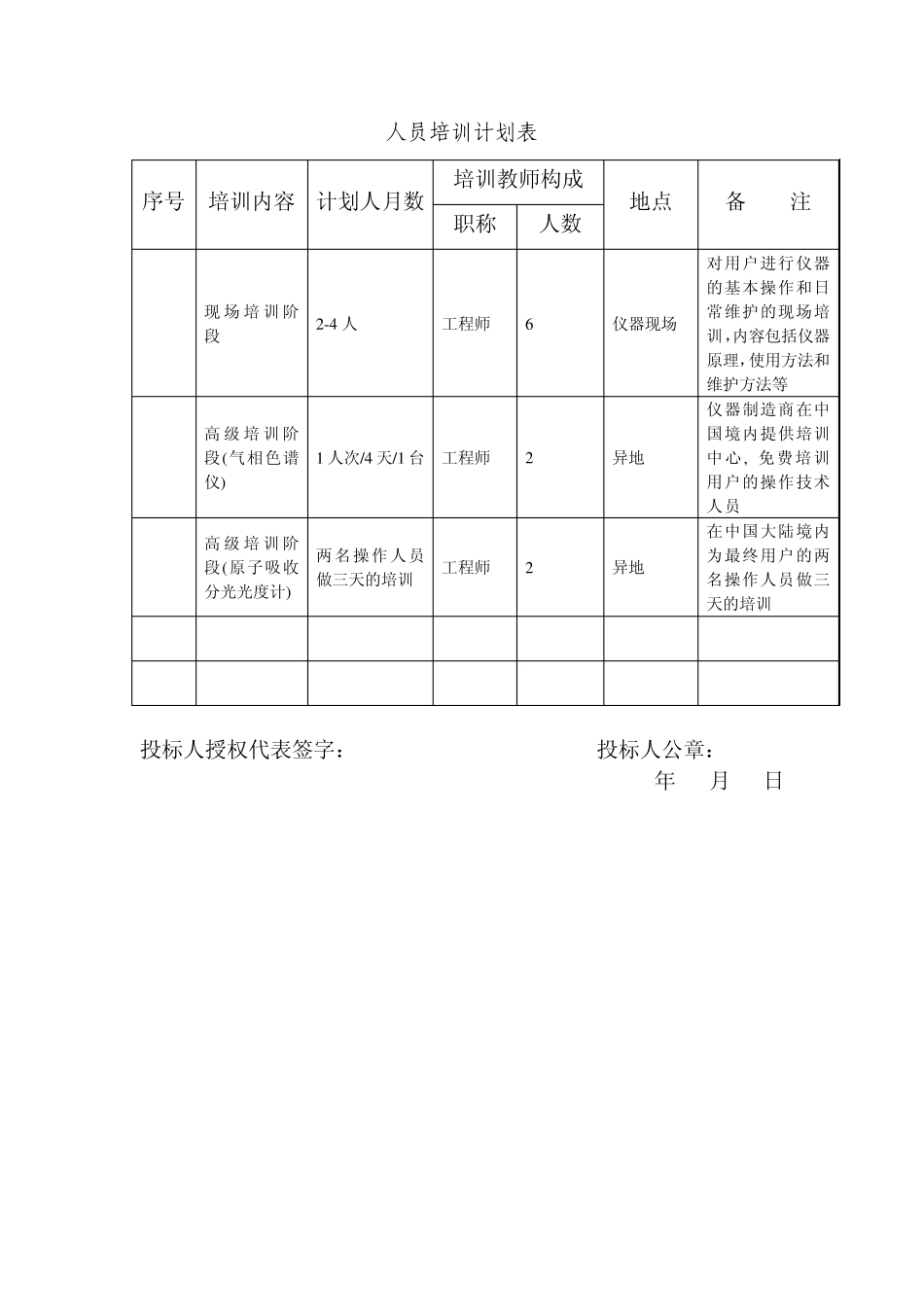
现场服务计划表 序号 服务阶段 技术服务内容 计划人月数 派出人员构成 备 注 职称 人数 1 准备阶段 现场条件准备 2 人 电工 1 根据仪器安装条件一览表准备现场条件,水,电 水暖工 1 2 现场培训阶段 仪器现场培训 2 -4 人 工程师 6 3 高级培训阶段( 气 相 色谱仪) 1 人次/4 天/1 台 工程师 2 仪器制造商在中国境内提供培训中心, 免费培训用户的操作技术人员 高级培训阶段( 原 子 吸收分光光度计) 两名操作人员做三天的培训 工程师 2 在中国大陆境内为最终用户的两名操作人员做三天的培训 投标人授权代表签字:_ _ _ _ _ _ _ _ _ _ _ _ _ _ 投标人公章: 2014年 12月19日 人员培训计划表 序号 培训内容 计划人月数 培训教师构成 地点 备 注 职称 人数 1 现场培训阶段 2 -4 人 工程师 6 仪器现场 对用户进行仪器的基本操作和日常维护的现场培训,内容包括仪器原理,使用方法和维护方法等 2 高级培训阶段(气相色谱仪) 1 人次/4 天/1 台 工程师 2 异地 仪器制造商在中国境内提供培训中心, 免费培训用户的操作技术人员 高级培训阶段(原子吸收分光光度计) 两名操作人员做三天的培训 工程师 2 异地 在中国大陆境内为最终用户的两名操作人员做三天的培训 投标人授权代表签字:______________ 投标人公章: 2014年 12月19日 供货清单 序号 货物名称 型号、规格 单位 数量 材质 产地 生产厂家 备 注 1 万分之一电子分析天平 FA-2104N 台 1 钢,塑 上海 箐华 2 BOD培养箱 SPX-250BⅢ 台 1 不锈钢 天津 泰斯特 3 溶解氧测定仪 JPB-607A 台 1 钢,塑 上海 上海仪电 4 石墨炉/火焰原子吸收分光光度仪 AA6880 台 1 钢,塑 岛津 5 紫外线可见分光光度仪 UV1800PC 台 1 钢,塑 菁华 6 红外测油仪 MAI-50G 台 1 钢,塑 长春 吉大小天鹅 7 原子荧光分光光度仪 RGF-6800 台 1 钢,塑 北京 北京锐光 8 智能烟尘采样仪 TH880F 台 2 钢,塑 武汉 武汉天虹 9 便携式多功能烟气测试仪 OPTIMA7 台 2 钢,塑 德国 约 克 (进 口 品牌) 10 高压灭菌锅 YXQ-LS-50SII 台 1 钢,塑 上海 上海博讯 11 大气采样器 TH-300BVI 台 4 钢,塑 武汉 武汉天虹 12 纯水制备装置 FFX-1502 台 1 钢,塑 青岛 青岛富勒姆 13 声级计 BSWA 308 台 2 钢,塑 北京 北京声望 1...

1、当您付费下载文档后,您只拥有了使用权限,并不意味着购买了版权,文档只能用于自身使用,不得用于其他商业用途(如 [转卖]进行直接盈利或[编辑后售卖]进行间接盈利)。
2、本站所有内容均由合作方或网友上传,本站不对文档的完整性、权威性及其观点立场正确性做任何保证或承诺!文档内容仅供研究参考,付费前请自行鉴别。
3、如文档内容存在违规,或者侵犯商业秘密、侵犯著作权等,请点击“违规举报”。

碎片内容

现场服务计划表

您可能关注的文档

小辰8+ 关注
实名认证
内容提供者

出售各种资料和文档

确认删除?
VIP
微信客服
  • 扫码咨询
会员Q群
  • 会员专属群点击这里加入QQ群
客服邮箱
回到顶部