电脑桌面
添加小米粒文库到电脑桌面
安装后可以在桌面快捷访问

生产型工厂各部门流程和表单

生产型工厂各部门流程和表单_第1页
1/24
生产型工厂各部门流程和表单_第2页
2/24
生产型工厂各部门流程和表单_第3页
3/24
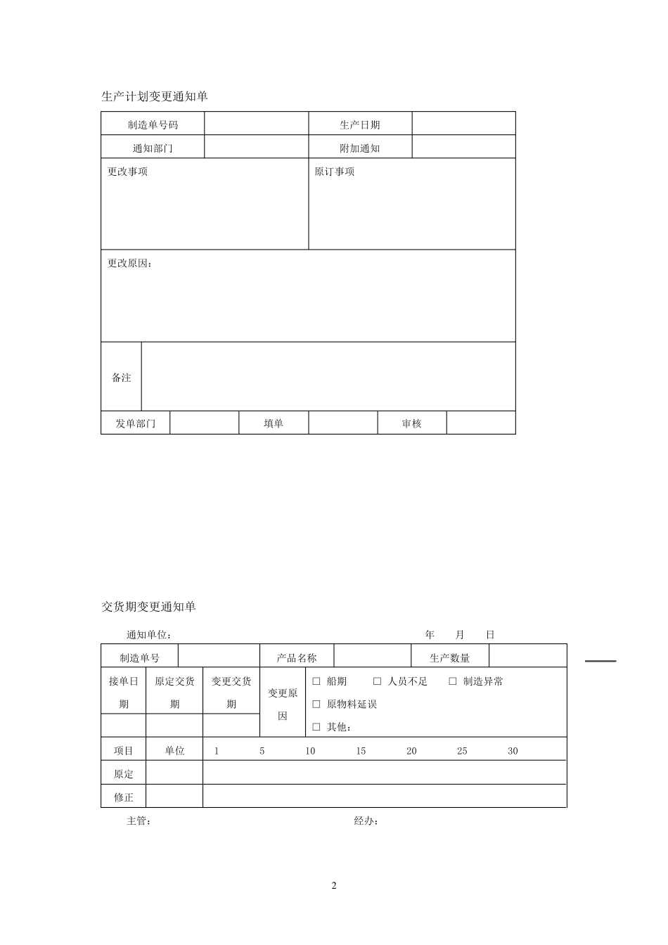
工厂表单目录 1 、 生产计划变更通知单 2 、 交货期变更通知单 3 、 提前或延后生产通知单 4 、 生产指令单 5 、 生产物料检验流程 6 、 生产物料检验说明 7 、 生产物料特采作业流程 8 、 生产物料特采作业流程说明 9 、 生产物料领用流程 1 0 、 生产物料领用流程说明 1 1 、 申购审核单 1 2 、 采购跟踪表 1 3 、 进料检验记录表 1 4 、 进料检验报告 1 5 、 特别领料单 1 6 、 领料单(一) 1 7 、 领用单(二) 1 8 、 物料超领单 1 9 、 补料申请单 2 0 、 生产进度变更通知单 2 1 、 QA 检查记录表 2 2 、 原材料入库流程 2 3 、 原材料入库流程说明 2 4 、 成品入库流程 2 5 、 成品入库流程说明 2 6 、 物料出库管理流程 2 7 、 原材料出库流程说明 2 8 、 成品出库流程 2 9 、 成品出库流程说明 3 0 、 物资仓储管理流程 3 1 、 物资仓储管理流程说明 3 2 、 库存控制管理流程 3 3 、 库存控制管理流程说明 3 4 、 物料入库日报表 3 5 、 仓库材料日报表 3 6 、 库存控制表 3 7 、 计件工资控制表 3 8 、 计件工资计算表 3 9 、 计件工资每日报表 4 0 、 生产奖金核定表 2 生产计划变更通知单 制造单号码 生产日期 通知部门 附加通知 更改事项 原订事项 更改原因: 备注 发单部门 填单 审核 交货期变更通知单 通知单位: 年 月 日 制造单号 产品名称 生产数量 接单日期 原定交货期 变更交货期 变更原因 □ 船期 □ 人员不足 □ 制造异常 □ 原物料延误 □ 其他: 项目 单位 1 5 10 15 20 25 30 原定 修正 主管: 经办: 3 提前或延后生产通知单 制造号码: 年 月 日 客户名称 通知单位 □生管 □会计 □成本会计,自存 订单号码 订货日期 原订交货日期 产品名称 数量 拟更改交货期 核定交货日期 批示 原因 □ 客户要求延期 生产经理 □ 配合船期 生产主管 □ 其他: 经办 生产指令单 生产部门 生产单号 生产日期 产品名称 产品编号 产品规格 生产数量 料号 品名 规格 单位 单机用量 标准用量 备件 备注 制造方法 经办 生产经理 生产计划主管 生产计划员 签名 4 生产物料检验流程 生产物料检验说明 序号 节点 责任人 相关说明 相关文件/记录 1 填写《物料申...

1、当您付费下载文档后,您只拥有了使用权限,并不意味着购买了版权,文档只能用于自身使用,不得用于其他商业用途(如 [转卖]进行直接盈利或[编辑后售卖]进行间接盈利)。
2、本站所有内容均由合作方或网友上传,本站不对文档的完整性、权威性及其观点立场正确性做任何保证或承诺!文档内容仅供研究参考,付费前请自行鉴别。
3、如文档内容存在违规,或者侵犯商业秘密、侵犯著作权等,请点击“违规举报”。

碎片内容

生产型工厂各部门流程和表单

确认删除?
VIP
微信客服
  • 扫码咨询
会员Q群
  • 会员专属群点击这里加入QQ群
客服邮箱
回到顶部