电脑桌面
添加小米粒文库到电脑桌面
安装后可以在桌面快捷访问

第一部分换热站设计VIP专享

第一部分换热站设计_第1页
1/10
第一部分换热站设计_第2页
2/10
第一部分换热站设计_第3页
3/10
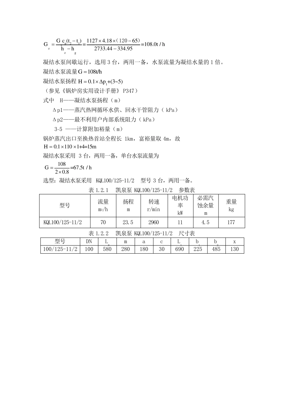
第一部分 换热站设计 第一章 设备选型与计算 汽水换热站设计技术参数: 热电联产供汽为饱和蒸汽:压力为0.36Mpa,温度为140 C ;蒸汽凝结温度为80 C ;热负荷60MW;一级管网供/回水温度120/65 C 1、循环水泵的选择 循环水泵总流量计算: 式中 G——循环水泵流量(kg/h) Q——热负荷(W) t1——循环水回水温度(℃) t2——循环水供水温度(℃) cp——循环水的平均比热容(kJ/kg/℃) (参见《锅炉房使用设计手册》P347) 取值1.2,3.6 60 1000G1.2=1127t / h4.18 (12065) 循环水泵选用3 台,单台泵流量: 循环水泵扬程计算:1234H0.1p + p + p + p )+(3~ 5) ( (参见《锅炉房实用设计手册》P347) 式中 H——循环水泵扬程(m) Δp1——换热器内部阻力(kPa) Δp2——循环水供、回水干管阻力(kPa) Δp3——最不利用户内部系统阻力(kPa) Δp4——除污器阻力(kPa) 3~5 ——计算附加裕量(m) Δp1 为汽-水换热器和水-水换热器阻力之和,汽水换热器:20~120 kPa,取90 kPa,水水换热器:30~50 kPa,取40 kPa,Δp1=130 kPa;一次网系统环路全长 10km,比摩阻为60Pa/m,Δp2=600kPa;除污器阻力损失为20~50kPa,取Δp4=40 kPa,故 选型:根据计算出的循环水泵的流量和扬程,在泵的产品样本中选取工作点p213.6QG(1.1 ~ 1.2)c (tt )1127G=469.58t / h3 0.8H0.1+600+40)+4=81m(130在高效区的泵的型号。循环水泵采用KQL300/710-250/6 型号4 台,三用一备。循环水泵一般安装在换热器的进水侧。 (参见上海凯泉第四代KQL 系列单机立式离心泵) 表1.1.1 凯泉泵KQL300/710-250/6 参数表 型号 流量 m3/h 扬程 m 转速 r/min 电机功率 kW 必需汽蚀余量m 重量 kg KQL300/710-250/6 500 86 980 250 6.0 2820 图1.1 凯泉泵KQL300/710-250/6 尺寸图 表1.1.2 凯泉泵KQL300/710-250/6 尺寸表 型号 DN L0 m a c L1 b1 b2 x 300-710-250/6 300 1760 850 460 45 1760 450 980 230 2、凝结水泵 蒸汽温度为140℃,焓为hz=2733.44kJ/kg ,水-水换热器出口凝结水温度为80℃,焓为hg=334.95 kJ/kg 根据汽-水换热平衡方程,p21zzssG (hh )G c (tt ) (参见《锅炉房实用设计手册》P350) 式中Gz——蒸汽消耗量(kg/h) hz——蒸汽的比焓(kJ/kg) hs——水-水换热器出口凝结水比焓(kJ/kg...

1、当您付费下载文档后,您只拥有了使用权限,并不意味着购买了版权,文档只能用于自身使用,不得用于其他商业用途(如 [转卖]进行直接盈利或[编辑后售卖]进行间接盈利)。
2、本站所有内容均由合作方或网友上传,本站不对文档的完整性、权威性及其观点立场正确性做任何保证或承诺!文档内容仅供研究参考,付费前请自行鉴别。
3、如文档内容存在违规,或者侵犯商业秘密、侵犯著作权等,请点击“违规举报”。

碎片内容

第一部分换热站设计

确认删除?
VIP
微信客服
  • 扫码咨询
会员Q群
  • 会员专属群点击这里加入QQ群
客服邮箱
回到顶部