电脑桌面
添加小米粒文库到电脑桌面
安装后可以在桌面快捷访问

危大工程验收表--适用版

危大工程验收表--适用版_第1页
1/18
危大工程验收表--适用版_第2页
2/18
危大工程验收表--适用版_第3页
3/18
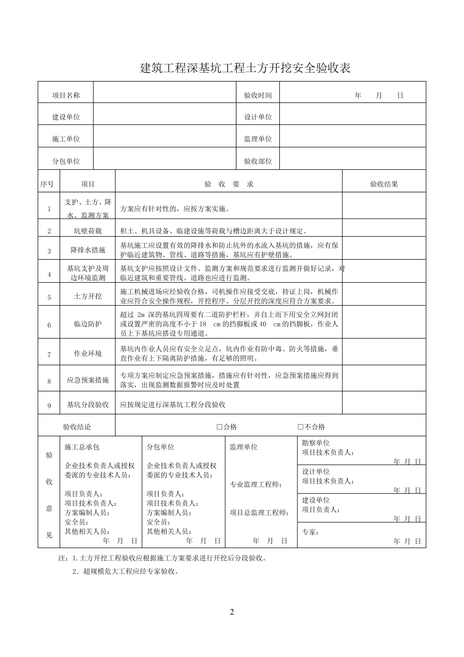
建筑工程深基坑工程土方开挖条件验收记录工程名称建设单位施工单位监理单位设计单位勘察单位计划开工时间验收项目基坑支护、基底加固是否按设计及规范要求完成,强度是否达到设计要求降水井是否已完成且降水深度达到设计要求基坑周边建筑物、构造物、管线是否已得到保护基坑及周边环境监测点是否已按监测方案布置完成,是否符合设计及规范要求且取得初始值施工方案、安全技术和管线交底及各项应急工作的准备是否就绪法律、法规、规章制度规定的其他条件验收意见R18009 项目二期 B 标段南通协创置业有限公司南通华润建设工程有限公司南通市东大建设监理有限公司南通勘察设计有限公司南通市建筑设计研究院有限公司计划完工时间验收记录验收内容及自评意见□符合开挖条件□不符合开挖条件施工总承包单位企业技术负责人或授权委派的专业技术人员:项目负责人:项目技术负责人:方案编制人员:项目专职安全员:其他相关人员:年月日勘察单位项目技术负责人:年月日分包单位企业技术负责人或授权委派的专业技术人员:项目负责人:项目技术负责人:方案编制人员:安全员:其他相关人员:年月日设计单位项目技术负责人:年月日监理单位监测单位专业监理工程师:项目技术负责人:项目总监理工程师:年月日年月日建设单位专家论证组组长:项目负责人:年月日年月日验收单位1建筑工程深基坑工程土方开挖安全验收表项目名称建设单位施工单位分包单位序号12345项目支护、土方、降水、监测方案坑壁荷载降排水措施基坑支护及周边环境监测土方开挖验收时间设计单位监理单位验收部位验收要求方案应有针对性的,应按方案实施。积土、机具设备、临建设施等荷载与槽边距离大于设计规定。基坑施工应设置有效的降排水和防止坑外的水流入基坑的措施,应有保护临近建筑物、管线、道路等措施,基坑应有护壁措施。基坑支护应按照设计文件、监测方案和规范要求进行监测并做好记录,对临近建筑和重要管线、道路也应进行监测。年月日验收结果施工机械进场应经验收合格,司机操作应接受交底,持证上岗,机械作业应符合安全操作规程,开挖程序、分层开挖的深度应符合方案要求。超过 2m 深的基坑四周要有二道防护栏杆,并自上而下用安全立网封闭或设置严密的高度不小于 18cm 的挡脚板或 40cm 的挡脚板,作业人员上下基坑应搭设专用通道。基坑内作业人员应有安全立足点,坑内作业有防中毒、防火等措施,垂直作业有上下隔离防护措施,有足够的照明。专项方案应制定应急预案措...

1、当您付费下载文档后,您只拥有了使用权限,并不意味着购买了版权,文档只能用于自身使用,不得用于其他商业用途(如 [转卖]进行直接盈利或[编辑后售卖]进行间接盈利)。
2、本站所有内容均由合作方或网友上传,本站不对文档的完整性、权威性及其观点立场正确性做任何保证或承诺!文档内容仅供研究参考,付费前请自行鉴别。
3、如文档内容存在违规,或者侵犯商业秘密、侵犯著作权等,请点击“违规举报”。

碎片内容

危大工程验收表--适用版

确认删除?
VIP
微信客服
  • 扫码咨询
会员Q群
  • 会员专属群点击这里加入QQ群
客服邮箱
回到顶部