电脑桌面
添加小米粒文库到电脑桌面
安装后可以在桌面快捷访问

声环境质量标准噪声监测方法验证报告

声环境质量标准噪声监测方法验证报告_第1页
1/6
声环境质量标准噪声监测方法验证报告_第2页
2/6
声环境质量标准噪声监测方法验证报告_第3页
3/6
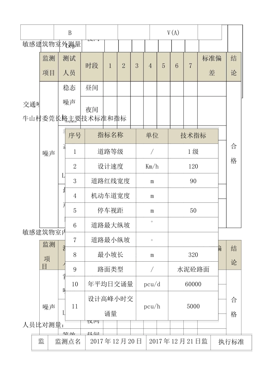
声环境质量标准GB3096-2008方法验证报告编制:日期校核:日期审核:日期广东 XX 检测技术有限公司声环境噪声监测方法验证报告1方法依据依据《声环境质量标准 GB3096-2008》。2适用范围适用于 0 类、1 类、2 类、3 类、4 类声环境功能区以及城市、城市规划区、乡村交通干线、噪声每感建筑物的监测。3测量仪器AWA6228 型多功能声级 1 级计、AWA6221A 型声校准器4测量所象条件、测点位置及测量时段项目天气风速 V5m/s雨雪雷电温度湿度气压结论气相条件晴无符合测试条件测点位置:项目敏感建筑物户外建筑物室内结论气相条件距墙或窗户 1m 处距地面咼度距墙面或反射面 1m以上距窗距地面咼符合测试条件5校准测量监测项目测试人员测量前校准值测量后校准值标准要求结论声积计校准测试人员V(A)AV(A)合格测试人员V(A)BV(A)敏感建筑物室外测量敏感建筑物室内测量监测项目测试人员时段1234567标准偏差结论噪声背景噪声昼间合格夜间LAeqlOmin昼间夜间等效昼间牛山村委莞长路主要技术标准和指标人员比对测量:序号指标名称单位技术指标1道路等级/1 级2设计速度Km/h1203道路红线宽度m904机动车道宽度m5停车视距m506道路最大纵坡o7道路最小纵坡o8最小坡长m3209路面类型/水泥砼路面10年平均日交诵量pcu/d6000011设计高峰小时交诵量pcu/h5000监监测点名2017 年 12 月 20 日2017 年 12 月 21 日监执行标准测占位称监测结果测结果GB3096-2008A 测试员B 测试员A 测试员B 测试员昼间夜间昼间夜间昼间夜间昼间夜间1牛山村委办公楼1 类声功能区昼间 55 夜间452山湖路与莞长路西交叉路口4a 类声功能区昼间 70 夜间553山湖路与莞长路南交叉路口4山湖路与莞长路北交叉路口由上表可知,牛山材监测期间监测值均能达到《声环境质量标准》GB3096-20082 类标准要求,声环境质量较好,其余各监测点两天昼夜间的监测值均能达到《声环境质量标准》GB3096-20084a 尖中昼夜间的标准要求。监测项目时段1234567平均值Leq标准偏差噪声L 昼d间L 夜n间累积%LAeq5LAeqlOLAeq50LLAeq90Amax9 结论通过两种不同型号的仪器和同实验室的不同人员对社会生活环境噪声的监测,本方法具有操作简单、快速等特点。选择了最佳的仪器、气象条件、测点位置、测量时段,在严格的质量控制下,测试结果满足方法要求。

1、当您付费下载文档后,您只拥有了使用权限,并不意味着购买了版权,文档只能用于自身使用,不得用于其他商业用途(如 [转卖]进行直接盈利或[编辑后售卖]进行间接盈利)。
2、本站所有内容均由合作方或网友上传,本站不对文档的完整性、权威性及其观点立场正确性做任何保证或承诺!文档内容仅供研究参考,付费前请自行鉴别。
3、如文档内容存在违规,或者侵犯商业秘密、侵犯著作权等,请点击“违规举报”。

碎片内容

声环境质量标准噪声监测方法验证报告

您可能关注的文档

确认删除?
VIP
微信客服
  • 扫码咨询
会员Q群
  • 会员专属群点击这里加入QQ群
客服邮箱
回到顶部