电脑桌面
添加小米粒文库到电脑桌面
安装后可以在桌面快捷访问

变频器实验报告VIP免费

变频器实验报告_第1页
1/11
变频器实验报告_第2页
2/11
变频器实验报告_第3页
3/11
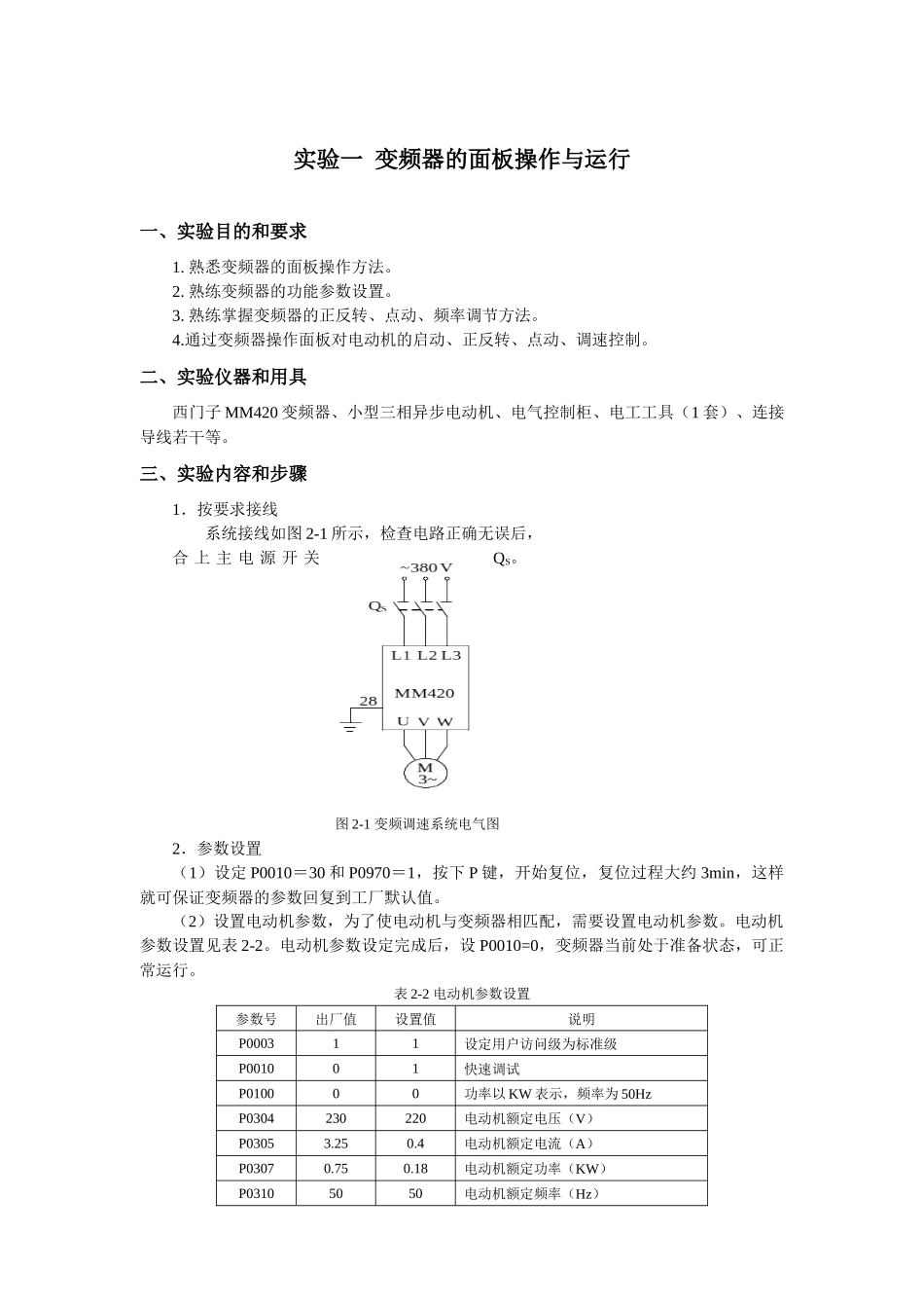
实验一变频器的面板操作与运行一、实验目的和要求1.熟悉变频器的面板操作方法。2.熟练变频器的功能参数设置。3.熟练掌握变频器的正反转、点动、频率调节方法。4.通过变频器操作面板对电动机的启动、正反转、点动、调速控制。二、实验仪器和用具西门子MM420变频器、小型三相异步电动机、电气控制柜、电工工具(1套)、连接导线若干等。三、实验内容和步骤1.按要求接线系统接线如图2-1所示,检查电路正确无误后,合上主电源开关QS。图2-1变频调速系统电气图2.参数设置(1)设定P0010=30和P0970=1,按下P键,开始复位,复位过程大约3min,这样就可保证变频器的参数回复到工厂默认值。(2)设置电动机参数,为了使电动机与变频器相匹配,需要设置电动机参数。电动机参数设置见表2-2。电动机参数设定完成后,设P0010=0,变频器当前处于准备状态,可正常运行。表2-2电动机参数设置参数号出厂值设置值说明P000311设定用户访问级为标准级P001001快速调试P010000功率以KW表示,频率为50HzP0304230220电动机额定电压(V)P03053.250.4电动机额定电流(A)P03070.750.18电动机额定功率(KW)P03105050电动机额定频率(Hz)P031101440电动机额定转速(r/min)(3)设置面板操作控制参数,见表2-3。3.变频器运行操作(1)变频器启动:在变频器的前操作面板上按运行键,变频器将驱动电动机升速,并运行在由P1040所设定的20Hz频率对应的560r∕min的转速上。(2)正反转及加减速运行:电动机的转速(运行频率)及旋转方向可直接通过按前操作面板上的键∕减少键(▲/▼)来改变。(3)点动运行:按下变频器前操作面板上的点动键,则变频器驱动电动机升速,并运行在由P1058所设置的正向点动10Hz频率值上。当松开变频器前错做面板上的点动键,则变频器将驱动电动机降速至零。这时,如果按下一变频器前操作面板上的换向键,在重复上述的点动运行操作,电动机可在变频器的驱动下反向点动运行。(4)电动机停车:在变频器的前操作面板上按停止键,则变频器将驱动电动机降速至零。四、实验思考1.怎样利用变频器操作面板对电动机进行预定时间的启动和停止?答:P0010=30,P0970=1,变频器恢复出厂设置;P701=0,屏蔽原来端子启动功能;P2800=1,使能内部功能自由块;P2802=1,使能内部定时器;P2849=1,连接定时器启动命令;P2850=1,设定延时时间(假设1s);P2851=1,定时器延时动作方式;P0840=2852.0,连接变频器启动命令。2.怎样设置变频器的最大和最小运行频率?答:P0010=30;P0970=1,按下P键(约10秒),开始复位。一般P1080=0;电动机运行的最低频率(HZ)参数号出厂值设置值说明P000311设用户访问级为标准级P001000正确地进行运行命令的初始化*1P000407命令和数字I/OP070021由键盘输入设定值(选择命令源)*2P000311设用户访问级为标准级P0004010设定值通道和斜坡函数发生器P100021由MOP输入频率设定值*3P108000电动机运行的最低频率(Hz)P10825050电动机运行的最高频率(Hz)P000312设用户访问级为扩展级P0004010设定值通道和斜坡函数发生器P1040520设定键盘控制的频率值(Hz)P1058510正向点动频率(Hz)P1059510反向点动频率(Hz)P1060105点动斜坡上升时间(s)P1061105点动斜坡下降时间(s)P1082=50;电动机运行的最高频率(HZ)。实验二变频器的外部运行操作一.实验目的和要求1.掌握MM420变频器基本参数的输入方法。2.掌握MM420变频器输入端子的操作控制方式。3.熟练掌握MM420变频器的运行操作过程。二、实验仪器和用具西门子MM420变频器一台、三相异步电动机一台、断路器一个、熔断器三个、自锁按钮二个、导线若干、通用电工工具一套等。三、实验内容和步骤1.按要求接线变频器外部运行操作接线图如图2-2所示。图2-2MM420变频器的数字输入端口图2-2外部运行操作接线图2.参数设置接通断路器QS,在变频器在通电的情况下,完成相关参数设置。参数号出厂值设置值说明P000311设用户访问级为标准级P000407命令和数字I/OP070022命令源选择“由端子排输入”P000312设用户访问级为扩展级P000407命令和数字I/O*P070111ON接通正转,OFF停止*P0702122ON接通反转,OFF停止*P0703910正向点动P000311设用户访问级...

1、当您付费下载文档后,您只拥有了使用权限,并不意味着购买了版权,文档只能用于自身使用,不得用于其他商业用途(如 [转卖]进行直接盈利或[编辑后售卖]进行间接盈利)。
2、本站所有内容均由合作方或网友上传,本站不对文档的完整性、权威性及其观点立场正确性做任何保证或承诺!文档内容仅供研究参考,付费前请自行鉴别。
3、如文档内容存在违规,或者侵犯商业秘密、侵犯著作权等,请点击“违规举报”。

碎片内容

变频器实验报告

确认删除?
VIP
微信客服
  • 扫码咨询
会员Q群
  • 会员专属群点击这里加入QQ群
客服邮箱
回到顶部