电脑桌面
添加小米粒文库到电脑桌面
安装后可以在桌面快捷访问

各种橡胶性能一览表

各种橡胶性能一览表_第1页
1/6
各种橡胶性能一览表_第2页
2/6
各种橡胶性能一览表_第3页
3/6
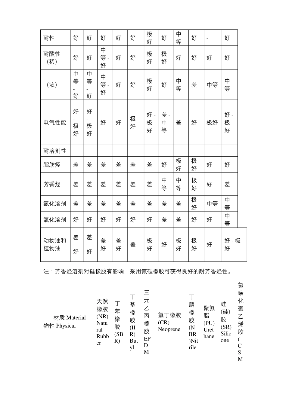
Prepared on 24 November 2020种 橡 胶 性 能 一 览 表各各种橡胶性能的比较表聚丁天戊苯然二橡橡烯胶胶橡SBNR胶RIR抗张强度极极(纯胶差好好料)抗张强度好 -极极(补强胶极好好料)好差 -抗撕裂性中好中(冷)等等中(热)好好等好 -极耐磨性好极好好抗自然老化性差差差聚丁二烯橡胶BR差乙丙橡胶丁丁氯腈基丁橡橡橡胶胶胶NBEPDIIRCRRM差好 -极好好极好极好中等好好差聚硫橡胶PTR差中等好差中等极好极好中等好硅橡胶Silicone聚氨酯橡胶AUEU-差好极好极好极好好 -极极好好好好极好极好好中等差极好中等中等好中等好 -中等极好中等好差好好中等中等 -好好 -极好好 -极好好 -极好中等中等极好差极中等好极好极好极好差 -极中好等好极好好好抗氧化性好好好极好耐热性低温屈挠性好好极好中等-好好差好好好极好好中等极好中等压缩变形-好中不渗透性等阻燃性差中极好等 -好极极好好差 -中好等中等差好差 -好好极好差差 -中极好好等极好差中等好中等差差 -差 -中中等等差差好极好耐性耐酸性(稀)好好中等-好好好中等-好好-极好差差差好差-好好好好好极好极好极好好极好中等好好好-好好好中等 -好好中等 -好好(浓)好好中等差中等中等好-电气性能极好耐溶剂性脂肪烃芳香烃差差好好极好好 -差 -极中差好等好好 -极好极好差差差好差差差好差差差好差差差好好中等差差极好中等差差极好极好极好好好好中等好好差中等中等好 - 极好氯化溶剂差氧化溶剂好差-好动物油和植物油差 -差 -差好好极好好极好极好好注:芳香烃溶剂对硅橡胶有影响,采用氟硅橡胶可获得良好的耐芳香烃性。氯磺化聚乙烯胶(CSM天然橡胶材质 Material(NR)Natu物性 PhysicalralRubber丁苯橡胶(SBR)丁基橡胶(IIR)Butyl三元乙丙橡胶EPDM氯丁橡胶(CR)Neoprene丁腈橡胶(NBR)Nitrile聚氨脂(PU)Urethane硅(硅)胶(SR)Silicone)Hypalon比重SpecificPHYSICALPROPERTIES 一般物性Gravity硬度范围HardnessRang(Shore A°)最大搞张强度TensileStrengthMax(psi最大延伸率Elongation Max(%回复力Resilience压缩变形Compression Set不透气性Impermeablity toGases抗屈曲龟裂 FlexCrackingResistance抗撕裂性TearStrength耐磨性AbrasionResistance抗冲击强度 ImpactStrength30-35-10010040003000750600EGGFFFFGEFEG-EEE30-30-909025030000700600P-FGP-GGEFGGGF-GGG-EGG35-9530-10030003000600600G-EF-GF-GGF-GGGFF-GF-GG-EG-EG-EF-G55-20-1009030001500750800F-...

1、当您付费下载文档后,您只拥有了使用权限,并不意味着购买了版权,文档只能用于自身使用,不得用于其他商业用途(如 [转卖]进行直接盈利或[编辑后售卖]进行间接盈利)。
2、本站所有内容均由合作方或网友上传,本站不对文档的完整性、权威性及其观点立场正确性做任何保证或承诺!文档内容仅供研究参考,付费前请自行鉴别。
3、如文档内容存在违规,或者侵犯商业秘密、侵犯著作权等,请点击“违规举报”。

碎片内容

各种橡胶性能一览表

您可能关注的文档

爱的疯狂+ 关注
实名认证
内容提供者

该用户很懒,什么也没介绍

确认删除?
VIP
微信客服
  • 扫码咨询
会员Q群
  • 会员专属群点击这里加入QQ群
客服邮箱
回到顶部