电脑桌面
添加小米粒文库到电脑桌面
安装后可以在桌面快捷访问

土方回填隐蔽验收记录

土方回填隐蔽验收记录_第1页
1/6
土方回填隐蔽验收记录_第2页
2/6
土方回填隐蔽验收记录_第3页
3/6
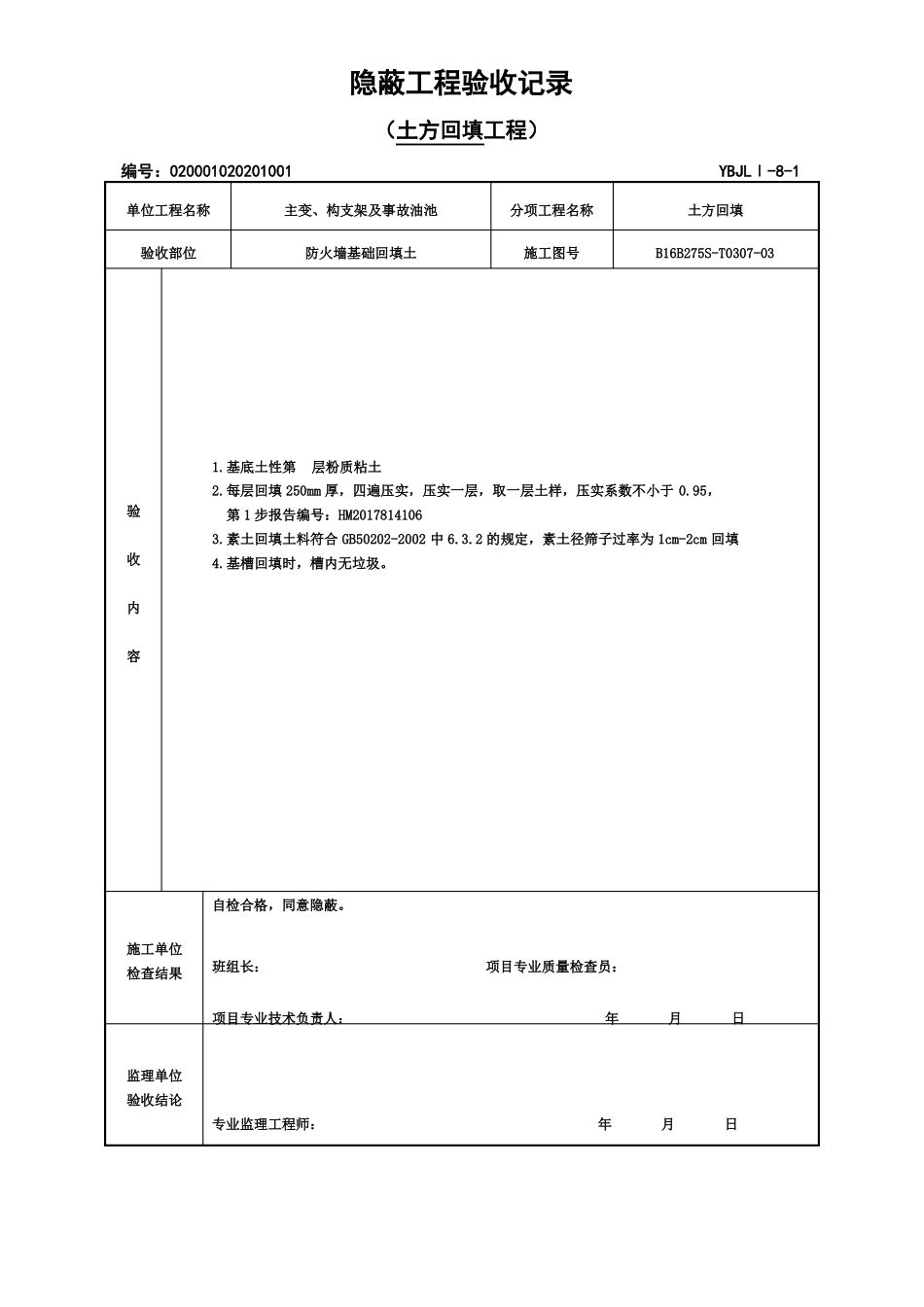
隐蔽工程验收记录(土方回填工程)编号:020001020201001 YBJLⅠ-8-1单位工程名称验收部位 1.基底土性第层粉质粘土 2.每层回填 250mm 厚,四遍压实,压实一层,取一层土样,压实系数不小于 0.95,验收内容第 1 步报告编号:HM2017814106 3.素土回填土料符合 GB50202-2002 中 6.3.2 的规定,素土径筛子过率为 1cm-2cm 回填 4.基槽回填时,槽内无垃圾。主变、构支架及事故油池防火墙基础回填土分项工程名称施工图号土方回填B16B275S-T0307-03自检合格,同意隐蔽。施工单位检查结果班组长:项目专业质量检查员:项目专业技术负责人:年月日监理单位验收结论专业监理工程师:年月日隐蔽工程验收记录(土方回填工程)编号:020001020201001 YBJLⅠ-8-1单位工程名称验收部位 1.每层回填 250mm 厚,四遍压实,压实一层,取一层土样,压实系数不小于 0.95,验收内容第 2 步报告编号:HM2017814107 2.素土回填土料符合 GB50202-2002 中 6.3.2 的规定,素土径筛子过率为 1cm-2cm 回填 3.基槽回填时,槽内无垃圾。主变、构支架及事故油池防火墙基础回填土分项工程名称施工图号土方回填B16B275S-T0307-16自检合格,同意隐蔽。施工单位检查结果班组长:项目专业质量检查员:项目专业技术负责人:年月日监理单位验收结论专业监理工程师:年月日隐蔽工程验收记录(土方回填工程)编号:020001020201001 YBJLⅠ-8-1单位工程名称验收部位 1.每层回填 250mm 厚,四遍压实,压实一层,取一层土样,压实系数不小于 0.95,验收内容第 3 步报告编号:HM2017814108 2.素土回填土料符合 GB50202-2002 中 6.3.2 的规定,素土径筛子过率为 1cm-2cm 回填 3.基槽回填时,槽内无垃圾。主变、构支架及事故油池防火墙基础回填土分项工程名称施工图号土方回填B16B275S-T0307-16自检合格,同意隐蔽。施工单位检查结果班组长:项目专业质量检查员:项目专业技术负责人:年月日监理单位验收结论专业监理工程师:年月日隐蔽工程验收记录(土方回填工程)编号:020001020201001 YBJLⅠ-8-1单位工程名称验收部位 1.每层回填 250mm 厚,四遍压实,压实一层,取一层土样,压实系数不小于 0.95,验收内容第 4 步报告编号:HM2017814109 2.素土回填土料符合 GB50202-2002 中 6.3.2 的规定,素土径筛子过率为 1cm-2cm 回填 3.基槽回填时,槽内无垃圾。主变、构支架及事故油池防火墙基础回填土分项工程名称施工图号土方回填B16B27...

1、当您付费下载文档后,您只拥有了使用权限,并不意味着购买了版权,文档只能用于自身使用,不得用于其他商业用途(如 [转卖]进行直接盈利或[编辑后售卖]进行间接盈利)。
2、本站所有内容均由合作方或网友上传,本站不对文档的完整性、权威性及其观点立场正确性做任何保证或承诺!文档内容仅供研究参考,付费前请自行鉴别。
3、如文档内容存在违规,或者侵犯商业秘密、侵犯著作权等,请点击“违规举报”。

碎片内容

土方回填隐蔽验收记录

确认删除?
VIP
微信客服
  • 扫码咨询
会员Q群
  • 会员专属群点击这里加入QQ群
客服邮箱
回到顶部