电脑桌面
添加小米粒文库到电脑桌面
安装后可以在桌面快捷访问

反馈及负反馈放大电路-习题解答VIP免费

反馈及负反馈放大电路-习题解答_第1页
1/15
反馈及负反馈放大电路-习题解答_第2页
2/15
反馈及负反馈放大电路-习题解答_第3页
3/15
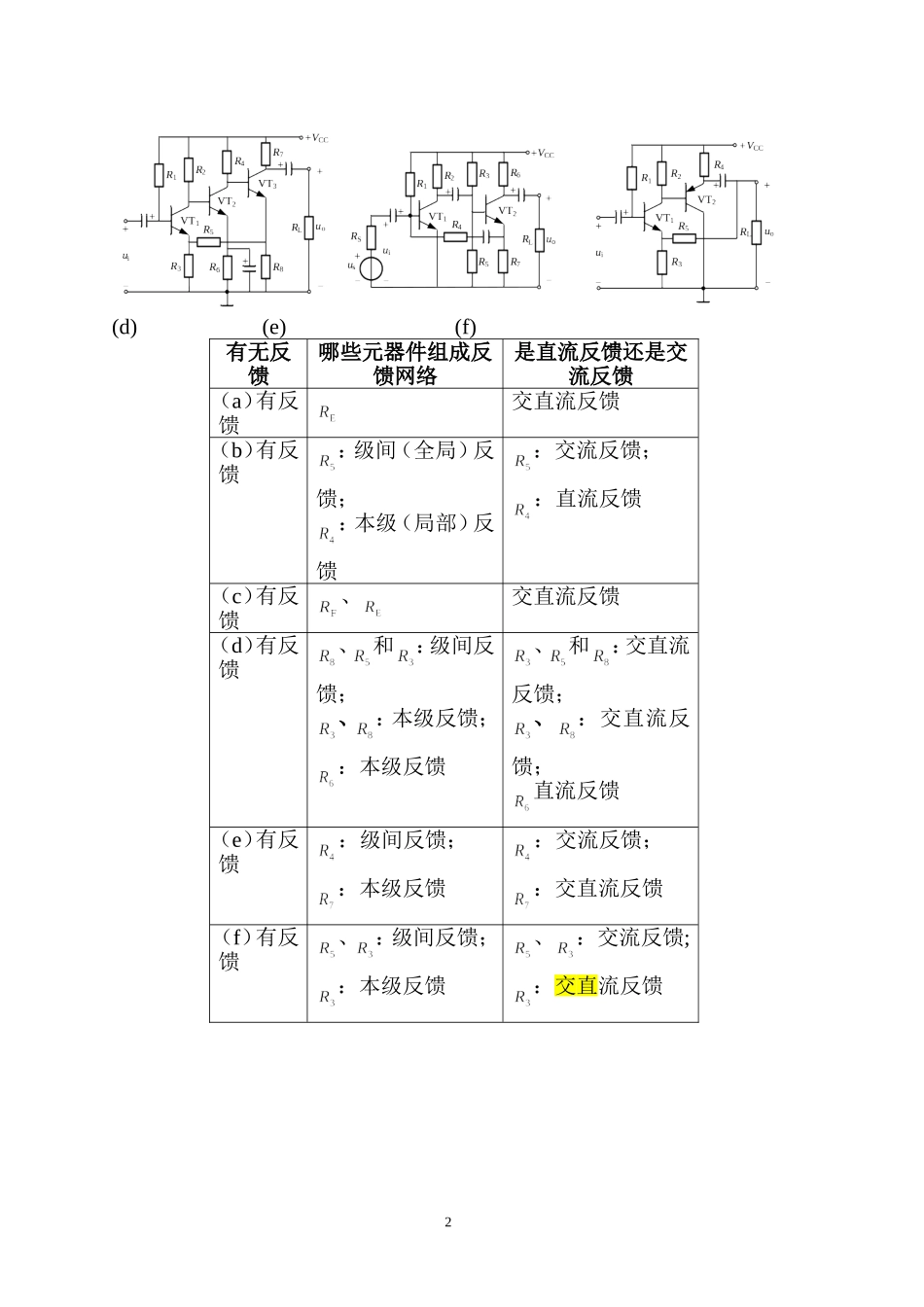
负反馈典型例题6.4如图T6.4所示,它的最大跨级反馈可从晶体管的集电极或发射极引出,接到的基极或发射极,共有4种接法(①和③、①和④、②和③、②和④相连)。试判断这4种接法各为何种组态的反馈?是正反馈还是负反馈?设各电容可视为交流短路。图T6.46.5已知一个负反馈放大电路的,。求:(1)=?(2)若A的相对变化率为20%,则的相对变化率为多少?6.6电路如图T6.6所示。试问:若以稳压管的稳定电压作为输入电压,则当的滑动端位置变化时,输出电压的调节范围是多少?图T6.6图解T6.6(a)图解T6.6(b)6.7在图P6.2的各电路中,说明有无反馈,由哪些元器件组成反馈网络,是直流反馈还是交流反馈?(a)(b)(c)1(d)(e)(f)有无反馈哪些元器件组成反馈网络是直流反馈还是交流反馈(a)有反馈交直流反馈(b)有反馈:级间(全局)反馈;:本级(局部)反馈:交流反馈;:直流反馈(c)有反馈、交直流反馈(d)有反馈、和:级间反馈;、:本级反馈;:本级反馈、和:交直流反馈;、:交直流反馈;直流反馈(e)有反馈:级间反馈;:本级反馈:交流反馈;:交直流反馈(f)有反馈、:级间反馈;:本级反馈、:交流反馈;:交直流反馈26.8在图P6.8的各电路中,说明有无反馈,由那些元器件组成反馈网络,是直流反馈还是交流反馈?(a)(b)(c)(d)(e)图P6.83【解6.4】简答①和③相连:电压并联组态,负反馈;①和④相连:电流并联组态,正反馈;②和③相连:电压串联组态,正反馈;②和④相连:电流串联组态,负反馈。详解:(a)①和③相连:如图解T6.4(a),用瞬时极性法分析可知,从输入端来看:,净输入电流减小,反馈极性为负;反馈回来的信号与输入信号在同一节点,表现为电流的形式,为并联反馈;从输出端来看:反馈信号从电压输出端引回来与输出电压正比,为电压反馈。总之,①和③相连为电压并联负反馈。(b)①和④相连:如图解T6.4(b),用瞬时极性法分析可知,输入端,净输入电流增加,反馈极性为正,且为并联反馈;从输出端来看反馈信号从非电压输出端引回来,反馈信号不与输出电压成正比,而与输出电流成正比,为电流反馈。总之,①和④相连为电流并联正反馈;(c)②和③相连:如图解T6.4(c),用瞬时极性法分析可知,从输入回路来看:,净输入电压增加,反馈极性为正;反馈回来的信号与输入信号不在同一节点,表现为电压的形式,为串联反馈;从输出端来看:反馈信号从电压输出端引回来与输出电压成正比,为电压反馈。总之,②和③相连为电压串联正反馈。(d)②和④相连:如图解T6.4(d),用瞬时极性法分析可知,从输入回路来看:,净输入电压减小,反馈极性为负;反馈回来的信号与输入信号不在同一节点,表现为电压的形式,为串联反馈;从输出端来看:反馈信号从非电压输出端引回来,反馈信号不与输出电压正比,而与输出电流成正比,为电流反馈。总之,②和④相连为电流串联负反馈。(a)①和③相连:电压并联负反馈(b)①和④相连:电流并联正反馈4(c)②和③相连:电压串联正反馈(d)②和④相连:电流串联负反馈图解T6.4【解6.5】(1)(2)【解6.6】输出电压最大值如图解T6.6(a)所示:输出电压最小值如图解T6.6(b)所示:【解6.7】有无反馈哪些元器件组成反馈网络是直流反馈还是交流反馈(a)有反馈交直流反馈(b)有反馈:级间(全局)反馈;:本级(局部)反馈:交流反馈;:直流反馈(c)有反馈、交直流反馈(d)有反馈、和:级间反馈;、和:交直流反馈;5、:本级反馈;:本级反馈、:交直流反馈;直流反馈(e)有反馈:级间反馈;:本级反馈:交流反馈;:交直流反馈(f)有反馈、:级间反馈;:本级反馈、:交流反馈;:交直流反馈6.8在图P6.8的各电路中,说明有无反馈,由那些元器件组成反馈网络,是直流反馈还是交流反馈?(a)(b)(c)(d)(e)图P6.8【解6.8】有无反馈哪些元器件组成反馈网络是直流反馈还是交流反馈(a)有反馈、、直流反馈6(b)有反馈交直流反馈(c)有反馈、:级间反馈;:本级反馈;交直流反馈;交直流反馈(d)有反馈:级间反馈;:本级反馈;的输出端与其反向输入端的连线:本级反馈:交直流反馈;:交直流反馈;交直流反馈(e)有反馈,交直流反馈6.4判断...

1、当您付费下载文档后,您只拥有了使用权限,并不意味着购买了版权,文档只能用于自身使用,不得用于其他商业用途(如 [转卖]进行直接盈利或[编辑后售卖]进行间接盈利)。
2、本站所有内容均由合作方或网友上传,本站不对文档的完整性、权威性及其观点立场正确性做任何保证或承诺!文档内容仅供研究参考,付费前请自行鉴别。
3、如文档内容存在违规,或者侵犯商业秘密、侵犯著作权等,请点击“违规举报”。

碎片内容

反馈及负反馈放大电路-习题解答

文章天下+ 关注
实名认证
内容提供者

各种文档应有尽有

确认删除?
VIP
微信客服
  • 扫码咨询
会员Q群
  • 会员专属群点击这里加入QQ群
客服邮箱
回到顶部