电脑桌面
添加小米粒文库到电脑桌面
安装后可以在桌面快捷访问

第三章_FANUC_oi系统数控车床操作

第三章_FANUC_oi系统数控车床操作_第1页
1/23
第三章_FANUC_oi系统数控车床操作_第2页
2/23
第三章_FANUC_oi系统数控车床操作_第3页
3/23
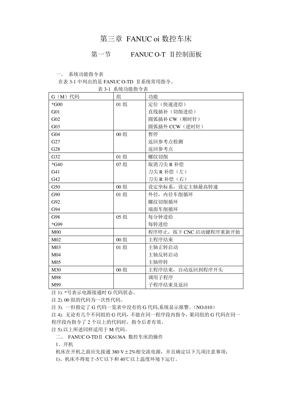
第三章 FANUC o i 数控车床 第一节 FANUC O-TDⅡ控制面板 一、 系统功能指令表 在表 3-1 中列出的是 FANUC O-TD Ⅱ系统常用指令。 表 3-1 系统功能指令表 G(M)代码 组 功能 *G00 G01 G02 G03 01 组 定位(快速进给) 直线插补(切削进给) 圆弧插补 CW(顺时针) 圆弧插外 CCW(逆时针) G04 G27 G28 00 组 暂停 返回参考点检测 返回参考点 G32 01 组 螺纹切削 *G40 G41 G42 07 组 取消刀尖 R 补偿 刀尖 R 补偿(左) 刀尖 R 补偿(右) G50 00 组 设定坐标系,设定主轴最高转速 G90 G92 G94 01 组 外径,内径车削循环 螺纹切削循环 端面车削循环 G98 *G99 05 组 每分钟进给 每转进给 M00 程序停止,按下 CNC 启动键程序重新开始 M02 00 组 主程序结束 M03 M04 M05 01 组 主轴正转启动 主轴反转启动 主轴停转 M30 00 组 主程序结束,自动返回到程序开头 M98 M99 调用子程序 子程序结束及返回 注 1). *号表示电源接通时 G 代码状态。 注 2). 00 组的代码为一次性代码。 注 3). 一但指定了 G 代码一览表中没有的 G 代码,系统显示报警。(NO.010) 注 4). 无论有几个不同组的 G 代码,不能在同一程序段内指令,果同组的 G 代码在同一程序段内指令了 2 个以上的代码时,指令后者有效。 注 5).以上所述同样适用于M 代码。 二、 FANUC O-TDⅡ CK6136A 数控车床的操作 1、开机 机床在开机之前应先接通 380 V±2%相交流电源,并且确定以下几项注意事项: 1)、机床不得处于-5℃以下和 40℃以上温度环境下运行。 2)、机床不得处于湿度大于75%环境下运行。 3)、机床不得在高粉尘杂质空气和含污染腐蚀的物质的[空气中运行。 确定以上几项之后,接通电源,打开机床电源开关,按下CNC 启动按钮后等待系统启动正常即可对其进行操作,系统启动过程中不要碰MDI 面板上的任何键。 2、熟悉机床操作面板 CK6136A 数控车床的操作面板由CRT/MDI 面板和机床操作面板组成。(见图3-1) 图3-1 机床操作面板 1).CRT/MDI 面板 CRT/MDI 面板是由一个9 英寸.CRT 显示器和一个MDI 键盘构成的。(见图3-2) 按任何一个功能按钮和“CAN”画面的显示就会消失,这时系统内部照常工作。之后再按其中任何一个功能键,画面会再次显示。长时间接通电源而不使用 CRT 时,要先清除画面,以防止画面质量下降。 图3-2...

1、当您付费下载文档后,您只拥有了使用权限,并不意味着购买了版权,文档只能用于自身使用,不得用于其他商业用途(如 [转卖]进行直接盈利或[编辑后售卖]进行间接盈利)。
2、本站所有内容均由合作方或网友上传,本站不对文档的完整性、权威性及其观点立场正确性做任何保证或承诺!文档内容仅供研究参考,付费前请自行鉴别。
3、如文档内容存在违规,或者侵犯商业秘密、侵犯著作权等,请点击“违规举报”。

碎片内容

第三章_FANUC_oi系统数控车床操作

小辰4+ 关注
实名认证
内容提供者

出售各种资料和文档

确认删除?
VIP
微信客服
  • 扫码咨询
会员Q群
  • 会员专属群点击这里加入QQ群
客服邮箱
回到顶部