电脑桌面
添加小米粒文库到电脑桌面
安装后可以在桌面快捷访问

埋弧自动焊接工艺

埋弧自动焊接工艺_第1页
1/6
埋弧自动焊接工艺_第2页
2/6
埋弧自动焊接工艺_第3页
3/6
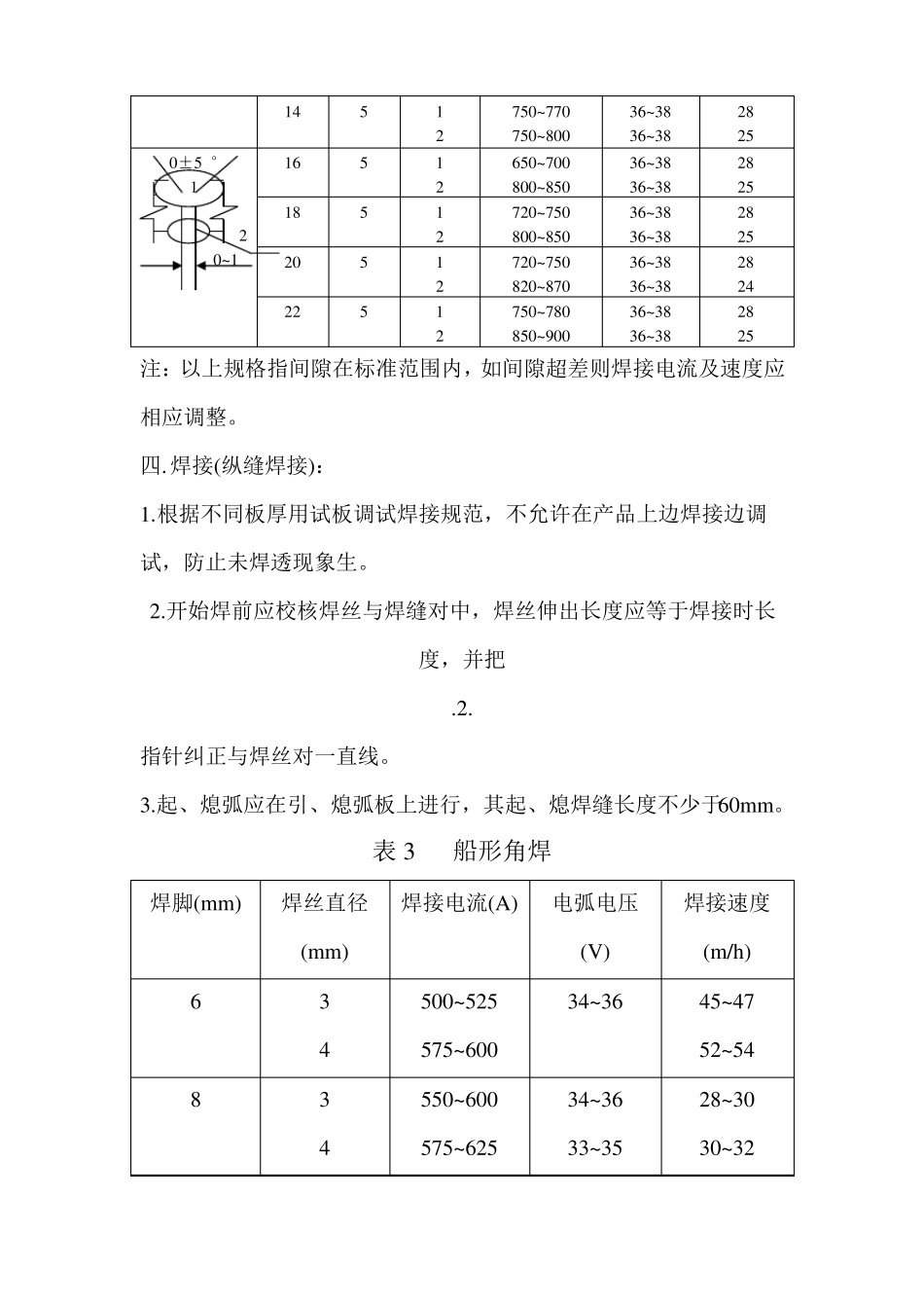
埋弧自动焊接工艺本工艺适用于板厚 6~22mm 的碳钢及高强度低合金钢焊接。一.焊前准备1.所焊产品的钢种及板材厚度按工艺要求选择焊丝牌号,焊丝直径及焊剂牌号,选用焊接规范。2.检查埋弧焊机是否完好,电流表、电压表的正确性。3.检查焊缝两端的始终点引弧板及灭弧板,其规格尺寸为 80×80(mm)厚度≥母材。4.焊件边缘加工和装配要求高,焊件边缘必须打磨清洁干净至光洁金属为止(距焊件边缘 20mm 处),用砂轮机进性打磨。5.焊件边缘加工必须平直,装配间隙均匀一致,高低平整,装配间隙<1mm,两板高低差<0.5mm。6.定位焊缝间距 300~400mm,焊缝长度 15~20mm,A3 钢使用 J427焊条,16Mn 钢使用 J507 焊条,并清除点焊焊渣。二.焊丝与焊剂选用1. 焊丝与焊剂根据不同钢种的焊件进行选用(如表 1)。表 1钢号焊条牌号埋弧自动焊焊丝牌号A3、A3R、20、 结 426、结 H08A20g427焊剂牌号剂 431、剂350剂 35016Mn、16MnR结 506、结 H10Mn2、H10MnSi5071Cr18NiGTi奥 132、奥 H0Cr18Ni9Ti137H00Cr22Ni10、 剂 772、剂2602.焊丝直径根据板厚不同选用,<10mm 板厚选用直径 4mm,≥12mm 板厚选用 5mm。.1.3.焊丝外表不得有油、锈存在,且应在干燥室存放。4.焊剂使用前必须进行烘焙 150~200℃×2 后使用,使用剩余焊剂应重新烘焙。三.焊接规范参数:1.本规范适应于双面焊接板厚≤14mm 可不开坡口焊接,板厚≥16mm应开坡口,焊接坡口为 65°±5°,根部 8mm。2. 板厚≥16mm 正面焊后,反面进行用气刨扣槽,碳棒φ10mm,扣槽深度为 6~7mm。3.焊接规范参数如表 2,船形角焊(平对接焊)如表 3,平角焊如表 4。表 2焊接规范参数接头形式120~1钢板厚焊丝直度(mm)径(mm)6810124445焊接程序12121212焊接电流(A)300~350350~400450~500500~550500~600600~650650~700750~800电弧电压(V)30~3230~3230~3230~3232~3432~3435~3635~36焊接速度(m/h)48464234140±5 °16555551212121212750~770750~800650~700800~850720~750800~850720~750820~870750~780850~90036~3836~3836~3836~3836~3836~3836~3836~3836~3836~3828252825282528242825120~1182022注:以上规格指间隙在标准范围内,如间隙超差则焊接电流及速度应相应调整。四.焊接(纵缝焊接):1.根据不同板厚用试板调试焊接规范,不允许在产品上边焊接边调试,防止未焊透现象生。2.开始焊前应校核焊丝与焊缝对中,焊丝伸出长度应等于焊接时长度,并把.2.指针纠正与焊丝对一直线。3.起、...

1、当您付费下载文档后,您只拥有了使用权限,并不意味着购买了版权,文档只能用于自身使用,不得用于其他商业用途(如 [转卖]进行直接盈利或[编辑后售卖]进行间接盈利)。
2、本站所有内容均由合作方或网友上传,本站不对文档的完整性、权威性及其观点立场正确性做任何保证或承诺!文档内容仅供研究参考,付费前请自行鉴别。
3、如文档内容存在违规,或者侵犯商业秘密、侵犯著作权等,请点击“违规举报”。

碎片内容

埋弧自动焊接工艺

确认删除?
VIP
微信客服
  • 扫码咨询
会员Q群
  • 会员专属群点击这里加入QQ群
客服邮箱
回到顶部