电脑桌面
添加小米粒文库到电脑桌面
安装后可以在桌面快捷访问

大中型泵站工程管理岗位设置及定员标准

大中型泵站工程管理岗位设置及定员标准_第1页
1/16
大中型泵站工程管理岗位设置及定员标准_第2页
2/16
大中型泵站工程管理岗位设置及定员标准_第3页
3/16
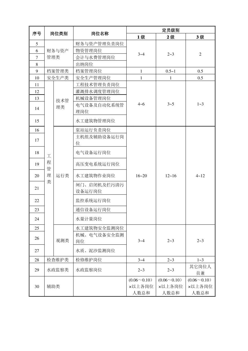
1大中型泵站工程管理岗位设置及定员标准1.1 一般规定与泵站有关联的水库、水闸和灌区等工程的定岗定员,其单位负责、行政管理、财务与资产管理、水政监察及辅助类岗位应统一设置,水库、水闸中的技术管理、运行、观测类岗位和灌区中的渠道管理类岗位按本标准相应岗位类别分别设置。本标准适用于浙江省行政区域内承担灌溉、排水、引水等功能并由水利部门管理的大中型泵站:单站装机流量大于等于 10m³/s 的泵站;单站装机功率大于等于 1000kW 的泵站;小型泵站可参照执行。1.2 定员级别(1)大中型泵站工程管理定员级别按表 7.2.1 的规定确定。表 7.2.1大中型泵站工程定员级别定员级别123装机容量(kW)≥10000<10000≥5000<5000≥1000装机流量(m³/s)≥50<50≥30<30≥10注:①装机流量、装机功率指单站指标,包括备用机组在内。②当泵站装机容量和装机流量不在同一级别范围时,按其中较高者确定定员级别。③统一管理多座或多级泵站的工程管理单位的定员级别划分按总装机容量核定。1.3 岗位类别及名称大中型泵站工程管理的岗位类别及名称见表 7.3.1。表 7.3.1大中型泵站工程管理岗位类别及名称序号1234行政管理类岗位类别单位负责类岗位名称单位负责岗位技术总负责岗位行政事务负责与管理岗位人事劳动教育管理岗位序号56789101112131415161718192021222324252627282930岗位类别岗位名称财务与资产管理负责岗位物资管理岗位会计与水费管理岗位出纳岗位档案管理岗位安全生产管理岗位工程技术管理负责岗位灌溉排水调度管理岗位机械设备管理岗位电气设备及自动化系统管理岗位水工建筑物管理岗位泵站运行负责岗位主机组及辅助设备运行岗位电气设备运行岗位财务与资产管理类档案管理类安全生产类技术管理类工程管理类运行类高压变电系统运行岗位水工建筑物作业岗位闸门、启闭机及拦污清污设备运行岗位监控系统运行岗位通信设备运行岗位水量计量岗位水工建筑物安全监测岗位观测类机械、电气设备安全监测岗位水质、泥沙监测岗位检查维护类水政监察类辅助类检修维护岗位水政监察岗位1.4 岗位定员大中型泵站工程管理各岗位定员按表 7.4.1 的规定确定。表 7.4.1大中型泵站工程管理各岗位定员(单位:人)序号1234岗位类别单位负责类行政管理类岗位名称单位负责岗位技术总负责岗位行政事务负责与管理岗位人事劳动教育管理岗位定员级别1 级2~32~32 级1~21~23 级11~1.5序号567891011121314151617181920212223242526272829岗位类别岗位名...

1、当您付费下载文档后,您只拥有了使用权限,并不意味着购买了版权,文档只能用于自身使用,不得用于其他商业用途(如 [转卖]进行直接盈利或[编辑后售卖]进行间接盈利)。
2、本站所有内容均由合作方或网友上传,本站不对文档的完整性、权威性及其观点立场正确性做任何保证或承诺!文档内容仅供研究参考,付费前请自行鉴别。
3、如文档内容存在违规,或者侵犯商业秘密、侵犯著作权等,请点击“违规举报”。

碎片内容

大中型泵站工程管理岗位设置及定员标准

确认删除?
VIP
微信客服
  • 扫码咨询
会员Q群
  • 会员专属群点击这里加入QQ群
客服邮箱
回到顶部