电脑桌面
添加小米粒文库到电脑桌面
安装后可以在桌面快捷访问

220kV电力变压器绝缘设计

220kV电力变压器绝缘设计_第1页
1/15
220kV电力变压器绝缘设计_第2页
2/15
220kV电力变压器绝缘设计_第3页
3/15
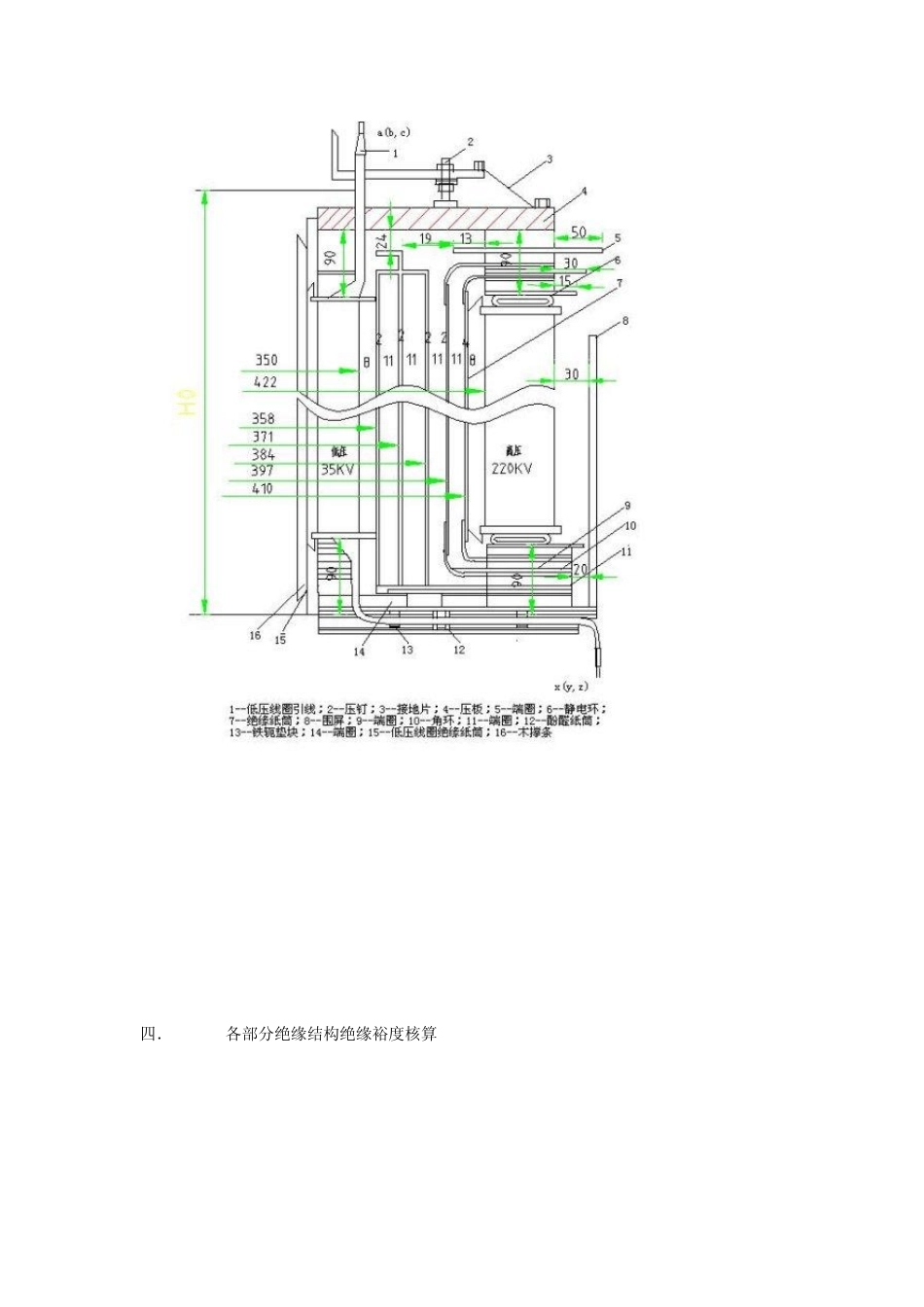
220kV 电力变压器绝缘设计 一. 设计任务 1. 对一台双绕组220KV 级电力变压器进行绝缘结构设计,并进算绝缘结构在雷电冲击电压(全波),1min 工频电压试验下的主、纵绝缘裕度。 2. 技术条件: a、全波雷电冲击试验电压945KV b、 1min 工频试验电压400KV(感应耐压试验)。 3. 变压器结构及其它条件: a、低压绕组外表面半径350mm,高压绕组内表面半径422mm,绕组间绝缘距离72mm b、高压绕组匝绝缘厚度1.95mm 低压绕组匝绝缘厚度0.45mm c、高压绕组为纠结式,高压绕组中部进线 d、高压绕组段间油道尺寸1, 3, 5 向外油道为8mm; 7, 9, 11 向外油道为6mm; 8, 10,12 向内油道为10mm;其他油道均为6mm;中断点为12mm e、全波梯度1, 3, 5 油道为10; 7, 9, 11 油道为8;中断点为15. 4. 要求完成的内容: a、确定变压器主绝缘尺寸 b、计算住、纵绝缘在各种试验电压下的绝缘裕度 c、利用Au to CAD 画出变压器绝缘装配图 d、攥写课程设计报告 5. 参考文献: a、路长柏等编著:电力变压器计算第五章; b、刘传彝:电力变压器设计计算方法与实践; c、路长柏:电力变压器绝缘技术; d、“电机工程手册”第二十五篇。 6. 要求时间:2010 年 1 月 4 日----2010 年 1 月 15 日 二. 综述 针对上述设计要求对 220KV 电力变压器绝缘结构设计如下:对于主绝缘,高低压线圈间主空道为了利用变压器油的体积效应,采用薄纸板小油隙的设计思想,线圈间主绝缘距离为72mm,变压器油与绝缘纸板交替排布,具体结构为(8+2+11+2+11+2+11+2+11+4+8),即∑ Dy=60mm,∑ Dz=12mm,靠近高压线圈的第一个绝缘纸筒厚度取为 4 意在增加其机械强度,以保证高压线圈能够稳固的固定于其上;低压线圈外半径 r1=350mm,高压线圈内半径r2=424mm;低压线圈(35KV)与铁心间采用厚纸板大油隙的设计思想,其绝缘距离定为27mm;由于 220KV 级电力变压器的高压线圈采用中部出线的出线方式,所以端部绝缘结构设计可按 110KV 级绝缘水平设计,其结构为:端部设静电环,静电环采用 1/4 圆曲率半径,S 值取为 5,曲率半径取为 10。静电环金属上表面距离压板为 90mm,期间设一个端圈、两个角环和三个隔板,并加垫块以填充,期中为了增加沿面爬电距离,至上而下三个隔板 在高压线圈一侧分别探出 50、30、15 的长度。由于中部出线,上下端部的绝缘结构相似,下端部结构不再进行详细说明。具体结构...

1、当您付费下载文档后,您只拥有了使用权限,并不意味着购买了版权,文档只能用于自身使用,不得用于其他商业用途(如 [转卖]进行直接盈利或[编辑后售卖]进行间接盈利)。
2、本站所有内容均由合作方或网友上传,本站不对文档的完整性、权威性及其观点立场正确性做任何保证或承诺!文档内容仅供研究参考,付费前请自行鉴别。
3、如文档内容存在违规,或者侵犯商业秘密、侵犯著作权等,请点击“违规举报”。

碎片内容

220kV电力变压器绝缘设计

确认删除?
VIP
微信客服
  • 扫码咨询
会员Q群
  • 会员专属群点击这里加入QQ群
客服邮箱
回到顶部