电脑桌面
添加小米粒文库到电脑桌面
安装后可以在桌面快捷访问

25测量不确定度评定程序不确定度的评定与应用程序(新编)(20152016新版评审准则建设工程质量检测)

25测量不确定度评定程序不确定度的评定与应用程序(新编)(20152016新版评审准则建设工程质量检测)_第1页
1/12
25测量不确定度评定程序不确定度的评定与应用程序(新编)(20152016新版评审准则建设工程质量检测)_第2页
2/12
25测量不确定度评定程序不确定度的评定与应用程序(新编)(20152016新版评审准则建设工程质量检测)_第3页
3/12
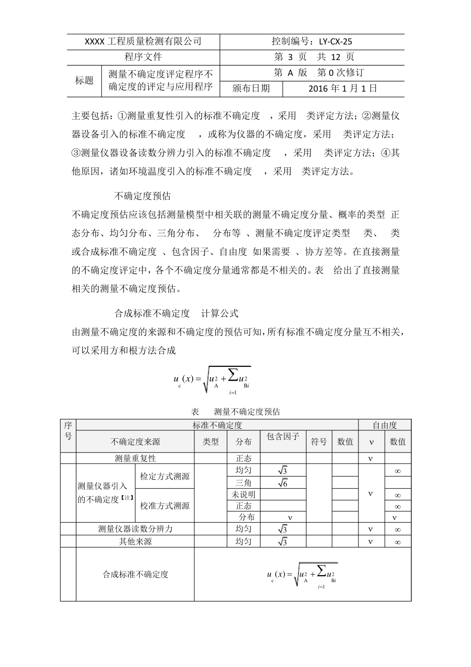
XXXX 工程质量检测有限公司 控制编号:LY-CX-25 程序文件 第 1 页 共 12 页 标题 测量不确定度评定程序不确定度的评定与应用程序 第 A 版 第 0 次修订 颁布日期 2016 年 1 月 1 日 测量不确定度评定程序不确定度的评定与应用程序 1. 目的 对测量结果的不确定度评定进行规范,确保测量不确定度的评定符合JJF1059.1《测量不确定度评定与表示》及资质认定计量认证有关规定的要求。 2. 范围 适用于本实验室检测项目的测量不确定度评定的控制。 3. 职责 3.1 各检测项目人负责相关测量不确定度进行分析与评定,并写出评定报告; 3.2 技术管理者负责对测量不确定度评定报告进行审批。 4. 直接测量不确定度评定工作程序 直接测量是指不需要进行计算,测量结果直接由检测仪器设备的指示值给出。 4.1 测量不确定度的评定原则 4.1.1 本实验室依据第三方检定校准单位给出的报告进行测量不确定度评定,并写出评定报告。执行 CNAS-CL07:2006《测量不确定度评估和报告通用要求》和 CNAS-GL05:2006《测量不确定度要求的实施指南》。 4.1.2 作为检测实验室,如果没有 B类标准不确定度自由度的信息,可以不需要给出自由度,或者认为 B类标准不确定度的自由度为无穷大。 4.2 测量不确定度评定步骤 4.2.1 概述 测量不确定度定义为“依据所用到的信息表征赋予被测量之量值的分散性,是非负的参数”,所以如欲评定测量不确定度,首先必须给出检测的有关信息。 XXXX 工程质量检测有限公司 控制编号:LY-CX-25 程序文件 第 2 页 共 12 页 标题 测量不确定度评定程序不确定度的评定与应用程序 第 A 版 第 0 次修订 颁布日期 2016 年 1 月 1 日 4.2.1.1 测量方法:依据相关技术标准/规范。 4.2.1.2 环境条件:根据技术标准/规范,以及所使用检测仪器设备的要求决定。 4.2.1.3 所用检测仪器设备(经检定合格/校准的可溯源的测量设备器)必须详细给出测量标准型号、序号、扩展不确定度/最大允许误差/准确度等级、分辨力等进行不确定度评定的信息。 4.2.1.4 被测对象 列出被测物品的名称、典型型号等。 4.2.1.5 测量程序 依据测量方法,详细说明测量过程。 必须说明测量结果是由一次测量直接给出,还是由多次测量的平均值给出。 4.2.1.6 评定结果的应用 符合上述条件下的测量结果,通常可以直接使用本不确定度评定结果;或者可以参照本不确定度评定方法,给出不同测量结果的测...

1、当您付费下载文档后,您只拥有了使用权限,并不意味着购买了版权,文档只能用于自身使用,不得用于其他商业用途(如 [转卖]进行直接盈利或[编辑后售卖]进行间接盈利)。
2、本站所有内容均由合作方或网友上传,本站不对文档的完整性、权威性及其观点立场正确性做任何保证或承诺!文档内容仅供研究参考,付费前请自行鉴别。
3、如文档内容存在违规,或者侵犯商业秘密、侵犯著作权等,请点击“违规举报”。

碎片内容

25测量不确定度评定程序不确定度的评定与应用程序(新编)(20152016新版评审准则建设工程质量检测)

您可能关注的文档

确认删除?
VIP
微信客服
  • 扫码咨询
会员Q群
  • 会员专属群点击这里加入QQ群
客服邮箱
回到顶部