电脑桌面
添加小米粒文库到电脑桌面
安装后可以在桌面快捷访问

4常用符号和代号

4常用符号和代号_第1页
1/19
4常用符号和代号_第2页
2/19
4常用符号和代号_第3页
3/19
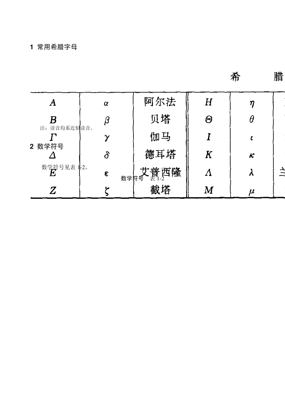
1 常用希腊字母 注:读音均系近似读音。 2 数学符号 数学符号见表 1 -2 。 数学符号 表 1 -2 3 法定计量单位符号 我国法定计量单位(以下简称法定单位)包括: 1.国际单位制(S I)的基本单位(见表 1-3) 国际单位制(SI)的基本单位 表 1-3 量的名称 单位名称 单位符号 长度 米 m 质量 千克(公斤) kg 时间 秒 s 电流 安[培] A 热力学温度 开[尔文] K 物质的量 摩[尔] mol 发光强度 坎[德拉] cd 注:1.圆括号中的名称,是它前面的名称的同义词。 2.无方括号的量的名称与单位名称均为全称。方括号中的字,在不致引起混淆、误解的情况下,可以省略。去掉方括号中的字即为其名称的简称。下同。 3.人民生活和贸易中,质量习惯称为重量。 2.国际单位制(SI)的辅助单位(见表 1-4) 国际单位制(SI)的辅助单位 表 1-4 量的名称 单位名称 单位符号 平面角 弧度 rad 立体角 球面度 sr 3.国际单位制(SI)中具有专门名称的导出单位(见表 1-5) 国际单位制(SI)中的导出单位 表 1-5 量的名称 单位名称 单位符号 其他表示式例 频率 赫[兹] Hz s-1 力;重力 牛[顿] N kg·m/s2 压力;压强;应力 帕[斯卡] Pa N/m2 能量;功;热 焦[耳] J N·m 功率;辐射通量 瓦[特] W J/s 电荷量 库[仑] C A·s 电位;电压;电动势 伏[特] V W/A 电容 法[拉] F C/V 电阻 欧[姆] Ω V/A 电导 西[门子] S A/V 磁通量 韦[伯] Wb V·s 磁通量密度;磁感应强度 特[斯拉] T Wb/m2 电感 亨[利] H Wb/A 摄氏温度 摄氏度 ℃ 光通量 流[明] lm cd·sr 光照度 勒[克斯] lx 1m/m2 放射性活度 贝可[勒尔] Bq s-1 吸收剂量 戈[瑞] Gy J/kg 剂量当量 希[沃特] Sv J/kg 4.国家选定的非国际单位制单位(见表1-6) 国家选定的非国际单位制单位 表1-6 注:1.平面角单位度、分、秒的符号,在组合单位中应采用(°)、(')、(")的形式。例如,不用°/s而用(°)/s。 2.升的符号中,小写字母 l 为备用符号。 3.公顷的国际通用符号为 ha。 4.r 为“转”的符号。 5.用于构成十进倍数和分数单位的词头(见表1-7 ) 构成十进倍数和分数单位的词头 表1-7 注:1 0 4 称为万,1 0 8 称为亿,1 0 12 称为万亿,这类数词的使用不受词头名称的影响,但不应与词头混淆。 4 文字表量符号 文字表量符号...

1、当您付费下载文档后,您只拥有了使用权限,并不意味着购买了版权,文档只能用于自身使用,不得用于其他商业用途(如 [转卖]进行直接盈利或[编辑后售卖]进行间接盈利)。
2、本站所有内容均由合作方或网友上传,本站不对文档的完整性、权威性及其观点立场正确性做任何保证或承诺!文档内容仅供研究参考,付费前请自行鉴别。
3、如文档内容存在违规,或者侵犯商业秘密、侵犯著作权等,请点击“违规举报”。

碎片内容

4常用符号和代号

您可能关注的文档

确认删除?
VIP
微信客服
  • 扫码咨询
会员Q群
  • 会员专属群点击这里加入QQ群
客服邮箱
回到顶部