电脑桌面
添加小米粒文库到电脑桌面
安装后可以在桌面快捷访问

5S实施流程

5S实施流程_第1页
1/8
5S实施流程_第2页
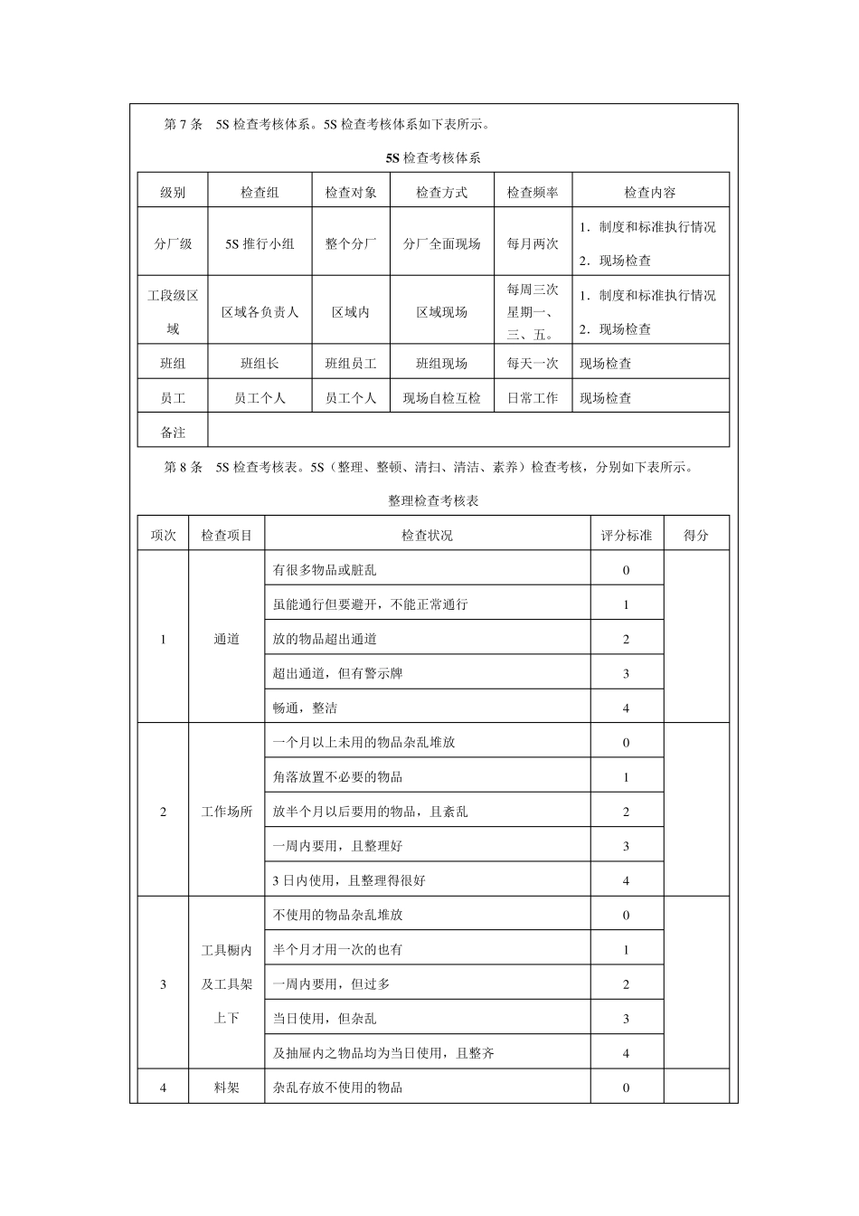
2/8
5S实施流程_第3页
3/8
5S 小组的建立流程图 部门 步骤 5S 活动的总结 5S 小组建立前的准备 5S 小组制度的建立 分厂厂长 班组长 5S 小组 工段长 5S 活动的实施 熟悉划分的区域及相关事项 建立小组组织结构 小组成立会议召开 抽选小组成员 按活动要求、按检查体系要求检查 划分确定区域 落实执行 整改 下 达指示 建立5S 活动实施办法 掌握 5S 活动实施办法 准备检查工具 班员工 审批 上报 按照整改措施继续实施 5S 检查活动的实施标准 制度 名称 二分厂5S 活动检查及奖惩办法 受控状态 编 号 执行部门 监督部门 考证部门 第1 章 总则 第1 条 目的。为使5S 活动持续有效地运行,维持工厂良好的环境,特制定本办法。 第2 条 范围。本办法规定了5S 活动检查办法的基本规则,适用于分厂所属各区域及相关场所。 第3 条 检查种类。 1.分厂5S 推行小组检查。 2.责任区内部检查。 3.班组检查。 4.员工自查与互查。 第4 条 责任。 1.分厂巡回检查,由分厂5S 推行小组进行现场5S 日常巡回检查。 2.工段区域内部检查,由分厂各工段区责任人进行现场5S 日常巡回检查。 3.班组检查,由各个工段区域内的班组进行现场5S 日常巡回检查。 4.员工自查与互查,由员工本人检查。 第2 章 检查实施 第5 条 检查标准。5S 推行根据检查对象的工作性质制定检查标准: 1.根据区域类别分为厂区、生产、附件库房、宿舍四类。检查时,各责任区域可根据区域内班组的类别参照相关的检查标准。 2.根据检查5S 责任的对象不同,生产类分为车间、班组、员工三个层次。 3.5S 推行小组、各责任区域、班组可根据工作特点的不同,制定5S 日常巡回检查表相关内容。 第6 条 检查工具的准备。 1.检查档案夹准备。 2.检查表准备。 3.检查记录表准备。 4.检查细则。 第7 条 5S 检查考核体系。5S 检查考核体系如下表所示。 5S 检查考核体系 级别 检查组 检查对象 检查方式 检查频率 检查内容 分厂级 5S 推行小组 整个分厂 分厂全面现场 每月两次 1.制度和标准执行情况 2.现场检查 工段级区域 区域各负责人 区域内 区域现场 每周三次星期一、三、五。 1.制度和标准执行情况 2.现场检查 班组 班组长 班组员工 班组现场 每天一次 现场检查 员工 员工个人 员工个人 现场自检互检 日常工作 现场检查 备注 第8 条 5S 检查考核表。5S(整理、整顿、清扫、...

1、当您付费下载文档后,您只拥有了使用权限,并不意味着购买了版权,文档只能用于自身使用,不得用于其他商业用途(如 [转卖]进行直接盈利或[编辑后售卖]进行间接盈利)。
2、本站所有内容均由合作方或网友上传,本站不对文档的完整性、权威性及其观点立场正确性做任何保证或承诺!文档内容仅供研究参考,付费前请自行鉴别。
3、如文档内容存在违规,或者侵犯商业秘密、侵犯著作权等,请点击“违规举报”。

碎片内容

确认删除?
VIP
微信客服
  • 扫码咨询
会员Q群
  • 会员专属群点击这里加入QQ群
客服邮箱
回到顶部