电脑桌面
添加小米粒文库到电脑桌面
安装后可以在桌面快捷访问

5S生产现场定置管理规定

5S生产现场定置管理规定_第1页
1/7
5S生产现场定置管理规定_第2页
2/7
5S生产现场定置管理规定_第3页
3/7
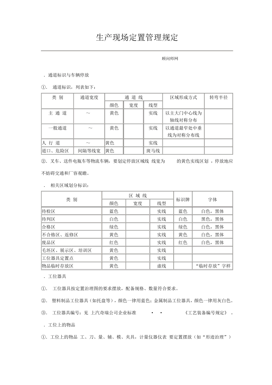
生产现场定置管理规定 admin 2008-01-08 10:03:44 顾问师网 1.通道标识与车辆停放 ①. 通道标识,列表如下: 类 别 通道宽度 通 道 线 区域形成方式 转弯半径 颜色 宽度 线型 主 通 道 4~6m 黄色 100mm 实线 以主大门中心线为轴线对称分布 4000mm 一般通道 2.8~4m 黄色 100mm 实线 以通道最窄处中垂线为对称分布线 3000mm 人 行 道 1~2m 黄色 100mm 实线 道口、危险区 间隔等线宽 黄色 100 mm 斑马线 ②.叉车、送件电瓶车等物流车辆,要划定停放区域线(线宽为 50mm的黄色实线区划),停放地应不妨碍交通和厂容观瞻。 2. 相关区域划分标识: 类 别 区 域 线 标识牌 字体 颜色 宽度 线型 待检区 蓝色 50 mm 实线 蓝色 白色,黑体 待判区 白色 50 mm 实线 白色 黑色,黑体 合格区 绿色 50 mm 实线 绿色 白色,黑体 不合格区、返修区 黄色 50 mm 实线 黄色 白色,黑体 废品区 红色 50 mm 实线 红色 白色,黑体 毛坯区、展示区、培训区 黄色 50 mm 实线 工位器具定置点 黄色 50 mm 实线 物品临时存放区 黄色 50 mm 虚线 “临时存放”字样 3.工位器具 ①. 工位器具按定置治理图的要求摆放,配备规格、数量符合要求。 ②. 塑料制品工位器具(如托盘等),颜色一律用蓝色;金属制品工位器具,颜色一律用灰白色。 ③. 工位器具编号:见"上汽奇瑞公司企业标准 Q/SQR·06·002-2003 《工艺装备编号规定》"。 4.工位上的物品 ①.工位上的物品(工、刀、量、辅、模、夹具,计量仪器仪表)要定置摆放(如“形迹治理”)并尽可能采用标识。 ②.工具箱内的工、刀、量、辅具等物品定位放置(如形迹治理),且只能放置与生产有关物品,箱门内面要有物品清单,清单一律贴在门的左上角。 ③.工位上的各种图表、操作卡等文件规格统一,必须定置悬挂。 5.零件及制品 零件及在制品用规定的工位器具存放,并定量、定位整洁摆放不落地,大型零件、总成按规定位置、标高、整洁摆放,达到过目知数。 6.库房 必须有定置治理图,有 A、B、C重点治理清单,器具按零件配置并且定置摆放。零件及物品定箱、定量、定位存放,摆放整洁。 7.消防器具 现场消防器具按要求定点摆放,定期检查,保持清洁、状态完好(如可采用“防呆措施”等)。 8.垃圾存放与处理 ①.生产现场划分:工业垃圾与生活垃圾。工业垃圾用黄色料箱摆放...

1、当您付费下载文档后,您只拥有了使用权限,并不意味着购买了版权,文档只能用于自身使用,不得用于其他商业用途(如 [转卖]进行直接盈利或[编辑后售卖]进行间接盈利)。
2、本站所有内容均由合作方或网友上传,本站不对文档的完整性、权威性及其观点立场正确性做任何保证或承诺!文档内容仅供研究参考,付费前请自行鉴别。
3、如文档内容存在违规,或者侵犯商业秘密、侵犯著作权等,请点击“违规举报”。

碎片内容

5S生产现场定置管理规定

确认删除?
VIP
微信客服
  • 扫码咨询
会员Q群
  • 会员专属群点击这里加入QQ群
客服邮箱
回到顶部