电脑桌面
添加小米粒文库到电脑桌面
安装后可以在桌面快捷访问

8259中断控制实验报告VIP专享

8259中断控制实验报告_第1页
1/8
8259中断控制实验报告_第2页
2/8
8259中断控制实验报告_第3页
3/8
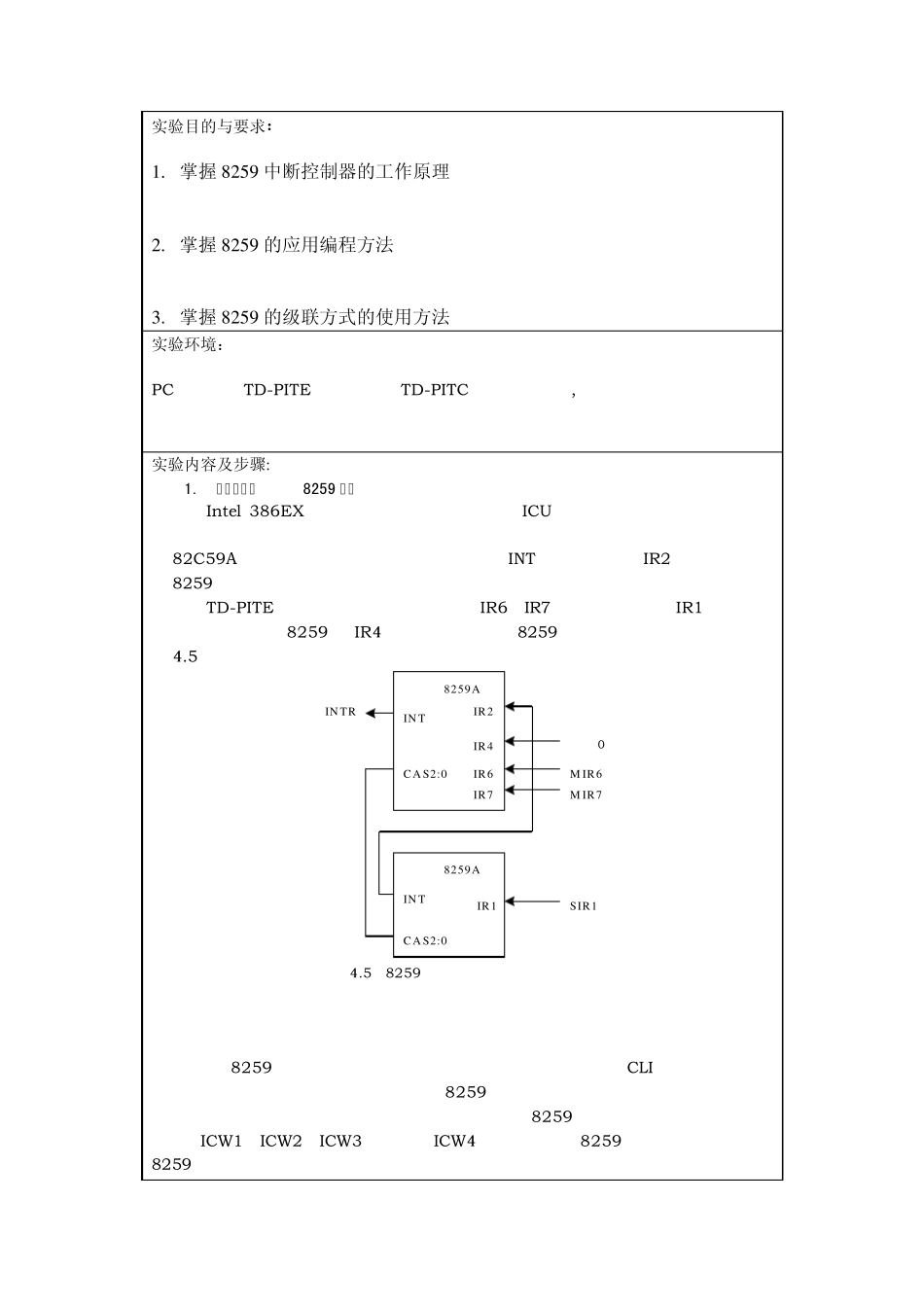
深 圳 大 学 实 验 报 告 课程名称: 微机原理与接口技术 实验项目名称: 8 2 5 9 中断控制实验 学院: 信息工程学院 专业: 电子信息工程 指导教师: 报告人:学号:2 0 1 0 1 9 班级: 电子 实验时间: 2 0 1 2 .5 .1 8 实验报告提交时间: 2 0 1 2 .6 .9 教务处制 实验目的与要求: 1. 掌握 8259 中断控制器的工作原理 2. 掌握 8259 的应用编程方法 3. 掌握 8259 的级联方式的使用方法 实验环境: PC 机一台,TD-PITE 实验装置或 TD-PITC 实验装置一套,过滤器一台 实验内容及步骤: 1. 中断控制器8259 简介 在 Intel 386EX 芯片中集成有中断控制单元(ICU),该单元包含有两个级联中断控制器,一个为主控制器,一个为从控制器。该中断控制单元就功能而言与工业上标准的 82C59A 是一致的,操作方法也相同。从片的 INT 连接到主片的 IR2 信号上构成两片 8259 的级联。 在 TD-PITE 实验系统中,将主控制器的 IR6、IR7 以及从控制器的 IR1 开放出来供实验使用,主片 8259 的 IR4 供系统串口使用。8259 的内部连接及外部管脚引出如图 4.5: 主 片 8259A从 片 8259AINTINTCAS2:0CAS2:0IR2IR4IR6IR7IR1INT R( 内 核 )串 口 0M IR6M IR7SIR1 图 4.5 8259 内部连续及外部管脚引出图 在对 8259 进行编程时,首先必须进行初始化。一般先使用 CLI 指令将所有的可屏蔽中断禁止,然后写入初始化命令字。8259 有一个状态机控制对寄存器的访问,不正确的初始化顺序会造成异常初始化。在初始化主片 8259 时,写入初始化命令字的顺序是:ICW1、ICW2、ICW3、然后是 ICW4,初始化从片 8259 的顺序与初始化主片8259 的顺序是相同的。 系统启动时,主片 8259 已被初始化,且 4 号中断源(IR4)提供给与 PC 联机的串口通信使用,其它中断源被屏蔽。中断矢量地址与中断号之间的关系如下表所示: 主片中断序号 0 1 2 3 4 5 6 7 功能调用 08H 09H 0AH 0BH 0CH 0DH 0EH 0FH 矢量地址 20H~23H 24H~27H 28H~2BH 2CH~2FH 30H~33H 34H~37H 38H~3BH 3CH~3FH 说明 未开放 未开放 未开放 未开放 串口 未开放 可用 可用 从片中断序号 0 1 2 3 4 5 6 7 功能调用 30H 31H 32H 33H 34H 35H 36H 37H 矢量地址 C0H~C3H C4H~C7H C8H~CBH CCH~CFH D0H~D3H D4H~D7H D8H~...

1、当您付费下载文档后,您只拥有了使用权限,并不意味着购买了版权,文档只能用于自身使用,不得用于其他商业用途(如 [转卖]进行直接盈利或[编辑后售卖]进行间接盈利)。
2、本站所有内容均由合作方或网友上传,本站不对文档的完整性、权威性及其观点立场正确性做任何保证或承诺!文档内容仅供研究参考,付费前请自行鉴别。
3、如文档内容存在违规,或者侵犯商业秘密、侵犯著作权等,请点击“违规举报”。

碎片内容

8259中断控制实验报告

小辰4+ 关注
实名认证
内容提供者

出售各种资料和文档

确认删除?
VIP
微信客服
  • 扫码咨询
会员Q群
  • 会员专属群点击这里加入QQ群
客服邮箱
回到顶部