电脑桌面
添加小米粒文库到电脑桌面
安装后可以在桌面快捷访问

90m跨简支梁桥设计计算书

90m跨简支梁桥设计计算书_第1页
1/23
90m跨简支梁桥设计计算书_第2页
2/23
90m跨简支梁桥设计计算书_第3页
3/23
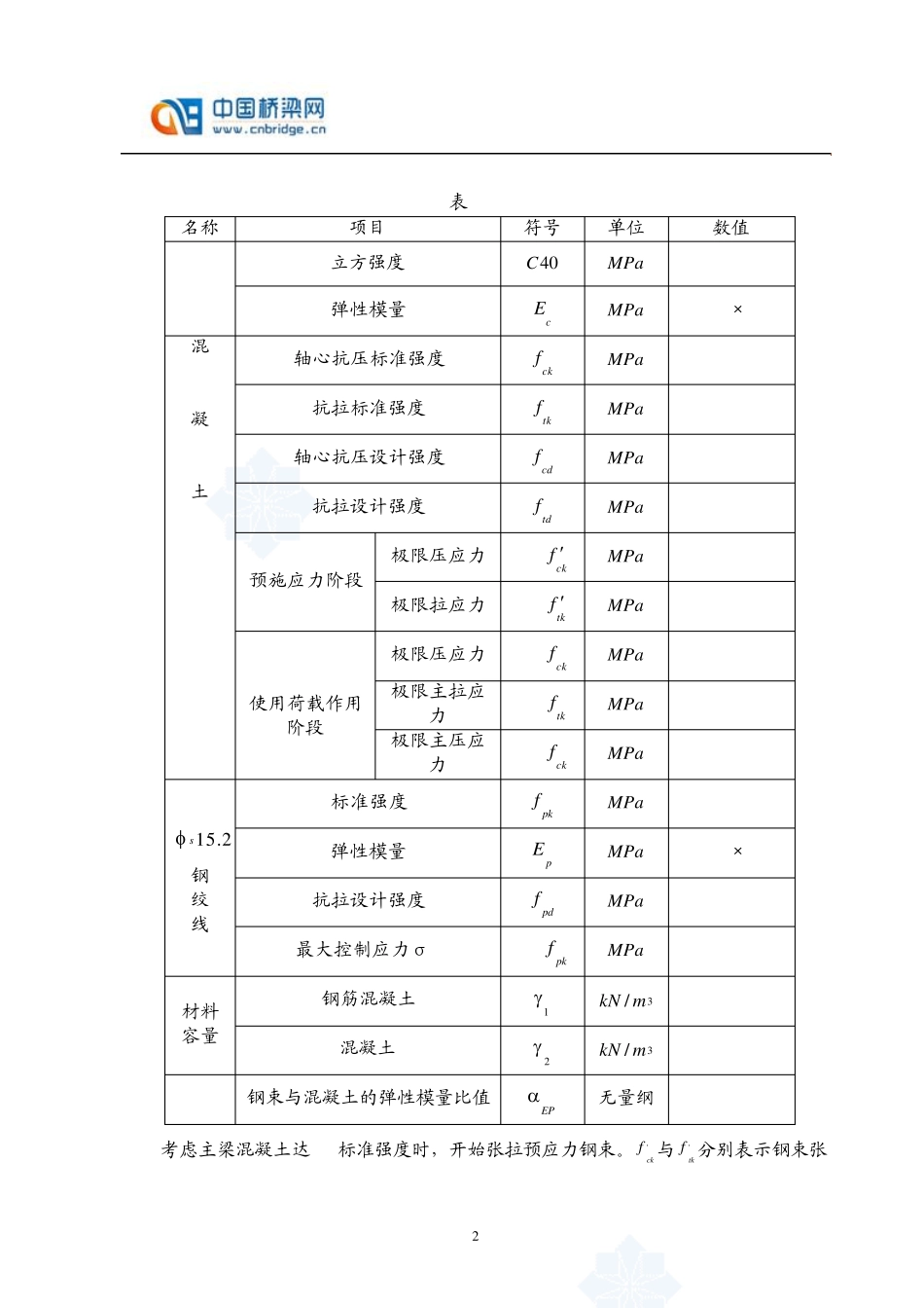
1 9 0m 跨简支梁桥设计计算书 一、设计资料 1. 概述 该桥设计为简支梁桥,主桥全长90米,桥面宽10米,双向两车道。 2.设计标准 设计荷载:公路-Ⅱ级,人群荷载3.0 kN/m2,每侧栏杆、人行道重量的作用力分别为1.52 kN/m和2.25 kN/m。 1) 桥面布置:净7.0m(车行道)+2×1m(人行道)+2×0.5(栏杆) 2) 航道等级:不通航 3) 桥面纵坡:0 4) 桥面横坡:车行道:双向1.5%; 5) 标准跨经:30m(墩中心距离) 3.设计规范 遵照中华人民共和国交通部部颁标准: 1) 《公路工程技术标准》—(JTG B01-2003) 2) 《公路桥涵设计通用规范》—(JTG D60-2004) 3) 《公路钢筋混凝土及预应力混凝土桥涵设计规范》—(JTG D62-2004) 4) 《公路桥涵地基与基础设计规范》—(JTJ024-85) 5) 《公路工程抗震设计规范》—(JTJ004-89) 4.材料及工艺: 混凝土:主梁C40,人行道、栏杆及桥面铺装用C30; 预应力钢束:标准的2 4.1 5smm1860钢绞线,每束由6根组成; 普通钢筋:直径大于和等于12mm的采用16Mn钢或Ⅱ级热轧螺纹钢筋,直径小于12mm的均用Ⅰ级热轧光圆钢筋。 钢板及角钢:制作锚头下支承垫板、支座垫板等均用普通As碳素钢,主梁间的联接用16Mn低合金结构钢板。 按后张法工艺制作主梁,采用OVM15-6锚具和直径65mm抽拔橡胶管。 5.基本计算数据(见表 1-1) 2 表1-1 名称 项目 符号 单位 数值 立方强度 4 0C MPa 40 弹性模量 cE MPa 3.25×104 混 凝 土 轴心抗压标准强度 ckf MPa 26.8 抗拉标准强度 tkf MPa 2.4 轴心抗压设计强度 cdf MPa 18.4 抗拉设计强度 tdf MPa 1.65 预施应力阶段 极限压应力 0.7ckf  MPa 16.88 极限拉应力 0.7tkf  MPa 1.51 使用荷载作用阶段 极限压应力 0.5ckf MPa 13.4 极限主拉应力 0.8tkf MPa 1.92 极限主压应力 0.6ckf MPa 16.08 2.1 5s钢 绞 线 标准强度 pkf MPa 1860 弹性模量 pE MPa 1.95×105 抗拉设计强度 pdf MPa 1395 最大控制应力σcon 0.8pkf MPa 1116 材料 容量 钢筋混凝土 1 3/ mkN 25.0 混凝土 2 3/ mkN 24.0 钢束与混凝土的弹性模量比值 EP 无量纲 6.31 考虑主梁混凝土达90%标准强度时,开始张拉预应力钢束。 fck' 与 ftk' 分别表示钢束张 3 拉时混凝土的抗压,抗拉标准强度,则: ckf  =0.9ckf =24.12 MPa ;tkf  =0.9tkf =2.16...

1、当您付费下载文档后,您只拥有了使用权限,并不意味着购买了版权,文档只能用于自身使用,不得用于其他商业用途(如 [转卖]进行直接盈利或[编辑后售卖]进行间接盈利)。
2、本站所有内容均由合作方或网友上传,本站不对文档的完整性、权威性及其观点立场正确性做任何保证或承诺!文档内容仅供研究参考,付费前请自行鉴别。
3、如文档内容存在违规,或者侵犯商业秘密、侵犯著作权等,请点击“违规举报”。

碎片内容

90m跨简支梁桥设计计算书

您可能关注的文档

确认删除?
VIP
微信客服
  • 扫码咨询
会员Q群
  • 会员专属群点击这里加入QQ群
客服邮箱
回到顶部