电脑桌面
添加小米粒文库到电脑桌面
安装后可以在桌面快捷访问

ASTME155标准图谱镁合金图谱的定量总结

ASTME155标准图谱镁合金图谱的定量总结_第1页
1/10
ASTME155标准图谱镁合金图谱的定量总结_第2页
2/10
ASTME155标准图谱镁合金图谱的定量总结_第3页
3/10
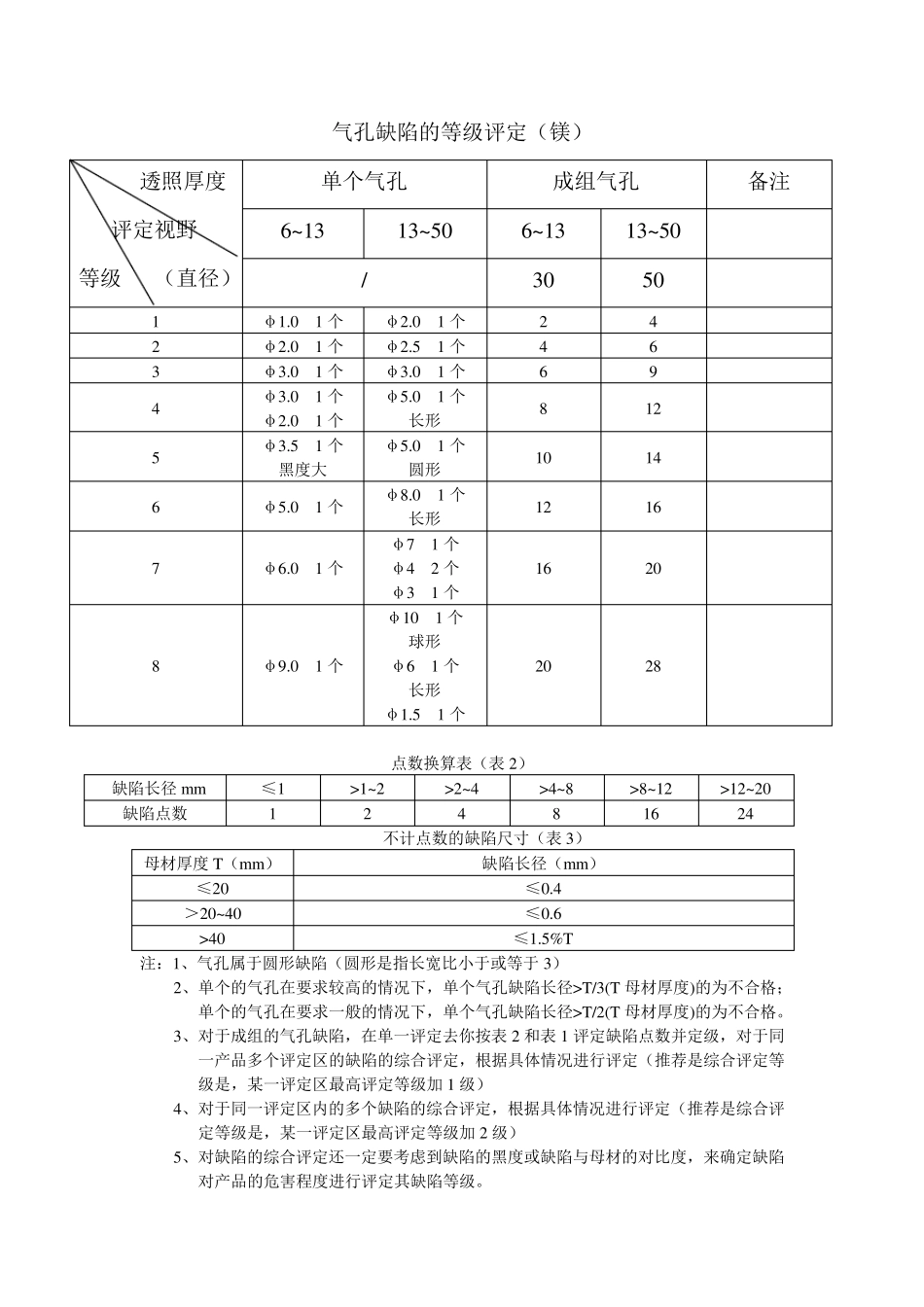
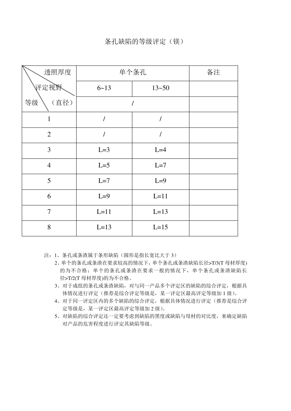
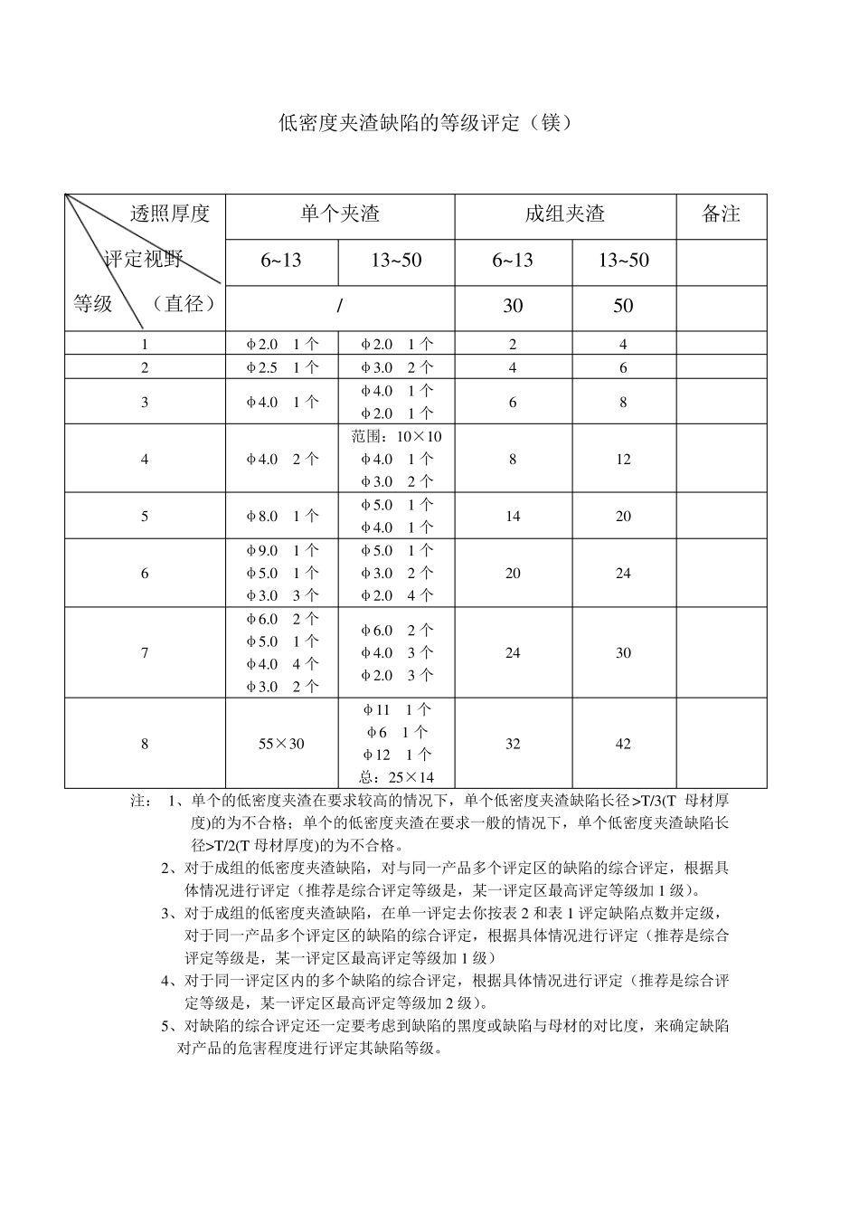
气孔缺陷的等级评定(镁) 透照厚度 评定视野 等级 (直径) 单个气孔 成组气孔 备注 6~13 13~50 6~13 13~50 / 30 50 1 φ1.0 1 个 φ2.0 1 个 2 4 2 φ2.0 1 个 φ2.5 1 个 4 6 3 φ3.0 1 个 φ3.0 1 个 6 9 4 φ3.0 1 个 φ2.0 1 个 φ5.0 1 个 长形 8 12 5 φ3.5 1 个 黑度大 φ5.0 1 个 圆形 10 14 6 φ5.0 1 个 φ8.0 1 个 长形 12 16 7 φ6.0 1 个 φ7 1 个 φ4 2 个 φ3 1 个 16 20 8 φ9.0 1 个 φ10 1 个 球形 φ6 1 个 长形 φ1.5 1 个 20 28 点数换算表(表 2) 缺陷长径mm ≤1 >1~2 >2~4 >4~8 >8~12 >12~20 缺陷点数 1 2 4 8 16 24 不计点数的缺陷尺寸(表 3) 母材厚度T(mm) 缺陷长径(mm) ≤20 ≤0.4 >20~40 ≤0.6 >40 ≤1.5%T 注:1、气孔属于圆形缺陷(圆形是指长宽比小于或等于 3) 2、单个的气孔在要求较高的情况下,单个气孔缺陷长径>T/3(T 母材厚度)的为不合格; 单个的气孔在要求一般的情况下,单个气孔缺陷长径>T/2(T 母材厚度)的为不合格。 3、对于成组的气孔缺陷,在单一评定去你按表 2 和表 1 评定缺陷点数并定级,对于同一产品多个评定区的缺陷的综合评定,根据具体情况进行评定(推荐是综合评定等级是,某一评定区最高评定等级加 1 级) 4、对于同一评定区内的多个缺陷的综合评定,根据具体情况进行评定(推荐是综合评定等级是,某一评定区最高评定等级加 2 级) 5、对缺陷的综合评定还一定要考虑到缺陷的黑度或缺陷与母材的对比度,来确定缺陷对产品的危害程度进行评定其缺陷等级。 条孔缺陷的等级评定(镁) 透照厚度 评定视野 等级 (直径) 单个条孔 备注 6~13 13~50 / 1 / / 2 / / 3 L=3 L=4 4 L=5 L=7 5 L=7 L=9 6 L=9 L=11 7 L=11 L=13 8 L=13 L=15 注:1、条孔或条渣属于条形缺陷(圆形是指长宽比大于 3) 2、单个的条孔或条渣在要求较高的情况下,单个条孔或条渣缺陷长径>T/3(T 母材厚度)的为不合格;单个的条孔或条渣在要求一般的情况下,单个条孔或条渣缺陷长径>T/2(T 母材厚度)的为不合格。 3、对于成组的条孔或条渣缺陷,对与同一产品多个评定区的缺陷的综合评定,根据具体情况进行评定(推荐是综合评定等级是,某一评定区最高评定等级加 1 级)。 4、对于同一评定区内的多个缺陷的综合评定,...

1、当您付费下载文档后,您只拥有了使用权限,并不意味着购买了版权,文档只能用于自身使用,不得用于其他商业用途(如 [转卖]进行直接盈利或[编辑后售卖]进行间接盈利)。
2、本站所有内容均由合作方或网友上传,本站不对文档的完整性、权威性及其观点立场正确性做任何保证或承诺!文档内容仅供研究参考,付费前请自行鉴别。
3、如文档内容存在违规,或者侵犯商业秘密、侵犯著作权等,请点击“违规举报”。

碎片内容

ASTME155标准图谱镁合金图谱的定量总结

您可能关注的文档

确认删除?
VIP
微信客服
  • 扫码咨询
会员Q群
  • 会员专属群点击这里加入QQ群
客服邮箱
回到顶部