电脑桌面
添加小米粒文库到电脑桌面
安装后可以在桌面快捷访问

AT89s51中文资料

AT89s51中文资料_第1页
1/23
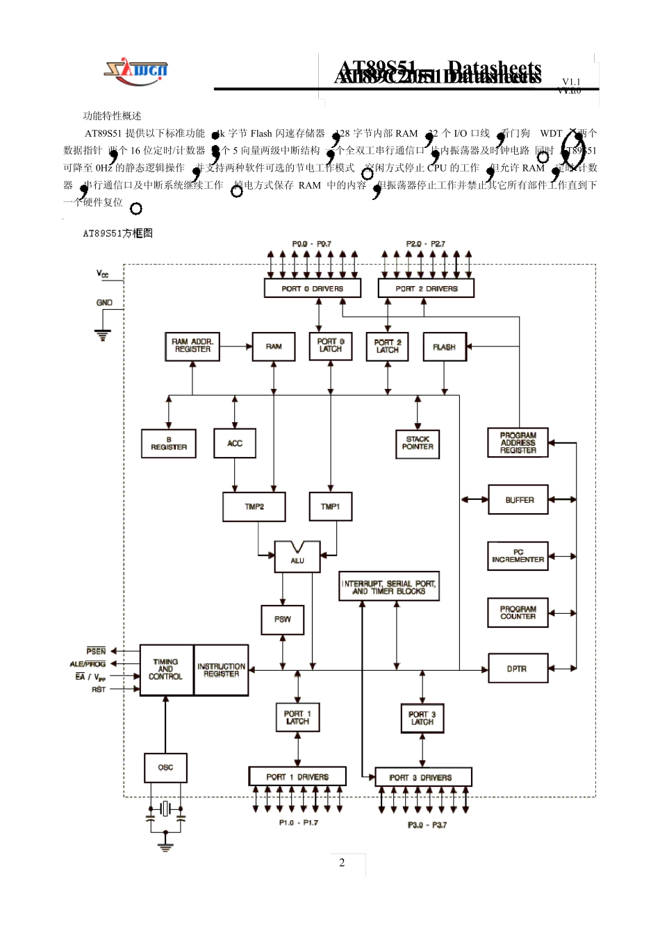
AT89s51中文资料_第2页
2/23
AT89s51中文资料_第3页
3/23
                !"  #$%&'()*+,-  ./01234  5678"9:;<=0>"  ?@ABCD EFG  HIJKLMGNO"PQRSO"BTUVWXY         Z[\]^  _./`a*+bc de6fghijklm nopqqq rstuvbwqxywyz {|}~a{|qx#p de   f 7  p ] Da{=  > ¡¢£¤}D¥¡¢¦§¨©ª«¬0]­.®¤},¯£°o±RS6fghxde²³t             ±´µ     JK¶·,- de  no de    7¨©ª !¸]­.® ¸ " ] ¹  º»¸D¼½¹a{=>¾ ¿À0Á}ÂÃ ÄÅ#$ ÆÇÈ|ÉÊ˸UÌ Íe}{|¡¢:ÎÏ% {|ÐÑL ]=>¾0DÒÓ{|¤}:Ô  D+пÀÎÏ{|ÉÕÏÖ3ר {|ÙÚ·¹Û Ü         12ÝÞzßß}}~àá¬âhq hq ¹ã äåæÂçº f   8èâé]­ê7Ü"|Hëì" íîï  ÆÇ©}Âðñtp|Hòóëôñ"6õö÷]­²øã7ùúûâé  £]­ê7Ü"6õövüýSþÿ}ò6   ./de6ëì./de[...

1、当您付费下载文档后,您只拥有了使用权限,并不意味着购买了版权,文档只能用于自身使用,不得用于其他商业用途(如 [转卖]进行直接盈利或[编辑后售卖]进行间接盈利)。
2、本站所有内容均由合作方或网友上传,本站不对文档的完整性、权威性及其观点立场正确性做任何保证或承诺!文档内容仅供研究参考,付费前请自行鉴别。
3、如文档内容存在违规,或者侵犯商业秘密、侵犯著作权等,请点击“违规举报”。

碎片内容

AT89s51中文资料

确认删除?
VIP
微信客服
  • 扫码咨询
会员Q群
  • 会员专属群点击这里加入QQ群
客服邮箱
回到顶部