电脑桌面
添加小米粒文库到电脑桌面
安装后可以在桌面快捷访问

BOM物料命名规范

BOM物料命名规范_第1页
1/7
BOM物料命名规范_第2页
2/7
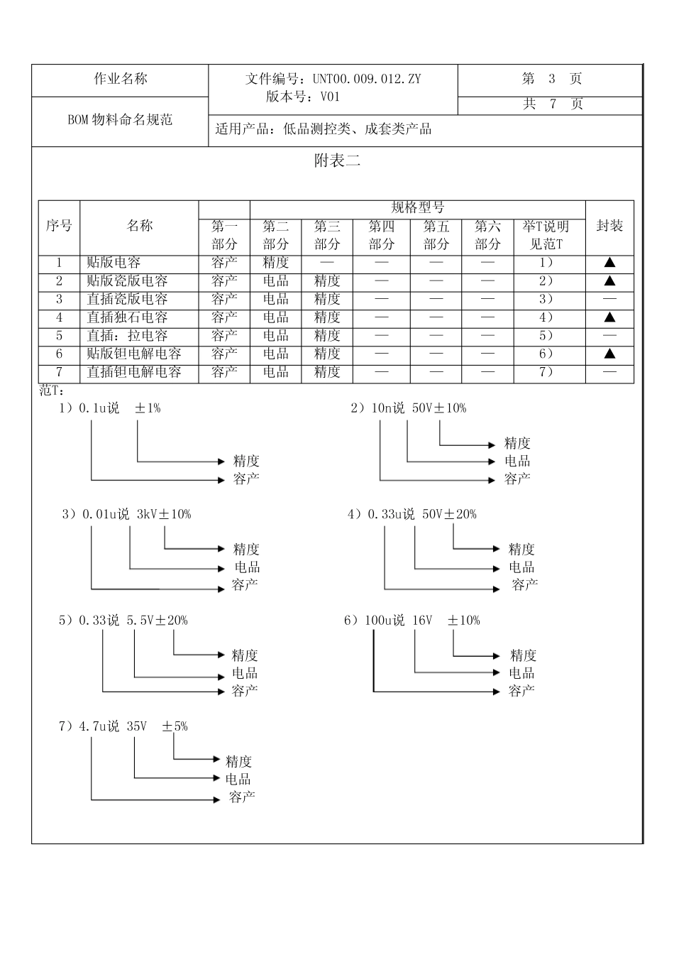
BOM物料命名规范_第3页
3/7
Ȓ"817=<ę9జ%20 ě3&˩-/_Ȋ_çÅńń/_& %20 PȒ"ݖc/_."PƑě3&ǎ (53 "c+"&-ǎȊ_çÅńń/_ฤ*ƀ.**8ě3&/_..**đě3&"P/_ěΡOҚ**đě3&җ/_ěΡń-)v-)nj"خǒȏ౧-)஧""຺-)ᇏ -)ǔ॒  Ѥ  Ѥ ঠ   G#ݯ v +ÅPv޻   +ૐ   _º ķ -)˥-࡚ &ॕ ܖ  ě ǎॕ  ě/_.ּ c ̤ ƀ.-  ƀ. ࡚ &˷  ͪ  ּ  ٫%ǔ Ƒě8μvܖ  3ěc ϤđƑ ٫˥ Ƒě8μvܖ  3ěc Ϥđμv ٫࡚ &Ƒëc̤ ೜) )f*f-f.f0fƑ    L ü   L ǔ Ƒ ඥ p ࡚    ڣ̕#tȒ"817=<ę9జ%20 ě3&˩-/_Ȋ_çÅńń/_ַజ.జnj.జ.జ.జǔ.Ɯ7)&7ეęɢ೜üüüޮɢ೜$üüȉɢͩħüüü/Ӑ຺ɢͩħ೜üüɢͩħ೜üüü_ؖPP؀Ġ_೜üü&7N¡f...

1、当您付费下载文档后,您只拥有了使用权限,并不意味着购买了版权,文档只能用于自身使用,不得用于其他商业用途(如 [转卖]进行直接盈利或[编辑后售卖]进行间接盈利)。
2、本站所有内容均由合作方或网友上传,本站不对文档的完整性、权威性及其观点立场正确性做任何保证或承诺!文档内容仅供研究参考,付费前请自行鉴别。
3、如文档内容存在违规,或者侵犯商业秘密、侵犯著作权等,请点击“违规举报”。

碎片内容

BOM物料命名规范

确认删除?
VIP
微信客服
  • 扫码咨询
会员Q群
  • 会员专属群点击这里加入QQ群
客服邮箱
回到顶部