电脑桌面
添加小米粒文库到电脑桌面
安装后可以在桌面快捷访问

B系列模块化风管机

B系列模块化风管机_第1页
1/9
B系列模块化风管机_第2页
2/9
B系列模块化风管机_第3页
3/9
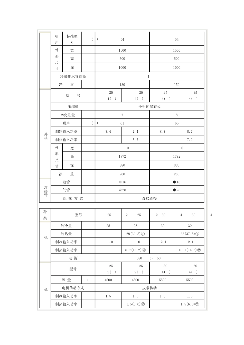
风 管 机 系 列 B系 列 模 块 化 风 管 机 一 、 产 品 特 点 模 块 化 设 计 , 在 使 用 过 程 中 可 实 现 多 级 的 部 分 负 荷 运 行 , 对 电 网 冲 击 小 , 运 行 效 率 高 。 具 体 构 成为 : FG20/B-N4、 FG25/B-N4、 FG25/B-N2、 FG30/B-N4、 FG40/B-N4、 FG55/B-N3、 FG65/B-N4、 FGR20/B-N4、 FGR25/B-N4、 FGR25/B-N2、 FGR30/B-N4、 FGR40/B-N4、 FGR55/B-N3、 FGR65/B-N4为 一 拖 一 系 统 ,由 一 台 室 内 机 、 一 台 室 外 机 和 一 套 连 接 管 构 成 ; FG50/B(2)-N4、 FG60/B(2)-N4、 FGR50/B(2)-N4、FGR60/B(2)-N4为 二 拖 一 系 统 , 由 一 台 室 内 机 、 两 台 室 外 机 和 两 套 连 接 管 构 成 。 ◆ 运 行 宁 静 : 采 用 独 特 的 结 构 设 计 方 式 , 使 机 组 运 行 过 程 中 噪 声 极 低 。 ◆ 高 效 节 能 : 获 得 国 家 节 能 认 证 产 品 证 书 , 节 能 水 平 达 到 业 内 最 高 水 准 。 ◆ 应 用 灵 活 : 室 内 外 机 组 连 接 管 最 长 可 达 70 米 , 落 差 可 达 30 米 , 室 内 机 组 机 外 静 压 可 根 据 客 户 要 求 定 做 , 充 分 满 足 各种 个 性 化 需 求 。 二 、 B系 列 模 块 化 风 管 机 性 能 参 数 表 种类 项 目 FG20/B-N4 FGR20/B-N4 FG25/B-N4 FGR25/B-N4 机组特性 制 冷 量 kW 20 20 25 25 制 热 量 kW - 23(27.5) ① - 28(32.5)① 制 冷 输入功率 kW 8.5 8.5 10.2 10.2 制 热 输入功率 kW - 6.8(11.3)② - 8.7(13.2)② 电 源 380V 3N~ 50Hz 室内机 型号 FG20/B-N4(I) FGR20/B-N4(I) FG25/B-N4(I) FGR25/B-N4(I) 风 量 m3/h 4000 4800 电 机 传动方 式 皮带传动 制 冷 输入功率 kW 1.1 1.1 1.5 1.5 制 热 输入功率 kW - 1.1(5.6)② - 1.5(6.0)② 机外 静压 标准 型号 Pa 90 90 可 选范围 50~150 50~150 噪声 标准型号 dB(A) 54 54 外形 尺寸 宽 mm 1500 1500 高 mm 500 500 深 mm 1000 1000 冷凝排水管直径 1" 净 重 kg 130 150 室外机 型 号 FG20/B-N4(O) F...

1、当您付费下载文档后,您只拥有了使用权限,并不意味着购买了版权,文档只能用于自身使用,不得用于其他商业用途(如 [转卖]进行直接盈利或[编辑后售卖]进行间接盈利)。
2、本站所有内容均由合作方或网友上传,本站不对文档的完整性、权威性及其观点立场正确性做任何保证或承诺!文档内容仅供研究参考,付费前请自行鉴别。
3、如文档内容存在违规,或者侵犯商业秘密、侵犯著作权等,请点击“违规举报”。

碎片内容

B系列模块化风管机

小辰+ 关注
实名认证
内容提供者

出售各种文档和资料

确认删除?
VIP
微信客服
  • 扫码咨询
会员Q群
  • 会员专属群点击这里加入QQ群
客服邮箱
回到顶部