电脑桌面
添加小米粒文库到电脑桌面
安装后可以在桌面快捷访问

建筑设计防火规范--民用建筑

建筑设计防火规范--民用建筑_第1页
1/14
建筑设计防火规范--民用建筑_第2页
2/14
建筑设计防火规范--民用建筑_第3页
3/14
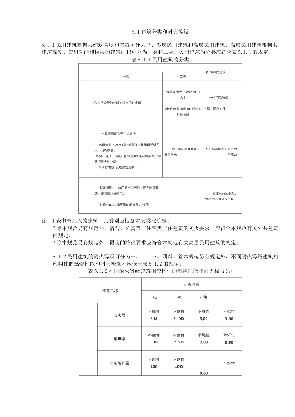
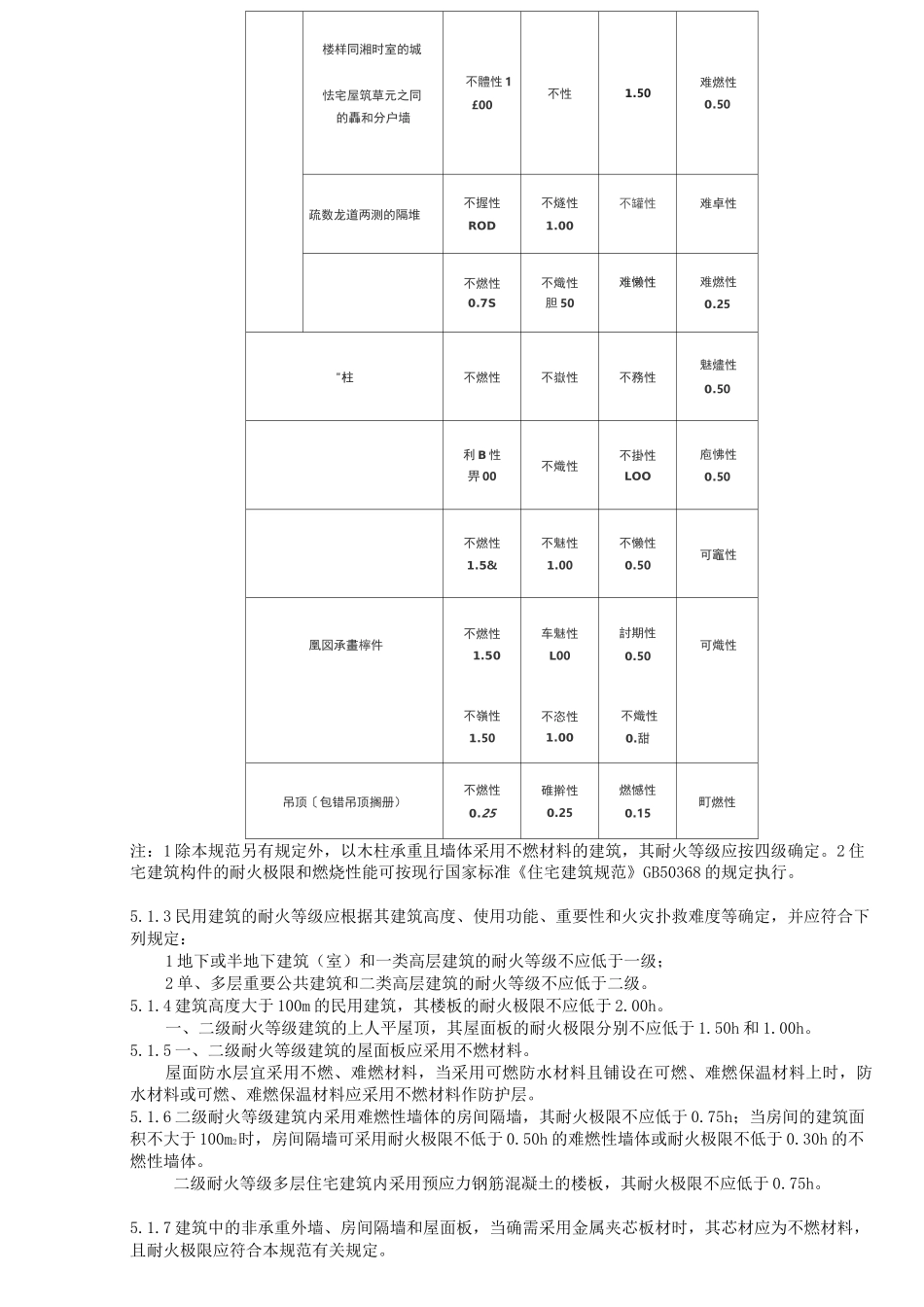
5.1 建筑分类和耐火等级5.1.1 民用建筑根据其建筑高度和层数可分为单、多层民用建筑和高层民用建筑。高层民用建筑根据其建筑高度、使用功能和楼层的建筑面积可分为一类和二类。民用建筑的分类应符合表 5.1.1 的规定。表 5.1.1 民用建筑的分类单.寿辰民建筑一姫二类C 也括设豐陆业脏孙繩点的住宅建-憚篁舟鹰大于 27rnT1H 不大于(也括 Bt 豐栩业 1IH 野阿血的性住述J-27 的住宅建*腮井阿点的住1 一睡強离度大于的舍井 Stz+建埶商止 24m 以):部分任一楼確建说近积大十 1(WiS 店、JK 览、电册、邮黴、酣坦金 IW 建规和其他虫种助牺蛆令旳业龍 F3.tfi 疗礎效.员船倍赴建蓟卜除…矣和用供共 it 筑卄的茎他1.施烷高廈大于 Zlm 的単嗟公4.曙组琏山 1-的厂描电稅网酢共箱押酬躍建牌、蹲同雄利省轨屯力S-鶴书❻过 I 恤再删的阍站箱、44 降Z.建筑商度不尢于24m 的其他公捉庄炕注:1 表中未列入的建筑,其类别应根据本表类比确定。2 除本规范另有规定外,宿舍、公寓等非住宅类居住建筑的防火要求,应符合本规范有关公共建筑的规定。3 除本规范另有规定外,裙房的防火要求应符合本规范有关高层民用建筑的规定。5.1.2 民用建筑的耐火等级可分为一、二、三、四级。除本规范另有规定外,不同耐火等级建筑相应构件的燃烧性能和耐火极限不应低于表 5.1.2 的规定。表 5.1.2 不同耐火等级建筑相应构件的燃烧性能和耐火极限(h)构井名称耐火寻製_级_级-I 缜防讥号不堰性3,M不燃性3+0D不熾性3,00不燃性3.00承■幡不燃性二 00不燃性2+5D不燃性2.00难烬性0.50非承號外署不燃性L00不燃件LOO0.60可熾性楼样同湘时室的城怯宅屋筑草元之同的轟和分户墙不體性 1£00不性1.50难燃性0.50疏数龙道两测的隔堆不握性ROD不燧性1.00不罐性难卓性不燃性0.7S不熾性胆 50难懒性难燃性0.25"柱不燃性不嶽性不務性魅燼性0.50利 B 性畀 00不熾性不掛性LOO庖怫性0.50不燃性1.5&不魅性1.00不懒性0.50可竈性凰図承畫檸件不燃性1.50车魅性L00討期性0.50可熾性不嶺性1.50不恣性1.00不熾性0.甜吊顶〔包错吊顶搁册)不燃性0.25碓擀性0.25燃憾性0.15町燃性注:1 除本规范另有规定外,以木柱承重且墙体采用不燃材料的建筑,其耐火等级应按四级确定。2 住宅建筑构件的耐火极限和燃烧性能可按现行国家标准《住宅建筑规范》GB50368 的规定执行。5.1.3 民用建筑的耐火等级应根据其建筑高度、使用功能、重要性和火灾扑救难度等确定,并应符合下列规定:1...

1、当您付费下载文档后,您只拥有了使用权限,并不意味着购买了版权,文档只能用于自身使用,不得用于其他商业用途(如 [转卖]进行直接盈利或[编辑后售卖]进行间接盈利)。
2、本站所有内容均由合作方或网友上传,本站不对文档的完整性、权威性及其观点立场正确性做任何保证或承诺!文档内容仅供研究参考,付费前请自行鉴别。
3、如文档内容存在违规,或者侵犯商业秘密、侵犯著作权等,请点击“违规举报”。

碎片内容

建筑设计防火规范--民用建筑

确认删除?
VIP
微信客服
  • 扫码咨询
会员Q群
  • 会员专属群点击这里加入QQ群
客服邮箱
回到顶部