电脑桌面
添加小米粒文库到电脑桌面
安装后可以在桌面快捷访问

CB3667.1—1999船舶电缆敷设和电气设备安装附件

CB3667.1—1999船舶电缆敷设和电气设备安装附件_第1页
1/13
CB3667.1—1999船舶电缆敷设和电气设备安装附件_第2页
2/13
CB3667.1—1999船舶电缆敷设和电气设备安装附件_第3页
3/13
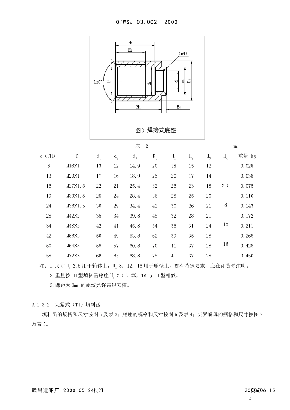
武昌造船厂 2000-05-24 批准 2000-06-15 实施 1 武 昌 造 船 厂 企 业 标 准 船舶电缆敷设和电气设备安装附件 电缆贯通装置 1 主题内容与适用范围 本标准规定了电缆贯通装置的产品分类、技术要求、试验方法、检验规则、标志、包装和贮存等。 本标准适用于船舶电缆敷设时的电缆填料函(以下简称填料函)、电缆管、电缆框、电缆筒、灌注式电缆盒、积木式电缆密封装置、电缆衬套等电缆贯穿装置。非船舶电缆敷设时的以上产品,亦可参照使用本标准。 2 引用标准 CB*785 电缆填料函 CB3386.1 船舶电缆耐火贯穿装置技术条件 CB3386.2 船舶电缆耐火贯穿装置 耐火试验方法 JB851 船用电器设备冲击试验方法 JB7094 船用电器设备振动试验(正弦)方法 3 产品分类 3.1 电缆填料函 3.1.1 型式 产品按其结构分为T 型填料函和KVM 型填料函两种 3.1.2 型号 3.1.2.1 T 型填料函 CB/T 3667.1—1999 分类号:U06 代替 CB·323—86 CB·389—84 CB·785—82 CB·3298—86 Q/WSJ 03.002— 2000 武昌造船厂 2000-05-24 批准 2000-06-15 实施 2 3.1.3 规格和尺寸 3.1.3.1 焊接式(TH)填料函 填料函的规格和尺寸按图 1 及表 1;底座的规格和尺寸按图 3 及表 2。 表 1 mm d D d1 D1 H 垫圈 配用电缆外径 重量 8 M16X1 13 20 ~32 8X14 5~7 0.053 13 M20X1 17 25 ~35 13X18 6~12 0.083 16 M27X1.5 22 32 ~40 16X24 11~15 0.169 19 M30X1.5 25 36 ~42 19X27 14~18 0.217 24 M36X1.5 30 42 ~44 24X33 17~23 0.280 28 M42X2 35 48 ~46 28X38 22~27 0.328 34 M48X2 42 54 ~49 34X44 26~33 0.428 42 M56X2 50 62 ~54 42X52 32~41 0.601 50 M64X3 58 70 ~56 50X59 40~49 0.748 58 M72X3 66 78 ~56 58X67 48~57 0.949 注:表中重量按 I 型钢质螺母计算,不包括填料重量。 Q/WSJ 03.002— 2000 武昌造船厂 2000-05-24 批准 2000-06-15 实施 3 表 2 mm d(TH) D d1 d2 d3 D1 H1 H2 H3 H4 重量 kg 8 M16X1 13 12 14.9 20 18 15 12 2.5 8 12 16 0.028 13 M20X1 17 16 18.9 25 20 17 14 0.038 16 M27X1.5 22 21 25.4 32 26 23 18 0.075 19 M30X1.5 25 24 28.4 36 28 25 20 0.110 24 M36X1.5 30 29 34.4 42 30 26 21 0.143...

1、当您付费下载文档后,您只拥有了使用权限,并不意味着购买了版权,文档只能用于自身使用,不得用于其他商业用途(如 [转卖]进行直接盈利或[编辑后售卖]进行间接盈利)。
2、本站所有内容均由合作方或网友上传,本站不对文档的完整性、权威性及其观点立场正确性做任何保证或承诺!文档内容仅供研究参考,付费前请自行鉴别。
3、如文档内容存在违规,或者侵犯商业秘密、侵犯著作权等,请点击“违规举报”。

碎片内容

CB3667.1—1999船舶电缆敷设和电气设备安装附件

确认删除?
VIP
微信客服
  • 扫码咨询
会员Q群
  • 会员专属群点击这里加入QQ群
客服邮箱
回到顶部