电脑桌面
添加小米粒文库到电脑桌面
安装后可以在桌面快捷访问

DIY电子负载系统

DIY电子负载系统_第1页
1/6
DIY电子负载系统_第2页
2/6
DIY电子负载系统_第3页
3/6
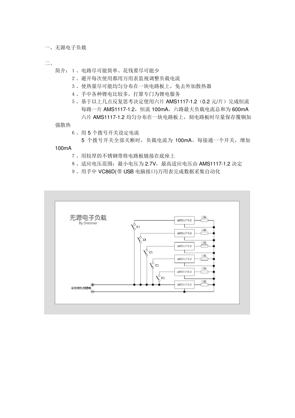
DIY 电子负载系统 设计思想:1、想了解手中各种电源、电池特性,电子负载必不可少 2、设计制作不同类型电子负载,享受体验各自特性,所以做了两个:无源型与有源型 3、花钱要尽可能少,最大程度利用手中现有设备完成数据采集自动化 4、外观设计尽可能具有自己的个性风格 一、无源电子负载 二、 简介:1、电路尽可能简单、花钱要尽可能少 2、避开每次使用都用万用表监视调整负载电流 3、使热量尽可能均匀分布在一块电路板上,免去外加散热器 4、手中各种锂电比较多,打算专门为锂电服务 5、基于以上几点反复思考决定使用六片 AMS1117-1.2(0.2 元/片)完成恒流 每路一片 AMS1117-1.2,恒流 100m A,六路最大负载电流总和为 600m A 六片 AMS1117-1.2 均匀分布在一块电路板上,刻电路板时尽量保存覆铜加强散热 6、用 5 个拨号开关设定电流 5 个拨号开关全部关断时,负载电流为 100m A,每接通一个开关,增加100m A 7、用较厚的不锈钢带将电路板链接在底座上 8、适应电压范围:最小电压为 2.7V,最高适应电压由 AMS1117-1.2 决定 9、用手中 VC86D(带 USB 电脑接口)万用表完成数据采集自动化 二、有源电子负载 简介:1、电路尽可能简单、花钱要尽可能少,服务于各种电源、电池 2、核心元器件为:IRF520(1.9 元/个)、LM358P(0.2 元/片)、TL431(0.1 元/个) 3、在铝合金门窗加工点寻找一块料头做散热器,整体设计围绕这块铝合金料头 4、铝合金料头是块方管,为了解决散热通风,在下面开个长方形口 使得散热对流获得改善,同时还可以用小风扇从下面往上吹进行强制散热 5、LM358P 内部两个运算放大器,实际用一个就可以,避免浪费,两个运算放大器全部使用 其中一个做采样放大,将电流采样信号最大值放大到 2.5V,与TL431 基准电压相同 另一个接IRF520,去调整稳定负载电流 6、电流取样电阻为 0.068Ω 无感陶瓷电阻(过两天到货,暂时用 0.22Ω 普通电阻,电流只能达到 1A) 7、用较厚较宽的不锈钢 带 将电路板 链 接在底 座 上 8 、电流可调范 围在 0~ 3A 之 间 ,1A 时最低 适 应 电压可达0.5V 以下,最高 适 应 电压由 IRF520 决定 功 耗 8W 以内不需 要扇强制散热,加风扇强制散热功 率 至 少提 高 一倍 9 、同样用手 中 VC86D(带 USB 电脑 接口)万 用表 完 成 数 据 采集 自 动 化 三、电路图与改进 ...

1、当您付费下载文档后,您只拥有了使用权限,并不意味着购买了版权,文档只能用于自身使用,不得用于其他商业用途(如 [转卖]进行直接盈利或[编辑后售卖]进行间接盈利)。
2、本站所有内容均由合作方或网友上传,本站不对文档的完整性、权威性及其观点立场正确性做任何保证或承诺!文档内容仅供研究参考,付费前请自行鉴别。
3、如文档内容存在违规,或者侵犯商业秘密、侵犯著作权等,请点击“违规举报”。

碎片内容

DIY电子负载系统

小辰9+ 关注
实名认证
内容提供者

出售各种资料和文档

确认删除?
VIP
微信客服
  • 扫码咨询
会员Q群
  • 会员专属群点击这里加入QQ群
客服邮箱
回到顶部