电脑桌面
添加小米粒文库到电脑桌面
安装后可以在桌面快捷访问

CNC作业指导书及操作规范

CNC作业指导书及操作规范_第1页
1/4
CNC作业指导书及操作规范_第2页
2/4
CNC作业指导书及操作规范_第3页
3/4
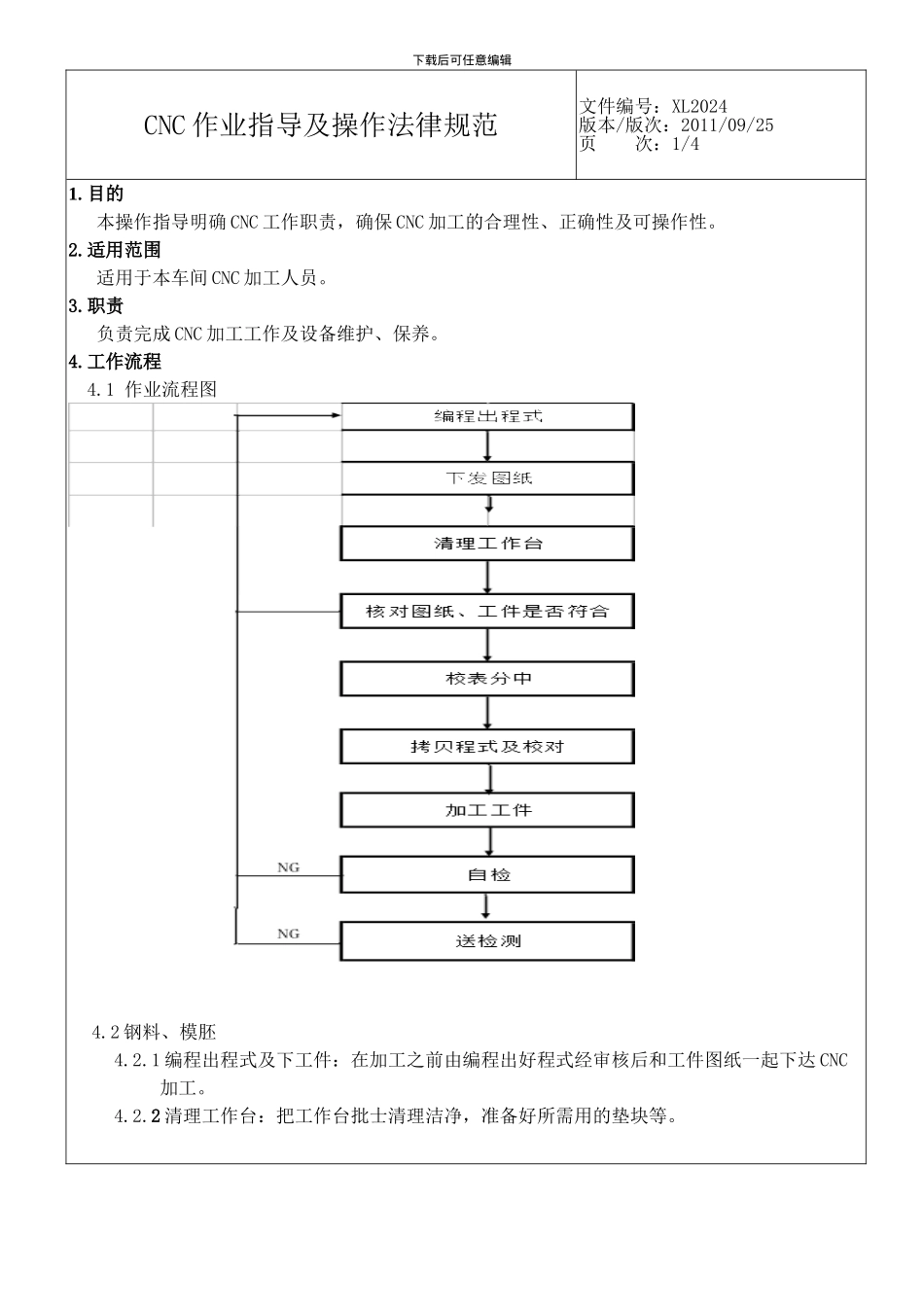
下载后可任意编辑CNC 作业指导及操作法律规范文件编号:XL2024 版本/版次:2011/09/25页 次:1/41.目的本操作指导明确 CNC 工作职责,确保 CNC 加工的合理性、正确性及可操作性。2.适用范围适用于本车间 CNC 加工人员。3.职责负责完成 CNC 加工工作及设备维护、保养。4.工作流程 4.1 作业流程图4.2 钢料、模胚4.2.1 编程出程式及下工件:在加工之前由编程出好程式经审核后和工件图纸一起下达 CNC加工。4.2.2 清理工作台:把工作台批士清理洁净,准备好所需用的垫块等。下载后可任意编辑CNC 作业指导及操作法律规范文件编号:XL2024版本/版次:2011/9/25页 次:2/44.2.3 核对图纸程式单及工件:将图纸打开与工件进行核对,清楚工件的装夹方向、基准角,对清楚运水、顶针孔等。 附图一4.2.4 校表分中:装夹好工件后进行校表,打表应选最大面来进行校正,校平衡时应取基准边来校正,分中时取边的中心位置进行分中(碰单边时不允许使用感应寻边器),分好中后必须输入指令进行检查,输入指令前要把主轴先抬高到安全高度。 附图二 附图三 下载后可任意编辑CNC 作业指导及操作法律规范文件编号:XL2024 版本/版次:2011/9/25页 次:3/44.2.5 拷贝程式及校对:拷程式前要看清程式单上的程式名是否和电脑上的一致,打开程式对里面的加工参数进行检查,如有不合理之处将其改正过来,对每一条程式都要进行刀路模拟,没问题后方可加工。 附图四 附图五4.2.6 加工工件及检查:加工前准备好所需刀具,对好刀,开始加工下刀到工件与刀具一定的距离后要检查机上的参数是否有误方可加工,加工时要注意检查刀具磨损,如刀具磨损要停下来进行刀具更换,把程式修改后再加工。 附图六 附图七 下载后可任意编辑CNC 作业指导及操作法律规范文件编号:XL2024 版本/版次:2011/9/25页 次:4/44.2.7 自检:所有工件加工完了以后都要进行自检,譬如一些加工没有到位,接面没接顺等,有问题马上找编程进行解决。4.2.8 送检:工件加工完以后要根据工艺单送检。4.2.9 不论是在加工前后, 6S《整理(SEIRI)、整顿(SEITON)、清扫(SEISO)、清洁(SEIKETSU)、素养(SHITSUKE)、安全(SECURITY)六个项目》,一定要做好。责任人:审批:核准:

1、当您付费下载文档后,您只拥有了使用权限,并不意味着购买了版权,文档只能用于自身使用,不得用于其他商业用途(如 [转卖]进行直接盈利或[编辑后售卖]进行间接盈利)。
2、本站所有内容均由合作方或网友上传,本站不对文档的完整性、权威性及其观点立场正确性做任何保证或承诺!文档内容仅供研究参考,付费前请自行鉴别。
3、如文档内容存在违规,或者侵犯商业秘密、侵犯著作权等,请点击“违规举报”。

碎片内容

CNC作业指导书及操作规范

雏圣文化+ 关注
实名认证
内容提供者

欢迎光临,大量办公文档供您挑选。

确认删除?
VIP
微信客服
  • 扫码咨询
会员Q群
  • 会员专属群点击这里加入QQ群
客服邮箱
回到顶部