电脑桌面
添加小米粒文库到电脑桌面
安装后可以在桌面快捷访问

履带吊安装与吊装安全技术交底VIP专享

履带吊安装与吊装安全技术交底_第1页
1/16
履带吊安装与吊装安全技术交底_第2页
2/16
履带吊安装与吊装安全技术交底_第3页
3/16
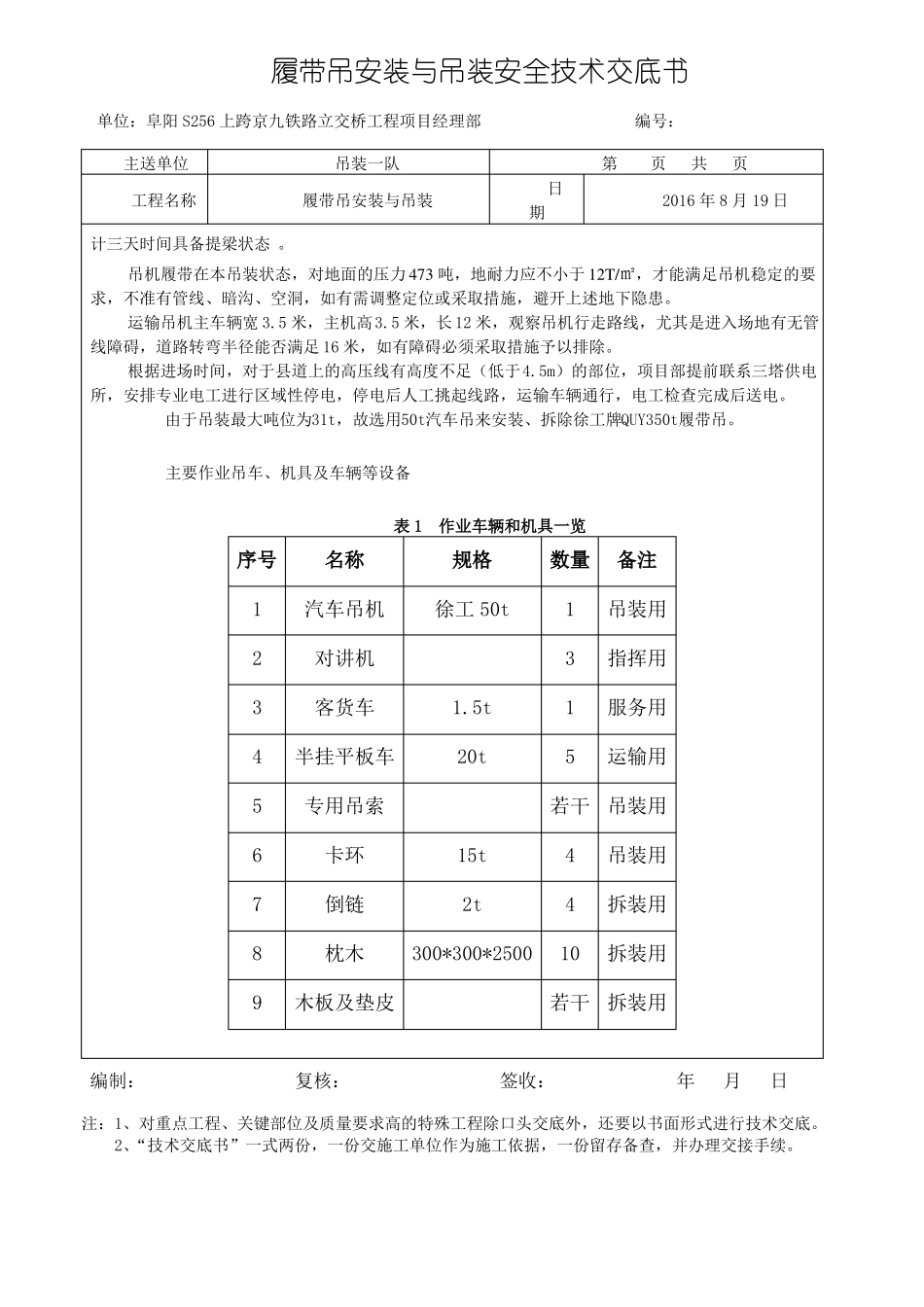
履带吊安装与吊装安全技术交底书单位:阜阳 S256 上跨京九铁路立交桥工程项目经理部编号:主送单位吊装一队第页共页工程名称履带吊安装与吊装日期2016 年 8 月 19 日交底内容:一、施工概况主桥箱梁共计 3 跨,每跨 10 片,合计 30 片,计划采用履带吊提梁,履带吊类型为两台徐工牌QUY350t 履带吊。350T 吊机主机自重 55 吨,左右履带自重共 62 吨、配重及附件重 243 吨,重点观察吊机占位地面的地耐力。履带吊从上海运输,经 S202 省道进入 X044 县道,县道宽 7m,沿途有高压线与通讯线路。施工场地内履带吊走形道路场地宽度 12m,主路 13.5m,铺设 50cm 建筑垃圾压实完成,建筑旧料上铺设路基板作为走形道路。图 1-1箱梁平面布置图(单位:m)二、履带吊安装步骤进场时间:根据箱梁架设时间以及 40m 梁场场地正在施工的限制,计划履带吊逐台进场拼装,第一台进场时间为 8 月 13 日,第二台进场时间为 8 月 24 日,每台卸车一天,拼装一天,调试一天,合编制:复核:签收:年月日注:1、对重点工程、关键部位及质量要求高的特殊工程除口头交底外,还要以书面形式进行技术交底。2、“技术交底书”一式两份,一份交施工单位作为施工依据,一份留存备查,并办理交接手续。履带吊安装与吊装安全技术交底书单位:阜阳 S256 上跨京九铁路立交桥工程项目经理部编号:主送单位吊装一队第页共页工程名称计三天时间具备提梁状态 。吊机履带在本吊装状态,对地面的压力 473 吨,地耐力应不小于 12T/㎡,才能满足吊机稳定的要求,不准有管线、暗沟、空洞,如有需调整定位或采取措施,避开上述地下隐患。运输吊机主车辆宽 3.5 米,主机高3.5 米,长12 米,观察吊机行走路线,尤其是进入场地有无管线障碍,道路转弯半径能否满足 16 米,如有障碍必须采取措施予以排除。根据进场时间,对于县道上的高压线有高度不足(低于4.5m)的部位,项目部提前联系三塔供电所,安排专业电工进行区域性停电,停电后人工挑起线路,运输车辆通行,电工检查完成后送电。由于吊装最大吨位为31t,故选用50t汽车吊来安装、拆除徐工牌QUY350t履带吊。主要作业吊车、机具及车辆等设备表 1作业车辆和机具一览履带吊安装与吊装日期2016 年 8 月 19 日序号123456789名称汽车吊机对讲机客货车半挂平板车专用吊索卡环倒链枕木木板及垫皮规格徐工 50t1.5t20t15t2t数量备注1315吊装用指挥用服务用运输用若干吊装用44吊装用拆装用3...

1、当您付费下载文档后,您只拥有了使用权限,并不意味着购买了版权,文档只能用于自身使用,不得用于其他商业用途(如 [转卖]进行直接盈利或[编辑后售卖]进行间接盈利)。
2、本站所有内容均由合作方或网友上传,本站不对文档的完整性、权威性及其观点立场正确性做任何保证或承诺!文档内容仅供研究参考,付费前请自行鉴别。
3、如文档内容存在违规,或者侵犯商业秘密、侵犯著作权等,请点击“违规举报”。

碎片内容

履带吊安装与吊装安全技术交底

确认删除?
VIP
微信客服
  • 扫码咨询
会员Q群
  • 会员专属群点击这里加入QQ群
客服邮箱
回到顶部