电脑桌面
添加小米粒文库到电脑桌面
安装后可以在桌面快捷访问

常用水土保持单元工程质量评定表格样表

常用水土保持单元工程质量评定表格样表_第1页
1/82
常用水土保持单元工程质量评定表格样表_第2页
2/82
常用水土保持单元工程质量评定表格样表_第3页
3/82
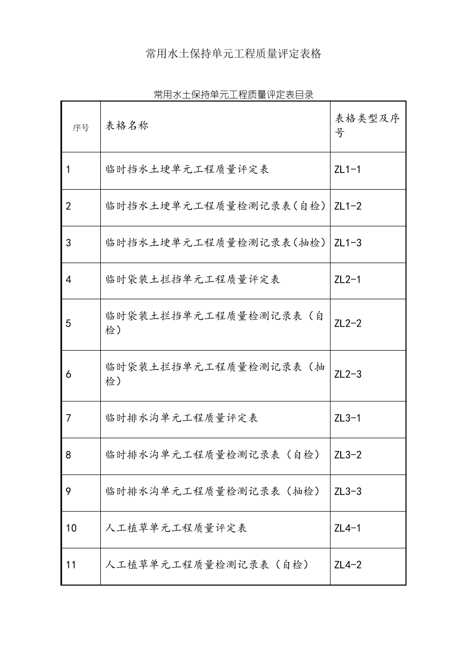
常用水土保持单元工程质量评定表格常用水土保持单元工程质量评定表目录序号表格名称表格类型及序号ZL1-11234临时挡水土埂单元工程质量评定表临时挡水土埂单元工程质量检测记录表(自检) ZL1-2临时挡水土埂单元工程质量检测记录表(抽检) ZL1-3临时袋装土拦挡单元工程质量评定表ZL2-15临时袋装土拦挡单元工程质量检测记录表(自ZL2-2检)临时袋装土拦挡单元工程质量检测记录表(抽ZL2-3检)临时排水沟单元工程质量评定表ZL3-167891011临时排水沟单元工程质量检测记录表(自检)ZL3-2临时排水沟单元工程质量检测记录表(抽检)ZL3-3人工植草单元工程质量评定表人工植草单元工程质量检测记录表(自检)ZL4-1ZL4-212131415161718192021222324人工植草单元工程质量检测记录表(抽检)人工种草单元工程质量评定表人工种草单元工程质量检测记录表(自检)人工种草单元工程质量检测记录表(抽检)土地平整单元工程质量评定表土地平整单元工程质量检测记录表(自检)土地平整单元工程质量检测记录表(抽检)土料场削坡单元工程质量评定表ZL4-3ZL5-1ZL5-2ZL5-3ZL6-1ZL6-2ZL6-3ZL7-1土料场削坡单元工程质量检测记录表(自检)ZL7-2土料场削坡单元工程质量检测记录表(抽检)ZL7-3植树单元工程质量评定表植树单元工程质量检测记录表(自检)植树单元工程质量检测记录表(抽检)ZL8-1ZL8-2ZL8-3SG6工程报验申请表合同名称:黄河近期防洪工程(河南段)濮阳堤防加固和帮宽工程合同编号:YPYDFJGBK2012(补 01)工程地点黄河近期防洪工程(河南段)濮阳堤防加固和帮宽工程127+500-130+800、127+500-130+675、134+100-138+500致:山东龙信达咨询监理有限公司河南黄河防洪工程施工监理部我方已按施工合同要求完成下列工程或部位的施工工作,经自检合格报请贵方验收。□ 单 元 工 程 验 工程或部分名称收申请验收时间□ 隐 蔽 工 程 验收□ 分 部 工 程 验收附件:自检资料施工单位:河南省中原水利水电工程集团有限公司黄河下 游近期防洪工程(河南段)濮 阳 堤 防加固和帮宽工程项目部项目负责人:日期:验收意见:经 核 验 , 该 工 程 验 收 申 请 表 所 报 之 ( 建 设 项 目 内 容 )施 工 质 量 符 合 / 不 符 合 设 计 及 《 水 土 保 持 工 程 质 量 评 定 规 程 》(SL336-2006)等规范、标准要求,工程质量认证等级为。项目监理机构: 山东龙信达咨询监理有限公司河 南 黄河防...

1、当您付费下载文档后,您只拥有了使用权限,并不意味着购买了版权,文档只能用于自身使用,不得用于其他商业用途(如 [转卖]进行直接盈利或[编辑后售卖]进行间接盈利)。
2、本站所有内容均由合作方或网友上传,本站不对文档的完整性、权威性及其观点立场正确性做任何保证或承诺!文档内容仅供研究参考,付费前请自行鉴别。
3、如文档内容存在违规,或者侵犯商业秘密、侵犯著作权等,请点击“违规举报”。

碎片内容

常用水土保持单元工程质量评定表格样表

确认删除?
VIP
微信客服
  • 扫码咨询
会员Q群
  • 会员专属群点击这里加入QQ群
客服邮箱
回到顶部