电脑桌面
添加小米粒文库到电脑桌面
安装后可以在桌面快捷访问

基于PLC的家居安防系统的设计

基于PLC的家居安防系统的设计_第1页
1/8
基于PLC的家居安防系统的设计_第2页
2/8
基于PLC的家居安防系统的设计_第3页
3/8
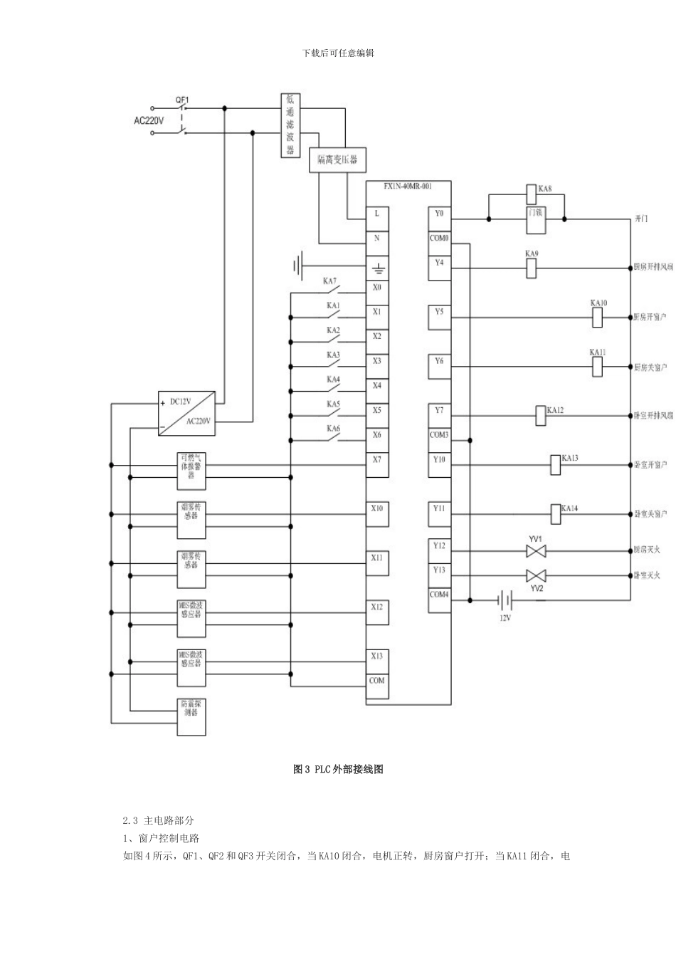
下载后可任意编辑基于 PLC 的家居安防系统的设计摘 要:本文分析了家居安防控制要求,设计了基于 PLC 的红外遥控、PLC 控制和继电器控制的硬件电路,选择了系统的主要器件,提供了 PLC 控制器的主要流程图,并编写了程序,最终验证了系统的可行性。基于 PLC 的家居安防系统操作简单,功能强大,具有广泛的应用前景。关键词:家居安防系统;红外遥控;PLC 0 前言 家居智能化就是由一个智能化系统构成安全、舒适和便利的信息化居住空间,从而适应人们在 21 世纪信息社会中的快节奏和与外部世界保持完全开放的生活环境。由于我国城市人口膨胀,外来人口的增加及煤气和大量家用电器设备使用中的不安全因素等[1,2]。对小区居民的生命和财产造成了很大威胁,一方面是人引起的破坏(如盗窃、抢劫等),另一方面是自然灾害引起的破坏(如火灾、煤气泄漏等)。人们越来越迫切要求采纳有效的措施以满足日益增长的安全防范需要[3,4]。目前,所采纳的防盗门和在窗户上加装防盗网等安全防范措施,难以满足现在人们防止外来威胁的要求。为了更有效保证居民的生命和财产的安全,在住宅和住宅小区内引入了智能化的手段进行安全防范管理。智能住宅的安全防范系统是由安全对讲系统、防盗报警系统、防火(火灾报警)系统和防煤气泄漏系统等组成,该安全防范系统是家庭、住宅小区防范外来侵害和自然灾害的一种最重要的、最有效的手段,它大大提高了居民自身的安全感,它已成为社会治安的一个重要组成部分[5,6]。因而,安全防范系统是智能家居自动化系统中必不可少的一个子系统,它为人们制造出一个安全舒适的生活环境。1 系统的结构 该系统采纳红外遥控、传感器自动控制和手动控制三种控制方式。控制对象有电灯、电控锁、门窗电机、排风扇和灭火水阀,通过控制这些对象达到手动/遥控开门、手动/遥控开窗/关窗、防火、防盗、防煤气中毒和防风雨的目的。系统结构框图如图 1 所示。图 1 系统的结构框图下载后可任意编辑2 系统的电路设计 2.1 红外遥控部分 如图 2 所示,系统安装了三个四路红外控制开关,分别安装在门边、卧室窗户边和厨房窗户边。厨房窗边的四路红外控制开关的分配:一路接中间继电器 KA1,通过其常开触点的闭合来控制厨房排风扇的打开;二路和三路接中间继电器 KA2 和 KA3,通过其常开触点的闭合的组合方式来控制厨房窗户的开与关,当SQ2 或 SQ3 断路时,表示窗户全开或全关,全开时,二路断路,停止开窗操作,全关时,...

1、当您付费下载文档后,您只拥有了使用权限,并不意味着购买了版权,文档只能用于自身使用,不得用于其他商业用途(如 [转卖]进行直接盈利或[编辑后售卖]进行间接盈利)。
2、本站所有内容均由合作方或网友上传,本站不对文档的完整性、权威性及其观点立场正确性做任何保证或承诺!文档内容仅供研究参考,付费前请自行鉴别。
3、如文档内容存在违规,或者侵犯商业秘密、侵犯著作权等,请点击“违规举报”。

碎片内容

基于PLC的家居安防系统的设计

您可能关注的文档

文旅传媒+ 关注
实名认证
内容提供者

传播文化,成就未来

确认删除?
VIP
微信客服
  • 扫码咨询
会员Q群
  • 会员专属群点击这里加入QQ群
客服邮箱
回到顶部