电脑桌面
添加小米粒文库到电脑桌面
安装后可以在桌面快捷访问

GB15892004道路车辆外廓尺寸、轴荷及质量限值

GB15892004道路车辆外廓尺寸、轴荷及质量限值_第1页
1/9
GB15892004道路车辆外廓尺寸、轴荷及质量限值_第2页
2/9
GB15892004道路车辆外廓尺寸、轴荷及质量限值_第3页
3/9
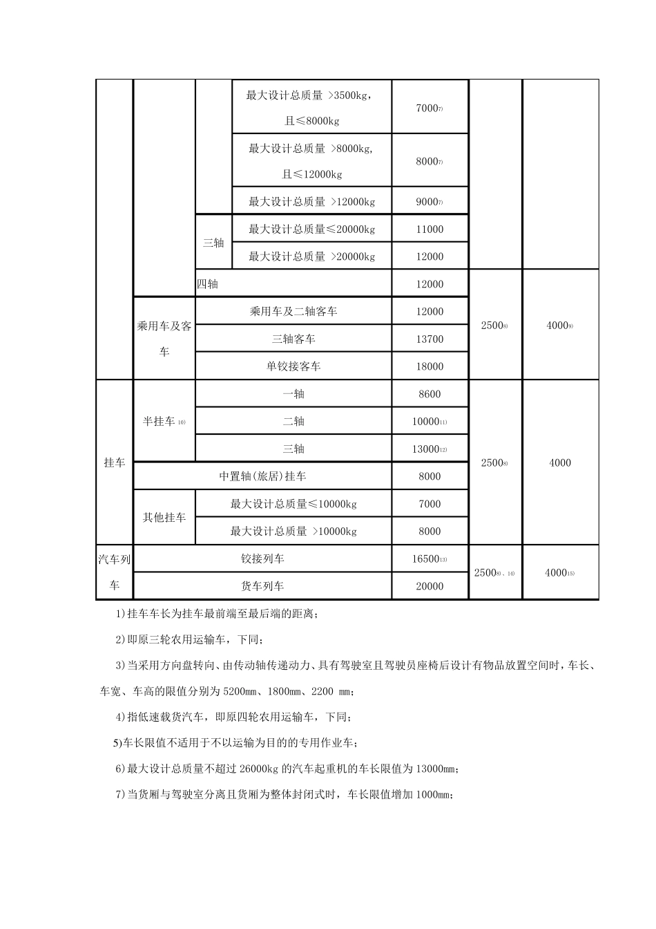
中 华 人 民 共 和 国 国 家 标 准 道路车辆外廓尺寸、轴荷及质量限值 GB 1589—2004 前 言 本标准为全文强制。 本标准是对 GB 1589-1989《汽车外廓尺寸限界》的第一次修订。 本标准与 GB 1589-1989《汽车外廓尺寸限界》相比主要区别如下: --增加三轮汽车、三轴客车、挂车的外廓尺寸限值要求; --增加车辆通道圆和外摆值的测量方法及要求; --增加汽车、挂车和汽车列车的轴荷及总质量的限值要求; --增加对汽车、挂车和汽车列车的“其他要求” --修改客车、货车等车辆的外廓尺寸限值要求。 本标准的附录 A 为规范性附录。 本标准代替 GB 1589-1989《汽车外廓尺寸限界》。 本标准对新定型产品自实施之日起执行,对在生产产品自发布之日起十二个月后执行。 本标准由中华人民共和国国家发展和改革委员会、交通部、公安部共同提出。 本标准由全国汽车标准化技术委员会归口。 本标准起草单位: 中国汽车技术研究中心、交通部公路科学研究所、公安部交通管理科学研究所、第一汽车集团公司、东风汽车公司。 本标准所代替标准的历次版本发布情况为:GB 1589-1989。 1 范围 本标准规定了汽车、挂车及汽车列车的外廓尺寸、轴荷及质量的限值。 本标准适用于在道路上使用的汽车(最大设计总质量超 过 26000kg 的汽车起重 机 除 外)、挂车及汽车列车。本标准不 适用于军 队 装 备 的专 用车辆。 2 规范性引 用文件 下 列 文 件 中 的 条 款 通 过 本 标 准 的 引 用 而 成 为 本 标 准 的 条 款 。 凡 是 注 日 期 的 引 用 文 件 , 其 随 后 所 有 的修 改 单 (不 包 括 勘 误 的 内 容 )或 修 订 版 均 不 适 用 于 本 标 准 , 然 而 , 鼓 励 根 据 本 标 准 达 成 协 议 的 各 方 研 究 是否 可 使 用 这 些 文 件 的 最 新 版 本 。 凡 是 不 注 日 期 的 引 用 文 件 , 其 最 新 版 本 适 用 于 本 标 准 。 GB/T 3730.1 汽 车 和 挂 车 类 型 的 术 语 和 定 义 GB/T 3730.2 道 路 车 辆 质 量 词 汇 和 代 码 (idt ISO 1176:1990) GB/T 3730.3 汽 车 和 挂 车 的 术 语 及 其 定 义 车 辆 尺 寸 (neq ISO 612: 1978) 3 术 语 和 定 义 GB/T 3730.1, GB/T3730.2, GB/T3730.3 中 确 ...

1、当您付费下载文档后,您只拥有了使用权限,并不意味着购买了版权,文档只能用于自身使用,不得用于其他商业用途(如 [转卖]进行直接盈利或[编辑后售卖]进行间接盈利)。
2、本站所有内容均由合作方或网友上传,本站不对文档的完整性、权威性及其观点立场正确性做任何保证或承诺!文档内容仅供研究参考,付费前请自行鉴别。
3、如文档内容存在违规,或者侵犯商业秘密、侵犯著作权等,请点击“违规举报”。

碎片内容

GB15892004道路车辆外廓尺寸、轴荷及质量限值

确认删除?
VIP
微信客服
  • 扫码咨询
会员Q群
  • 会员专属群点击这里加入QQ群
客服邮箱
回到顶部