电脑桌面
添加小米粒文库到电脑桌面
安装后可以在桌面快捷访问

GB4728585半导体管和电子管

GB4728585半导体管和电子管_第1页
1/50
GB4728585半导体管和电子管_第2页
2/50
GB4728585半导体管和电子管_第3页
3/50
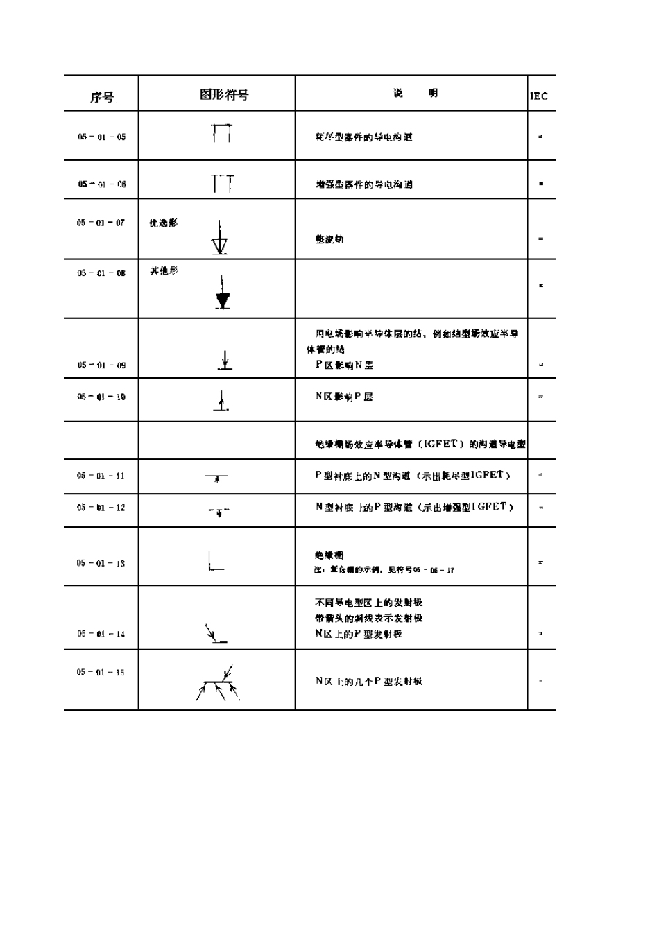
GB4728.5-85 半导体管和电子管 中华人民共和国国家标准 UDC 621.382:621 电气图用图形符号 .385.012 半导体管和电子管 :003.62/.63 Graphical symbols for electrical diagrams GB4728.5-85 Semiconductors and electron tubes 代替 GB 312-64 本标准规定了绘制各种电气图用的半导体管和电子管图形符号。 GB 4728《电气图用图形符号》国家标准包括以下13 个部分: GB28.1-85 总则 GB28.2-84 符号要素、限定符号和常用的其他符号 GB28.3-84 导线和连接器件 GB28.4-85 无源元件 GB28.5-85 半导体管和电子管 GB28.6-84 电能的发生和转换 GB28.7-84 开关、控制和保护装置 GB28.8-84 测量仪表、灯和信号器件 GB28.9-85 电信:交换和外围设备 GB28.10-85 电信:传输 GB28.11-85 电力、照明和电信布置 GB28.12-85 二进制逻辑单元 GB28.13-85 模拟单元 本标准的制订参照采用了国际标准IEC 617-5《绘图用图形符号 第 5 部分:半导体管和电子管》。 1 半导体管 1.1 符号要素 1.2 半导体管特有的限定符号 必要时,可在器件的符号旁加注限定符号或将限定符号作为符号的一个组成部分,以表示器件在电路中的特殊功能或特性。 1.3 半导体二极管示例 1.4 晶体闸流管示例 1.5 半导体管示例 1.6 光电子、光敏和磁敏器件示例 2 电子管 2.7 一般符号要素 2.8 电子束管、图象器件和光电器件符号要素 2.9 微波电子管符号要素 2.10 其他电子管符号要素 2.11 普通电子管示例 2.12 电子束管、图象器件和光电器件示例 2.13 微波电子管示例 2.14 其他电子管示例 2.15 数字符号显示器件示例 2.16 真空规管示例 3 电离辐射探测器件和电化学器件 3.17 电离辐射探测器件示例 3.18 电化学器件示例 附加说明: 本标准由中华人民共和国电子工业部提出,由全国电气图形符号标准化技术委员会归口。 本标准由电子工业部十二所、标准化研究所负责起草。

1、当您付费下载文档后,您只拥有了使用权限,并不意味着购买了版权,文档只能用于自身使用,不得用于其他商业用途(如 [转卖]进行直接盈利或[编辑后售卖]进行间接盈利)。
2、本站所有内容均由合作方或网友上传,本站不对文档的完整性、权威性及其观点立场正确性做任何保证或承诺!文档内容仅供研究参考,付费前请自行鉴别。
3、如文档内容存在违规,或者侵犯商业秘密、侵犯著作权等,请点击“违规举报”。

碎片内容

GB4728585半导体管和电子管

您可能关注的文档

确认删除?
VIP
微信客服
  • 扫码咨询
会员Q群
  • 会员专属群点击这里加入QQ群
客服邮箱
回到顶部