电脑桌面
添加小米粒文库到电脑桌面
安装后可以在桌面快捷访问

IR2110相关知识VIP专享

IR2110相关知识_第1页
1/20
IR2110相关知识_第2页
2/20
IR2110相关知识_第3页
3/20
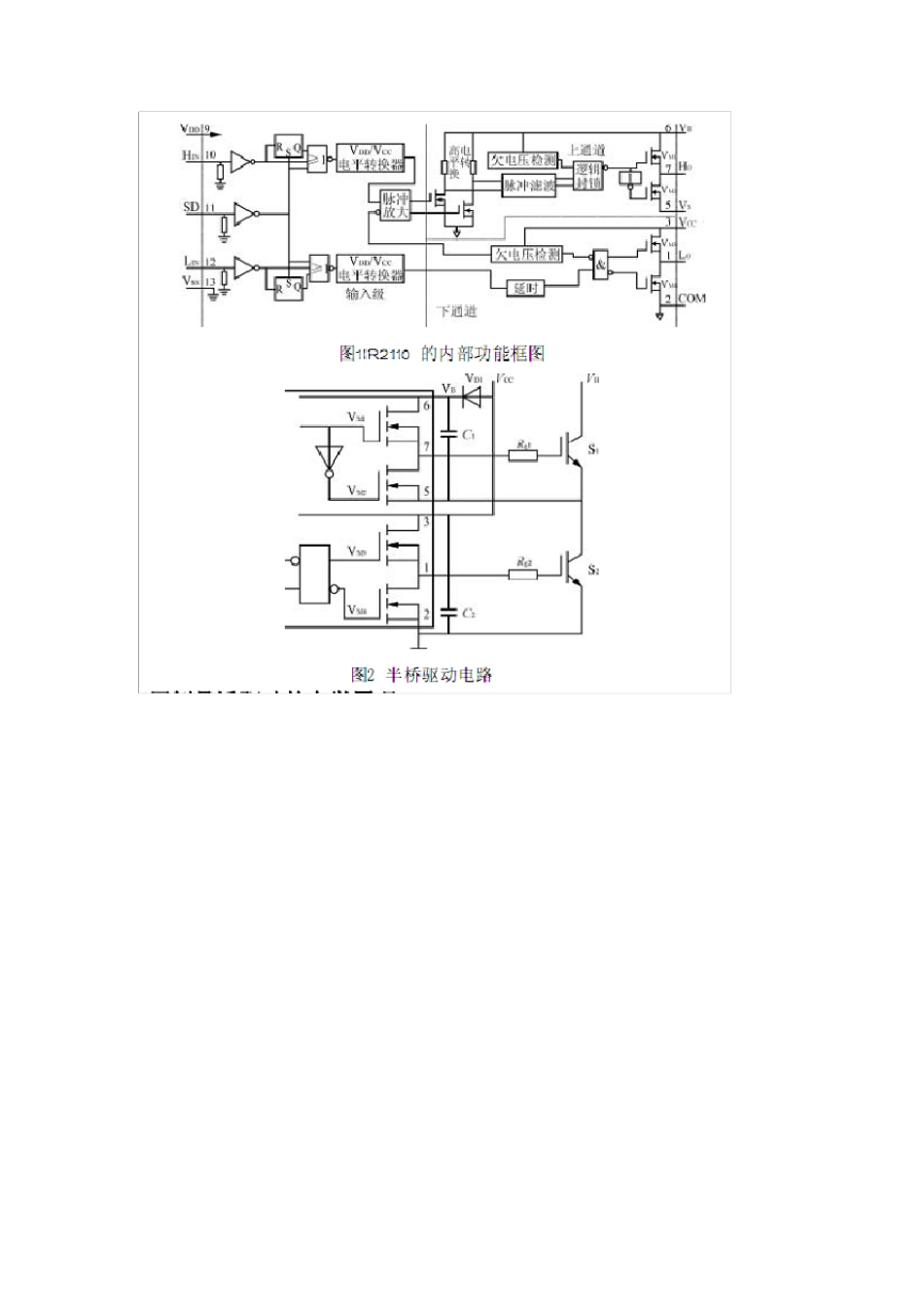
请问怎么确定IR2110 能驱动多大的MOS 管啊?手册上 IR2110 的输出电压是 10-20V ,电流是 2A,MOS 管是电压驱动型,要 2A 的电流有什么用啊? 随着PWM 技术在变频、逆变频等领域的运用越来越广泛,以及IGBT、PowerMOSFET 等功率性开关器件的快速发展,使得 PWM 控制的高压大功率电源向着小型化、高频化、智能化、高效率方向发展。 本文采用电压脉宽型 PWM 控制芯片 SG3525A,以及高压悬浮驱动器 IR2110,用功率开关器件 IGBT 模块方案实现高频逆变电源。另外,用单片机控制技术对此电源进行控制,使整个系统结构简单,并实现了系统的数字智能化。 SG3525A 性能和结构 SG3525A 是电压型 PWM 集成控制器,外接元器件少,性能好,包括开关稳压所需的全部控制电路。其主要特性包括:外同步、软启动功能;死区调节、欠压锁定功能;误差放大以及关闭输出驱动 信号等功 能;输出级采用推挽式电路结构,关断速度快,输出电流 ±400mA;可提供精密度为 5V±1%的基准电压;开关频率范围 100Hz~400KHz。其内部结构主要包括基准电压源、欠压锁定电路、锯齿波振荡器、误差放大器等,如图 1 所示。 IR2110 性能和结构 IR2110 是美国 IR 公司生产的高压、高速 PMOSFET 和 IGBT 的理想驱动器。该芯片采用 HVIC 和闩锁抗干扰制造工艺,集成 DIP、SOIC 封装。其主要特性包括:悬浮通道电源采用自举电路,其电压最高可达 500V;功率器件栅极驱动电压范围 10V~20V;输出电流峰值为 2A; 逻辑电源范围 5V~20V,而且逻辑电源地和功率地之间允许+5V 的偏移量;带有下拉电阻的 COMS 施密特输入端,可以方便地与 LSTTL 和CMOS 电平匹配;独立的低端和高端输入通道,具有欠电压同时锁定两通道功能 ; 两通道的匹配延时为10ns;开关通断延时小,分别为120ns 和90ns;工作频率达500kHz。其内部结构主要包括逻辑输入,电平转换及输出保护等,如图2 所示。 设计原理 高压侧悬浮驱动的自举原理 IR2110 用于驱动半桥的电路如图3 所示。图中C1、VD1 分别为自举电容和二极管,C2 为VCC 的滤波电容。假定在 S1 关断期间,C1 已充到足够的电压VC1≈VCC。当 HIN 为高电平时,VM1 开通,VM2关断,VC1 加到 S1 的门极和发射极之间,C1 通过 VM1、Rg1 和S1 门极栅极电容 Cgc1 放电,Cgc1 被充电。此时VC1 可等效为一个电压源。当 HIN 为低电平时,VM2 开通,VM1 断开,S1 栅极电荷经 Rg1、VM2...

1、当您付费下载文档后,您只拥有了使用权限,并不意味着购买了版权,文档只能用于自身使用,不得用于其他商业用途(如 [转卖]进行直接盈利或[编辑后售卖]进行间接盈利)。
2、本站所有内容均由合作方或网友上传,本站不对文档的完整性、权威性及其观点立场正确性做任何保证或承诺!文档内容仅供研究参考,付费前请自行鉴别。
3、如文档内容存在违规,或者侵犯商业秘密、侵犯著作权等,请点击“违规举报”。

碎片内容

IR2110相关知识

确认删除?
VIP
微信客服
  • 扫码咨询
会员Q群
  • 会员专属群点击这里加入QQ群
客服邮箱
回到顶部