电脑桌面
添加小米粒文库到电脑桌面
安装后可以在桌面快捷访问

排水硬聚氯乙烯PVC-U管的安装

排水硬聚氯乙烯PVC-U管的安装_第1页
1/11
排水硬聚氯乙烯PVC-U管的安装_第2页
2/11
排水硬聚氯乙烯PVC-U管的安装_第3页
3/11
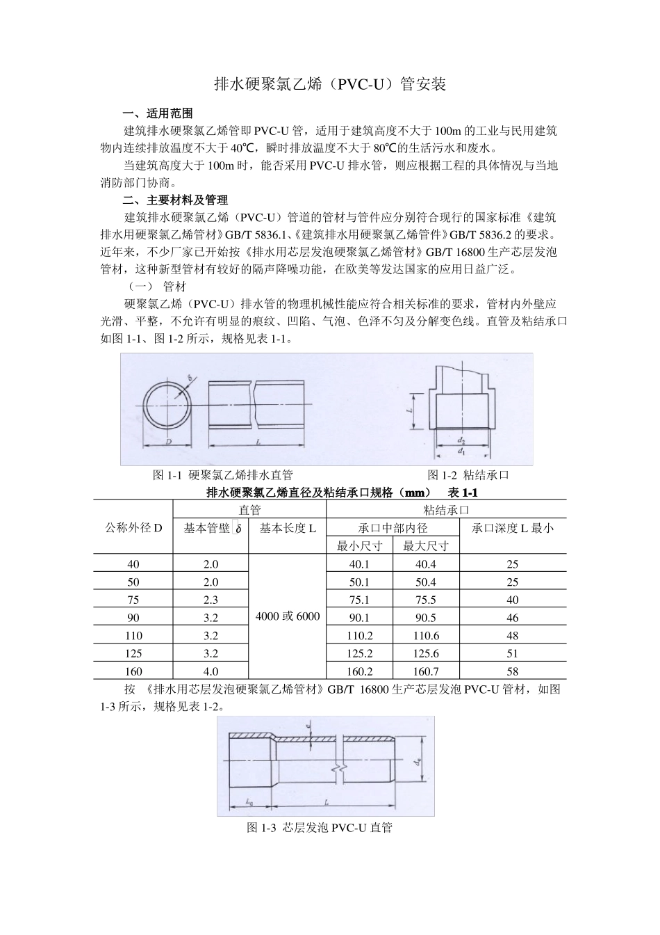
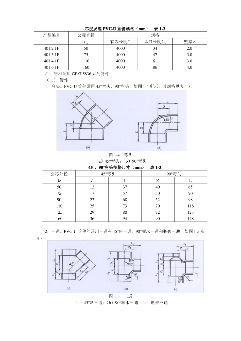
排水硬聚氯乙烯(PVC-U)管安装一、适用范围建筑排水硬聚氯乙烯管即 PVC-U 管,适用于建筑高度不大于 100m 的工业与民用建筑物内连续排放温度不大于 40℃,瞬时排放温度不大于 80℃的生活污水和废水。当建筑高度大于 100m 时,能否采用 PVC-U 排水管,则应根据工程的具体情况与当地消防部门协商。二、主要材料及管理建筑排水硬聚氯乙烯(PVC-U)管道的管材与管件应分别符合现行的国家标准《建筑排水用硬聚氯乙烯管材》GB/T 5836.1、《建筑排水用硬聚氯乙烯管件》GB/T 5836.2 的要求。近年来,不少厂家已开始按《排水用芯层发泡硬聚氯乙烯管材》GB/T 16800 生产芯层发泡管材,这种新型管材有较好的隔声降噪功能,在欧美等发达国家的应用日益广泛。(一) 管材硬聚氯乙烯(PVC-U)排水管的物理机械性能应符合相关标准的要求,管材内外壁应光滑、平整,不允许有明显的痕纹、凹陷、气泡、色泽不匀及分解变色线。直管及粘结承口如图 1-1、图 1-2 所示,规格见表 1-1。图 1-1 硬聚氯乙烯排水直管图 1-2 粘结承口排水硬聚氯乙烯直径及粘结承口规格(mm)表 1-1公称外径 D40507590110125160直管基本管壁 δ2.02.02.33.23.23.24.0基本长度 L4000 或 6000最小尺寸40.150.175.190.1110.2125.2160.2粘结承口承口中部内径最大尺寸40.450.475.590.5110.6125.6160.725254046485158承口深度 L 最小按 《排水用芯层发泡硬聚氯乙烯管材》GB/T 16800 生产芯层发泡 PVC-U 管材,如图1-3 所示,规格见表 1-2。图 1-3 芯层发泡 PVC-U 直管芯层发泡 PVC-U 直管规格(mm)表 1-2产品编号401.2.1F401.3.1F401.4.1F401.6.1F公称直径de5075110160规格有效长度 L4000400040004000承口长度 Lc34476186壁厚 e2.03.03.04.0注:管材配用 GB/T 5836 系列管件(二) 管件1.弯头。PVC-U 管件常用 45°弯头、90°弯头,如图 1-4 所示,其规格见表 1-3。图 1-4弯头(a)45°弯头;(b)90°弯头45°、90°弯头规格尺寸(mm)表 1-3公称外径D50759011012516045°弯头Z121722252936L375768738094Z40505270729090°弯头L6590981181231482.三通。PVC-U 管件的常用三通有 45°斜三通、90°顺水三通和瓶颈三通,如图 1-5 所示。图 1-5三通(a)45°斜三通;(b)90°顺水三通;(c)瓶颈三通由于三通规格尺寸较多,为节省篇幅,现只将其规格列于表 1-4,各部尺寸不再列出。45°斜三通、90°顺水三通和瓶颈三通的公称外径...

1、当您付费下载文档后,您只拥有了使用权限,并不意味着购买了版权,文档只能用于自身使用,不得用于其他商业用途(如 [转卖]进行直接盈利或[编辑后售卖]进行间接盈利)。
2、本站所有内容均由合作方或网友上传,本站不对文档的完整性、权威性及其观点立场正确性做任何保证或承诺!文档内容仅供研究参考,付费前请自行鉴别。
3、如文档内容存在违规,或者侵犯商业秘密、侵犯著作权等,请点击“违规举报”。

碎片内容

排水硬聚氯乙烯PVC-U管的安装

确认删除?
VIP
微信客服
  • 扫码咨询
会员Q群
  • 会员专属群点击这里加入QQ群
客服邮箱
回到顶部