电脑桌面
添加小米粒文库到电脑桌面
安装后可以在桌面快捷访问

政福建政基础设施工程竣工验收报告1

政福建政基础设施工程竣工验收报告1_第1页
1/7
政福建政基础设施工程竣工验收报告1_第2页
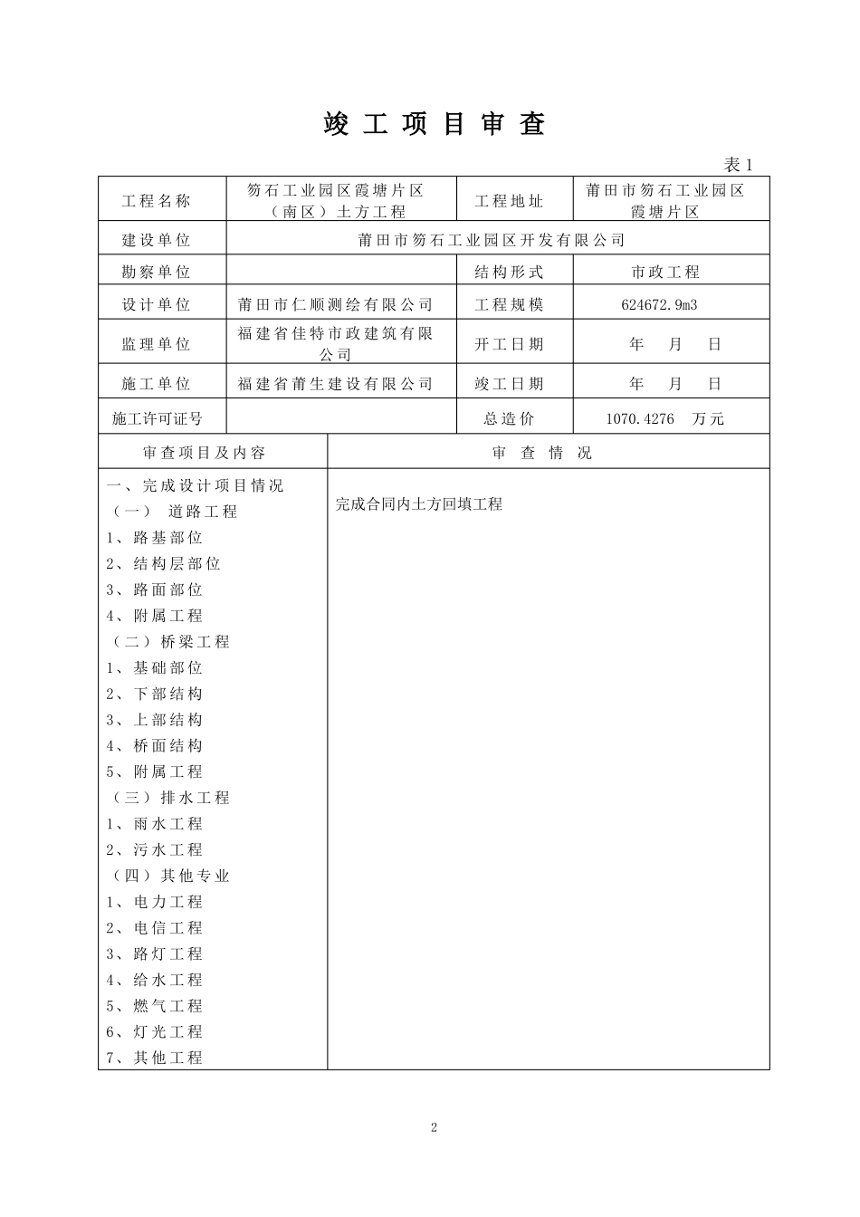
2/7
政福建政基础设施工程竣工验收报告1_第3页
3/7
附件 2福建省市政基础设施工程竣工验收报告福建省住房和城乡建设厅 制2填表说明1、竣工验收报告由建设单位负责填写。2、竣工验收报告一式四份,一律用钢笔书写,字迹要清晰工整。建设单位、施工单位、建设档案部门、建设行政主管部门各存一份。3、报告内容必须真实可靠,如发现虚假情况,不予备案。4、报告须经建设、设计、施工、工程监理单位法定代表人或其委托代理人签字,并加盖单位公章后方为有效。5、工程竣工验收报告应附下列复印件:(1)施工许可证;(2)工程勘察成果及施工图设计文件审查批准书;(3)施工单位的工程竣工报告;监理单位的工程质量评估报告;勘察、设计单位的质量检查报告;(4)规划等部门出具的认可文件或准许使用文件;(5)施工单位签署的工程质量保修书。2竣 工 项 目 审 查表 1工 程 名 称建 设 单 位勘 察 单 位设 计 单 位监 理 单 位施 工 单 位施工许可证号审 查 项 目 及 内 容一 、 完 成 设 计 项 目 情 况( 一 ) 道 路 工 程1、 路 基 部 位2、 结 构 层 部 位3、 路 面 部 位4、 附 属 工 程( 二 ) 桥 梁 工 程1、 基 础 部 位2、 下 部 结 构3、 上 部 结 构4、 桥 面 结 构5、 附 属 工 程( 三 ) 排 水 工 程1、 雨 水 工 程2、 污 水 工 程( 四 ) 其 他 专 业1、 电 力 工 程2、 电 信 工 程3、 路 灯 工 程4、 给 水 工 程5、 燃 气 工 程6、 灯 光 工 程7、 其 他 工 程莆 田 市 仁 顺 测 绘 有 限 公 司福 建 省 佳 特 市 政 建 筑 有 限公 司福 建 省 莆 生 建 设 有 限 公 司笏 石 工 业 园 区 霞 塘 片 区( 南 区 ) 土 方 工 程工 程 地 址莆 田 市 笏 石 工 业 园 区霞 塘 片 区莆 田 市 笏 石 工 业 园 区 开 发 有 限 公 司结 构 形 式工 程 规 模开 工 日 期竣 工 日 期总 造 价审查情况完成合同内土方回填工程市 政 工 程624672.9m3年月日年月日1070.4276万 元2续表 1二、完成合同约定情况(一)总包合同约定(二)分包合同约定(三)专业承包合同约定三、技术档案和施工管理资料(一)建设前期、施工图设计文件审查等技术档案(二)监理技术档案和管理资料(三)施工技术档案和管理资料四、进场试验报告(一)主要建筑材料(二)...

1、当您付费下载文档后,您只拥有了使用权限,并不意味着购买了版权,文档只能用于自身使用,不得用于其他商业用途(如 [转卖]进行直接盈利或[编辑后售卖]进行间接盈利)。
2、本站所有内容均由合作方或网友上传,本站不对文档的完整性、权威性及其观点立场正确性做任何保证或承诺!文档内容仅供研究参考,付费前请自行鉴别。
3、如文档内容存在违规,或者侵犯商业秘密、侵犯著作权等,请点击“违规举报”。

碎片内容

政福建政基础设施工程竣工验收报告1

确认删除?
VIP
微信客服
  • 扫码咨询
会员Q群
  • 会员专属群点击这里加入QQ群
客服邮箱
回到顶部