电脑桌面
添加小米粒文库到电脑桌面
安装后可以在桌面快捷访问

03 施工进度计划与劳动力安排计划

03 施工进度计划与劳动力安排计划_第1页
1/8
03 施工进度计划与劳动力安排计划_第2页
2/8
03 施工进度计划与劳动力安排计划_第3页
3/8
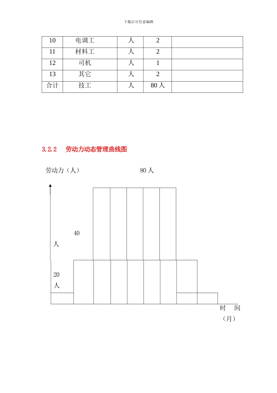
下载后可任意编辑3 施工进度计划与劳动力安排计划3.1 施工进度计划3.1.1 工期目标控制根据招标文件要求门诊楼和住院部为 150 日历天,本工程的施工工期目标,初步拟订 140 日历天(提前 10 天竣工),根据拟订的工期目标安装工期应进行有效的控制本次参加竟标拟订的工期目标值,我公司还将根据施工现场土建综合进度计划完成的实际情况,可再做提前 10 日历天的适当调整以保证本工程综合进度计划的实现。3.1.2 施工进度计划安排施工进度计划安排门诊楼、住院部安装工程施工进度计划网络图和给排水、电气工程、暖通工程、消防工程安装工程施工进度计划横道图3.1.3 施工进度计划保证措施根据拟订的安装工程进度计划,今后我公司将编制资源调配计划,如劳动力安排调配计划、施工机具培植计划、设备、材料采购、供应计划等,我们将本着优化资源配置和动态平衡管理的原则,可适时对施工现场的资源进行优化调配管理。同时对施工进度计划实行以下措施:1. 采纳工厂化集中预制,现场组合安装法根据施工总平面布置与管理,公司在施工现场设立临时通风综合加工场,所有的通风管道及其它预制构件等均安排在监工场内集中预制,现场组合安装,以提高施工功效,加快施工进度。2. 采纳平行流水作业法为加快施工进度采纳平行流水作业法,由于本工程为两个独立的单位工程,建筑面积比较大、作业面宽,在施工组织中采纳系统平行流水作业。根据安装工程特点初步规划按给排水系统、电气系统、通风设备系统、消防系统等四个专业系统保持平行流水,缩短施工周期,保证综合施工进度计划的实现。下载后可任意编辑3. 对劳动力实行动态管理在施工过程中分阶段对施工用劳工力实行动态管理,在施工现场制造条件尽可能提前开辟施工作业面,尤其在安装施工高峰期要集中优势兵力,加快施工进程,以确保施工综合进度计划的实现。4. 组织阶段性施工本工程按拟订的施工工期 140 个日历天计算,按四个阶段组织施工,即按施工准本阶段、施工高峰阶段、系统调试运行阶段、验收和交工验收阶段安排。第一阶段为 15 个日历天,第二阶段为 85日历天,第三阶段为 30 日历天,第四阶段为 10 日历天。根据计划施工,施工高峰期 85 日历天较长,只要集中兵力,搞好施工高峰期的突击施工,尽可能缩短部分施工期,则可保证工期提前。3.2 劳工力安排计划3.2.1 劳动力安排计划 本工程各专业施工技术工人原则上按 80 人进行安排,但是为了避开停工、窝工和劳工力短缺...

1、当您付费下载文档后,您只拥有了使用权限,并不意味着购买了版权,文档只能用于自身使用,不得用于其他商业用途(如 [转卖]进行直接盈利或[编辑后售卖]进行间接盈利)。
2、本站所有内容均由合作方或网友上传,本站不对文档的完整性、权威性及其观点立场正确性做任何保证或承诺!文档内容仅供研究参考,付费前请自行鉴别。
3、如文档内容存在违规,或者侵犯商业秘密、侵犯著作权等,请点击“违规举报”。

碎片内容

03 施工进度计划与劳动力安排计划

您可能关注的文档

确认删除?
VIP
微信客服
  • 扫码咨询
会员Q群
  • 会员专属群点击这里加入QQ群
客服邮箱
回到顶部